电脑桌面
添加小米粒文库到电脑桌面
安装后可以在桌面快捷访问

LED照明灯具生产操作规程

LED照明灯具生产操作规程_第1页
1/10
LED照明灯具生产操作规程_第2页
2/10
LED照明灯具生产操作规程_第3页
3/10
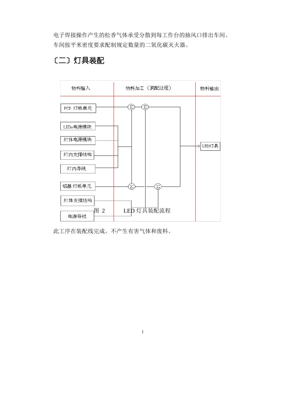
一.生产工艺流程及说明北京鑫瑞蓝天科技进展灯具的全部 LED 发光体电路部件,都依据“模块化”、“积木化”观念设计,不但简化生产工序、提高生产效率、削减原材料消耗,对物质流、信息流和能量流的规划治理也格外有益。〔一〕灯体部件生产灯体的部件生产,在灯具车间的主生产线进展。图 1灯体部件生产流程此工序对环境不产生有害气体和有害废料。局部金属加工工序产生少量可回收余料。电子焊接操作产生的松香气体承受分散到每工作台的抽风口排出车间。车间按平米密度要求配制规定数量的二氧化碳灭火器。〔二〕灯具装配图 2LED 灯具装配流程此工序在装配线完成。不产生有害气体和废料。1〔三〕加载老化工序图 3LED 灯具老化工序北京鑫瑞蓝天科技进展生产的全部 LED 灯具,都要在灯具车间的“加载室”经受老化工序。老化时间1h ≤ Ta ≤ 4h。此工序不产生废料和有害气体。加载室与生产间有遮光护板,防止强光对环境的干扰; 独立的沟通电源调压稳压把握柜;单独配备二氧化碳灭火器 2 部;单灯测试位有独立的带过载保护的开关。灯具架为钢制,配有阻燃衬垫。此工序不产生废料和有害气体。〔四〕包装在包装线完成纸盒成型,手工包装或用打包机台包装。2图 4包装工序〔五〕入库包装好的成品送入成品库。成品库外门直通装卸台。〔六〕质检室按公司制定的《产品检测规章》,由公司质检部门,对产品和每批次产品进展抽样极限检测。进展光照强度、光照角度、环境温度、湿度、淋水浸水、风力、气压、凹凸频多自由度机械震惊、电气绝缘、冲击电压等方面测试。测试工程和试验强度,依据灯具型号设置。大局部极限测试,在本公司研制的“LED 灯具综合测试箱”内完成,见图 5。图 5北京鑫瑞蓝天科技进展的 LED 灯具综合测3试箱极限检测,消耗确定数量水、电,没有其它材料损耗,不产生工业污染。单灯 1min 时间的震惊试验产生不高于 45 分贝的噪声。〔七〕修理室检测不合格的产品或用户返修品直接送交修理室。北京鑫瑞蓝天科技进展的民用等级产品装配工艺,设计成直接可逆的,以利修理。返修室只做故障检测、元件更换和初步的加电试验。除了损坏的电子元件,没有需要丢弃的原材料。〔八〕构造加工〔钳工室〕主要任务是〔1〕制作加工灯内支撑构造;(1)对灯壳和灯内支撑部件匹配加工;(2) 对生产线的设备、工具进展修理、改进,以及对临时发生的非电子部件缺陷进展修补。与灯具生产线不同室。四.主要原材料消耗〔一〕灯内材料(1...

1、当您付费下载文档后,您只拥有了使用权限,并不意味着购买了版权,文档只能用于自身使用,不得用于其他商业用途(如 [转卖]进行直接盈利或[编辑后售卖]进行间接盈利)。
2、本站所有内容均由合作方或网友上传,本站不对文档的完整性、权威性及其观点立场正确性做任何保证或承诺!文档内容仅供研究参考,付费前请自行鉴别。
3、如文档内容存在违规,或者侵犯商业秘密、侵犯著作权等,请点击“违规举报”。

碎片内容

LED照明灯具生产操作规程

您可能关注的文档

确认删除?
VIP
微信客服
  • 扫码咨询
会员Q群
  • 会员专属群点击这里加入QQ群
客服邮箱
回到顶部