电脑桌面
添加小米粒文库到电脑桌面
安装后可以在桌面快捷访问

SG-A079电线导管、电缆导管和线槽敷设安装工程检验批质量验收记录

SG-A079电线导管、电缆导管和线槽敷设安装工程检验批质量验收记录_第1页
1/5
SG-A079电线导管、电缆导管和线槽敷设安装工程检验批质量验收记录_第2页
2/5
SG-A079电线导管、电缆导管和线槽敷设安装工程检验批质量验收记录_第3页
3/5
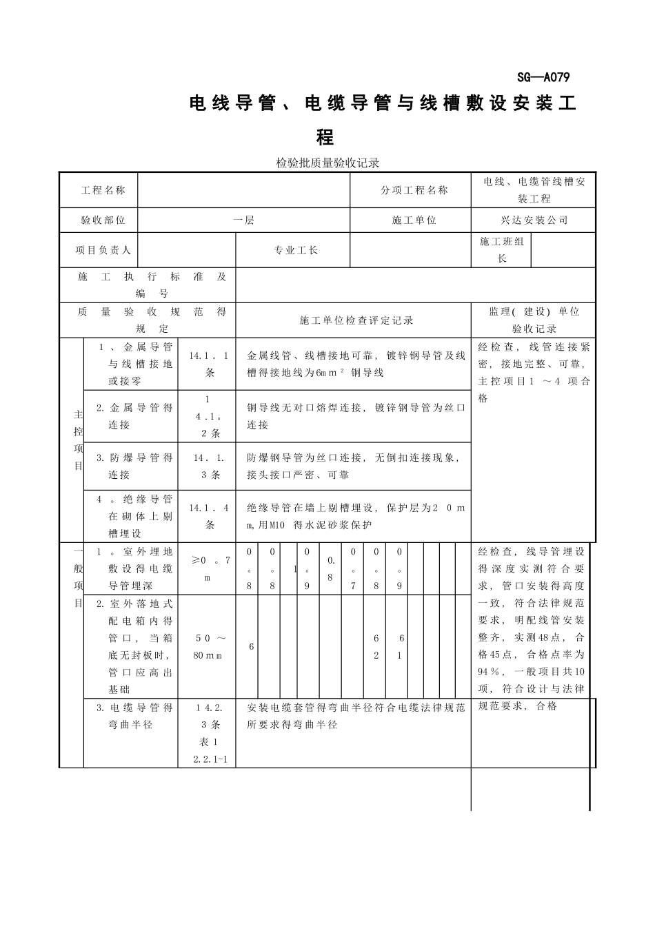
SG—A079 电 线 导 管 、 电 缆 导 管 与 线 槽 敷 设 安 装 工程 检验批质量验收记录工 程 名 称分 项 工 程 名 称电 线 、 电 缆 管 线 槽 安装 工 程验 收 部 位一 层施 工 单 位兴 达 安 装 公 司项 目 负 责 人专 业 工 长施 工 班 组长施 工 执 行 标 准 及 编 号质 量 验 收 规 范 得 规 定施 工 单 位 检 查 评 定 记 录监 理 (建 设 )单 位验 收 记 录主控项目1 、 金 属 导 管与 线 槽 接 地或 接 零14.1 . 1条金 属 线 管 、 线 槽 接 地 可 靠 , 镀 锌 钢 导 管 及 线槽 得 接 地 线 为 6m m 2 铜 导 线经 检 查 , 线 管 连 接 紧密 , 接 地 完 整 、 可 靠 ,主 控 项 目 1 ~ 4 项 合格2. 金 属 导 管 得连 接14 .1 。2 条铜 导 线 无 对 口 熔 焊 连 接 , 镀 锌 钢 导 管 为 丝 口连 接3. 防 爆 导 管 得连 接14 . 1.3 条防 爆 钢 导 管 为 丝 口 连 接 , 无 倒 扣 连 接 现 象 ,接 头 接 口 严 密 、 可 靠4。 绝 缘 导 管在 砌 体 上 剔槽 埋 设14.1 . 4条绝 缘 导 管 在 墙 上 剔 槽 埋 设 , 保 护 层 为 2 0 mm, 用 M10得 水 泥 砂 浆 保 护一般项目1。 室 外 埋 地敷 设 得 电 缆导 管 埋 深≥0。 7m0。80。810。90.80。70。80。9经 检 查 , 线 导 管 埋 设得 深 度 实 测 符 合 要求 , 管 口 安 装 得 高 度一 致 , 符 合 法 律 规 范要 求 , 明 配 线 管 安 装整 齐 , 实 测 48 点 , 合格 45 点 , 合 格 点 率 为94 % , 一 般 项 目 共 10项 , 符 合 设 计 与 法 律规 范 要 求 , 合 格2. 室 外 落 地 式配 电 箱 内 得管 口 ,当 箱底 无 封 板 时 ,管 口 应 高 出基 础5 0 ~80 m m662613. 电 缆 导 管 得弯 曲 半 径1 4.2.3 条表 12.2.1-1安 装 电 缆 套 管 得 弯 曲 半 径 符 合 电 缆 法 律 规 范所 要 求 得 弯 曲 半 径4。 室 内 落 地式 柜 、 台 、箱 、 盘 内 得管 口 ,应 高出 柜 、 台 、箱 、 盘 得 基础 面5 0~80mm586605....

1、当您付费下载文档后,您只拥有了使用权限,并不意味着购买了版权,文档只能用于自身使用,不得用于其他商业用途(如 [转卖]进行直接盈利或[编辑后售卖]进行间接盈利)。
2、本站所有内容均由合作方或网友上传,本站不对文档的完整性、权威性及其观点立场正确性做任何保证或承诺!文档内容仅供研究参考,付费前请自行鉴别。
3、如文档内容存在违规,或者侵犯商业秘密、侵犯著作权等,请点击“违规举报”。

碎片内容

SG-A079电线导管、电缆导管和线槽敷设安装工程检验批质量验收记录

您可能关注的文档

确认删除?
VIP
微信客服
  • 扫码咨询
会员Q群
  • 会员专属群点击这里加入QQ群
客服邮箱
回到顶部