电脑桌面
添加小米粒文库到电脑桌面
安装后可以在桌面快捷访问

T68型卧式镗床PLC控制系统设计

T68型卧式镗床PLC控制系统设计_第1页
1/29
T68型卧式镗床PLC控制系统设计_第2页
2/29
T68型卧式镗床PLC控制系统设计_第3页
3/29
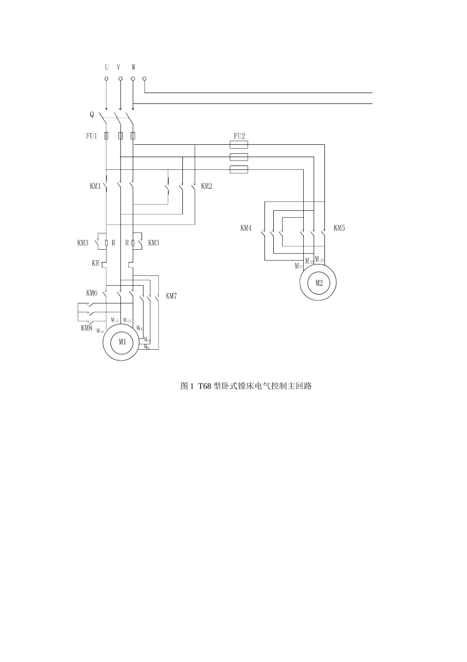
T68 型卧式镗床 PLC 控制系统设计电气工程学院 自动化专业 00031025 张向前指导老师:路正午目 录1.T68 卧 式 镗 床 控 制 原 理 说 明 书 … … … … … … … … … … … … … … … … … … 12.T68 型 卧 式 镗 床 电 气 控 制 主 回 路 … … … … … … … … … … … … … … … … … … … … … … 23.安 装 板 电 气 元 件 平 面 布 置 图 … … … … … … … … … … … … … … … … … … … … … … 34.控 制 面 板 按 钮 、 行 程 开 关 平 面 布 置 图 … … … … … … … … … … … … … … … … … … … … … 45.镗 床 控 制 系 统 PLC 外 部 接 线 图 … … … … … … … … … … … … … … … … … … … … … … 56.镗 床 控 制 系 统 PLC 梯 形 图 … … … … … … … … … … … … … … … … … … … … … 67.触 摸 屏 控 制 … … … … … … … … … … … … … … … … … … … … … … … … … … 78.电 气 元 件 一 览 表 … … … … … … … … … … … … … … … … … … … … … … … … … … 79.参 观 工 厂 有 感 … … … … … … … … … … … … … … … … … … … … … … … … … 810. 实 习 心 得 … … … … … … … … … … … … … … … … … … … … … … … … … … … 911. 附 录 A : 实 习 日 记 … … … … … … … … … … … … … … … … … … … … … … … … … … … … … 91 T68 型卧式镗床控制原理说明书1.1.T68 型卧式镗床的用途T68 型卧式镗床主要用于钻孔、镗孔、铰孔及加工端平面等。1.2 电气控制线路的特点(1)主电机为双速电机,它提供机床的主运动和进给运动的动力。高低速转换,由主轴孔盘变速机构内的限位开关 S 控制,S 常态时接通低速,被压下时接通高速。由接触器 KM6 及 KM7 实现定子绕组从三角形接法转接成双星型接法。(2)主电机可正反转、点动及反接制动。(3)主电机用...

1、当您付费下载文档后,您只拥有了使用权限,并不意味着购买了版权,文档只能用于自身使用,不得用于其他商业用途(如 [转卖]进行直接盈利或[编辑后售卖]进行间接盈利)。
2、本站所有内容均由合作方或网友上传,本站不对文档的完整性、权威性及其观点立场正确性做任何保证或承诺!文档内容仅供研究参考,付费前请自行鉴别。
3、如文档内容存在违规,或者侵犯商业秘密、侵犯著作权等,请点击“违规举报”。

碎片内容

T68型卧式镗床PLC控制系统设计

确认删除?
VIP
微信客服
  • 扫码咨询
会员Q群
  • 会员专属群点击这里加入QQ群
客服邮箱
回到顶部