电脑桌面
添加小米粒文库到电脑桌面
安装后可以在桌面快捷访问

中国通信系统铁路通信工程技术标准

中国通信系统铁路通信工程技术标准_第1页
1/73
中国通信系统铁路通信工程技术标准_第2页
2/73
中国通信系统铁路通信工程技术标准_第3页
3/73
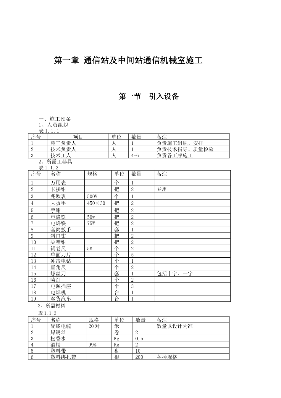
中国通信系统铁路通信工程技术标准中铁三局集团电务工程通信分公司铁路通信工程施工技术标准〔试行〕〔征求意见稿〕二〇〇五年八月一日山西·晋中第一章 通信站及中间站通信机械室施工第一节 引入设备一、施工预备1、人员组织表 1.1.1序号项目单位数量备注1施工负责人人1负责施工组织、安排2技术负责人人1负责技术指导、质量检验3技术工人人4-6负责各工序施工2、所需工器具表 1.1.2序号名称规格单位数量备注1万用表个12卡接钳把2专用3兆欧表500V个14大扳手450×30把25手钳把26电烙铁50w把27电烙铁75W把28套筒扳手套19斜口钳把210尖嘴钳把211钢卷尺5M个212单面刀片个513冲击电钻个114直角尺个215螺丝刀套1包括十字、一字16喷灯个217电源插座个318电焊机台119客货汽车台l3、所需材料表 1.1.3序号名称规格单位数量备注1配线电缆20 对米数量以设计为准2焊锡丝卷23松香水Kg0.54酒精99%Kg25塑料带盘106塑料绑扎带根200各种规格7棉纱kg58塑料小套管米59尾纤10m/根10环氧树脂Kg5已配制好的混合剂11绑把线Kg0.512膨胀螺栓个规格、数量以实际需要定13电源线米2014角钢Kg规格、数量以实际需要定15扁钢kg规格、数量以实际需要定16汽油90#Kg1017铜鼻子个规格、数量以实际需要定18钢芯绝缘线16mm2米数量以实际需要定19铜芯绝缘线10mm2米数量以实际需要定20铜芯绝缘线6mm2米数量以实际需要定21标签纸张222透亮胶带卷523粉笔合24、费用指标:二、操作程序1、工序流程图图 1.1.1引入设备安装工序流程图2、操作要领(1)走线架安装走线架有两种方式:上走线架和下走线架。一样通机室或通信站内如有防静电地板时采纳下走线方式,施工中实行何种方式必须以设计图纸为准。① 上走线架安装走线架一样采纳 45×45×5mm 的角钢和 30×3mm 的扁钢连接而成。其宽度有 150、200、300、400mm四种,前三种宽度的走线架适用于主走线架和列走线架,后一种宽度的走线架适用于引入、试验列安装的走线架。走线架的连接一样有焊接、铆接、螺栓连接和卡子连接四种方式。见图 1.1.2、图 1.1.31-梯铁;2-焊接;3-边铁;4 铆钉图 1.1.2 组线架组装图施工时走线架的规格尺寸、连接方式以设计图纸为准。② 下走线架安装下走线架的规格尺寸和上走线架差不多相同,连接方式也相同,只是安装时用膨胀螺栓直截了当将走线架固定在地面上,其固定间隔一样为 1.5 米左右,距地面高度以 5—15cm 为宜。现在有些机房因有防静电地板,在有些设计中尽管设计是下走线方式,但不要求...

1、当您付费下载文档后,您只拥有了使用权限,并不意味着购买了版权,文档只能用于自身使用,不得用于其他商业用途(如 [转卖]进行直接盈利或[编辑后售卖]进行间接盈利)。
2、本站所有内容均由合作方或网友上传,本站不对文档的完整性、权威性及其观点立场正确性做任何保证或承诺!文档内容仅供研究参考,付费前请自行鉴别。
3、如文档内容存在违规,或者侵犯商业秘密、侵犯著作权等,请点击“违规举报”。

碎片内容

中国通信系统铁路通信工程技术标准

您可能关注的文档

确认删除?
VIP
微信客服
  • 扫码咨询
会员Q群
  • 会员专属群点击这里加入QQ群
客服邮箱
回到顶部