电脑桌面
添加小米粒文库到电脑桌面
安装后可以在桌面快捷访问

低压电缆中间接头制作

低压电缆中间接头制作_第1页
1/2
低压电缆中间接头制作_第2页
2/2
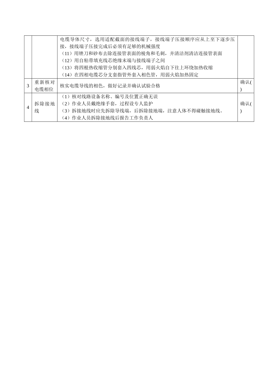
低压电缆中间接头制作序号 作业内容作业标准作 业结果1停电、验电、装设接地线(1)核对线路设备名称、编号及位置正确无误(2)检查绝缘手套、验电笔及安全工器具完好,使用试验合格的 0.4kV 专用验电器进行验电(3)作业人员戴绝缘手套,在工作地点各端验明无电压后挂接地线,过程设专人监护(4)挂接地线时应先接接地端,后接导线端,注意人体不得碰触接地线(5)作业人员装设接地线后报告工作负责人确认( )2安装及制作新电缆终端头(1)摆放所需工具、材料、图纸 (2) 锯电缆前对电缆进行逐条识别,并及时做好标识和记录(3)对需斩切的电缆进行复检并做好接地措施(4)用接地的带木柄的铁钎钉入电缆芯时应做好个体防护措施,戴绝缘手套并站在绝缘垫上进行(5)施工人员严禁踩踏电缆,尤其是运行中的电缆、电缆中间头(6)对比所选用的中间接头附件安装图纸的工艺要求制作接头,具体尺寸应以图纸要求为准 (7)分别擦洗洁净电缆两端 1 米范围内电缆护套 (8)根据安装图纸要求尺寸,确定截断电缆长度,剥除电缆外护套,分别在各相两端作相别编号 (9)核实电缆导线的相色,由记录员做好记录 (10)在电缆护层被剥除较长一边套入密封套、护套筒(11)按厂家图安装热缩接头主体,从剥切长度较长的一端电缆装入热缩头主体 (12)将电缆连接两端的导体分别对应插入已清洁好的连接管内,进行压接;压接前应核对连接管尺寸与电缆导体尺寸,选用适配截面的连接管;连接管压接顺序应从中间向两边逐步压接,接管压接完成后必须要有足够的机械强度(13)用锉刀和纱布去除连接管表面的棱角和毛刺,并用清洁剂清洁连接管表面(14)在连接管上用细砂布除掉管子棱角和毛刺,并擦洁净(15)用填充胶带或绝缘橡胶自粘带包绕填充应力管端头与线芯绝缘之间的台阶,使之成为缓缓过渡的锥面(16)抽出四根热缩套管放置于接头中间位置(套在两端应力管之间)(17)加热收缩热缩套管,加热应从中间位置开始沿圆周方向向两端缓缓推动,加热火焰朝向收缩方向(18)将内护套管移至接头处,两端搭接在电缆内护套上,并加热收缩(19)用铜编织接地线在两端分别绑扎并焊接在电缆的钢铠上(20)将热缩护套移至接头位置上,加热收缩,两端应覆盖在电缆外护层上100mm(7)用 PVC 带将钢铠及衬垫层全部包绕覆盖 (8)将热缩四芯指套放到电缆根部,先从分支套指根部向下缓慢环绕加热收缩,完全收缩后下口应有少量胶液挤出。再从分支套指根部向上缓慢环绕加热直...

1、当您付费下载文档后,您只拥有了使用权限,并不意味着购买了版权,文档只能用于自身使用,不得用于其他商业用途(如 [转卖]进行直接盈利或[编辑后售卖]进行间接盈利)。
2、本站所有内容均由合作方或网友上传,本站不对文档的完整性、权威性及其观点立场正确性做任何保证或承诺!文档内容仅供研究参考,付费前请自行鉴别。
3、如文档内容存在违规,或者侵犯商业秘密、侵犯著作权等,请点击“违规举报”。

碎片内容

低压电缆中间接头制作

您可能关注的文档

确认删除?
VIP
微信客服
  • 扫码咨询
会员Q群
  • 会员专属群点击这里加入QQ群
客服邮箱
回到顶部