电脑桌面
添加小米粒文库到电脑桌面
安装后可以在桌面快捷访问

余姚通用智能重量变送器用户手册

余姚通用智能重量变送器用户手册_第1页
1/22
余姚通用智能重量变送器用户手册_第2页
2/22
余姚通用智能重量变送器用户手册_第3页
3/22
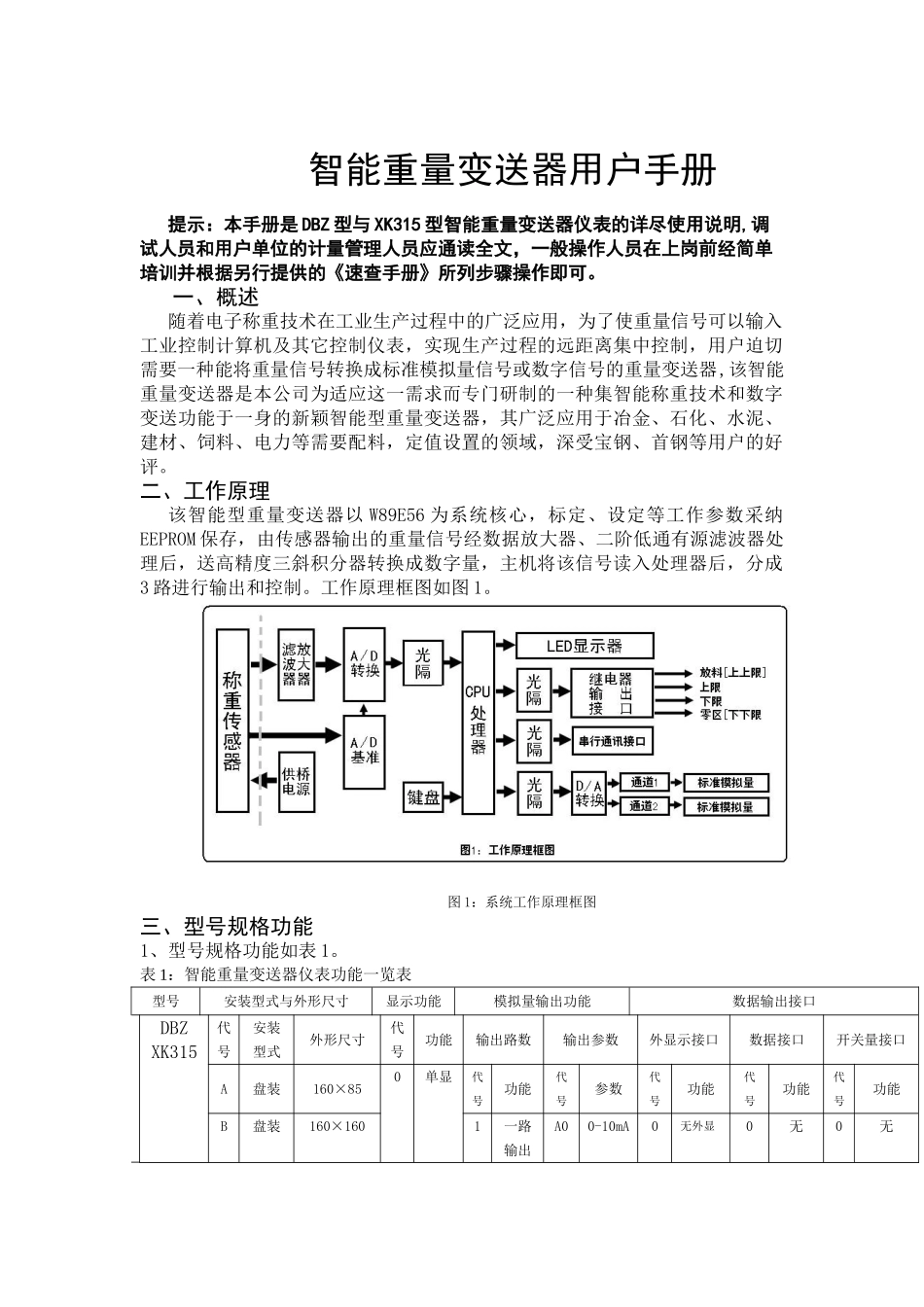
智能重量变送器用户手册提示:本手册是 DBZ 型与 XK315 型智能重量变送器仪表的详尽使用说明,调试人员和用户单位的计量管理人员应通读全文,一般操作人员在上岗前经简单培训并根据另行提供的《速查手册》所列步骤操作即可。一、概述随着电子称重技术在工业生产过程中的广泛应用,为了使重量信号可以输入工业控制计算机及其它控制仪表,实现生产过程的远距离集中控制,用户迫切需要一种能将重量信号转换成标准模拟量信号或数字信号的重量变送器,该智能重量变送器是本公司为适应这一需求而专门研制的一种集智能称重技术和数字变送功能于一身的新颖智能型重量变送器,其广泛应用于冶金、石化、水泥、建材、饲料、电力等需要配料,定值设置的领域,深受宝钢、首钢等用户的好评。二、工作原理该智能型重量变送器以 W89E56 为系统核心,标定、设定等工作参数采纳EEPROM 保存,由传感器输出的重量信号经数据放大器、二阶低通有源滤波器处理后,送高精度三斜积分器转换成数字量,主机将该信号读入处理器后,分成3 路进行输出和控制。工作原理框图如图 1。图 1:系统工作原理框图三、型号规格功能1、型号规格功能如表 1。表 1:智能重量变送器仪表功能一览表型号安装型式与外形尺寸显示功能模拟量输出功能数据输出接口DBZXK315代号安装型式外形尺寸代号功能输出路数输出参数外显示接口数据接口开关量接口A盘装160×850单显代号功能代号参数代号功能代号功能代号功能B盘装160×1601一路输出A00-10mA0无外显0无0无C墙挂230×166×801累加双显2二路输出A44-20mA1有外显2R2322J上下限D台式205×180×98V1-5V4R4853J上下限与放料备注外形尺寸:长×宽×高,单位:mm本机显示电流(电压)信号输出与外接大显赤器连接与计算机或控制器连接执行机构开关控制2、型号规格示例说明例 1,DBZA02A422J:是具有二路模拟量输出和 R232 数据接接及上、下限控制接点的单显盘装式 DBZ 型智能重量变送器;例 2:XK315B12A443J:是具有二路模拟量输出和 R485 数据接口及上、下限、放料控制接点的双显盘装式 XK315 型智能重量变送器;3、用户订货选型与功能选择(1)、用户订货时,应根据仪表现场安装条件选择仪表安装型式和尺寸;2、根据现场显示需要和控制功能需要,选择仪表显示要求、模拟量输出功能要求和数据输出接口;3、用户可根据上述“型号规格功能表”信号接口中任选一种或多种,与具有相应输入接口的计算机、显示器、等外接设备连接使用四、主要...

1、当您付费下载文档后,您只拥有了使用权限,并不意味着购买了版权,文档只能用于自身使用,不得用于其他商业用途(如 [转卖]进行直接盈利或[编辑后售卖]进行间接盈利)。
2、本站所有内容均由合作方或网友上传,本站不对文档的完整性、权威性及其观点立场正确性做任何保证或承诺!文档内容仅供研究参考,付费前请自行鉴别。
3、如文档内容存在违规,或者侵犯商业秘密、侵犯著作权等,请点击“违规举报”。

碎片内容

余姚通用智能重量变送器用户手册

您可能关注的文档

文森传品+ 关注
实名认证
内容提供者

一家传播文化教育的小店,资料丰富,随意挑选。

确认删除?
VIP
微信客服
  • 扫码咨询
会员Q群
  • 会员专属群点击这里加入QQ群
客服邮箱
回到顶部