电脑桌面
添加小米粒文库到电脑桌面
安装后可以在桌面快捷访问

余热锅炉设备监造部件

余热锅炉设备监造部件_第1页
1/5
余热锅炉设备监造部件_第2页
2/5
余热锅炉设备监造部件_第3页
3/5
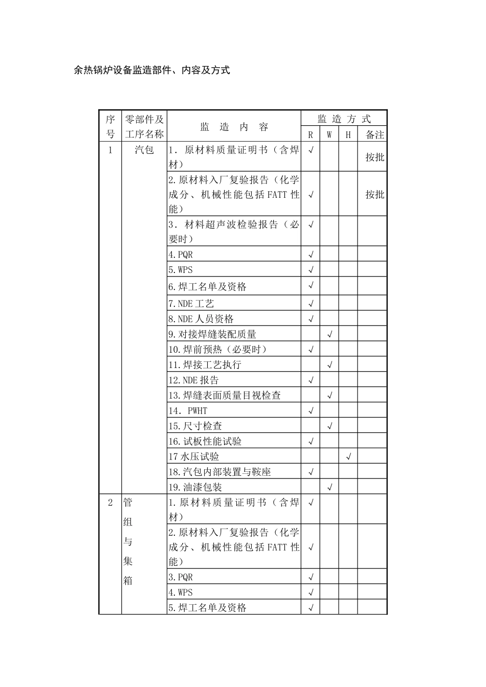
余热锅炉设备监造部件、内容及方式序号零部件及工序名称监 造 内 容监 造 方 式RWH 备注1汽包1.原材料质量证明书(含焊材)√ 按批2.原材料入厂复验报告(化学成分、机械性能包括 FATT 性能)√ 按批3.材料超声波检验报告(必要时)√4.PQR√5.WPS√6.焊工名单及资格√7.NDE 工艺√8.NDE 人员资格√9.对接焊缝装配质量√10.焊前预热(必要时)√11.焊接工艺执行√12.NDE 报告√13.焊缝表面质量目视检查√14.PWHT√15.尺寸检查√16.试板性能试验√17 水压试验√18.汽包内部装置与鞍座√19.油漆包装√2管组与集 箱1.原材料质量证明书(含焊材)√2.原材料入厂复验报告(化学成分、机械性能包括 FATT 性能)√3.PQR√4.WPS√5.焊工名单及资格√序号零部件及工序名称监 造 内 容监 造 方 式RWH 备注6.NDE 工艺√7.NDE 人员资格√8.鳍片管熔接目视检查√9. 鳍片管熔接强度试验(必要时)√10.鳍片管弯管减薄量、尺寸检查√11.180°弯头尺寸检查√12.180°弯头热处理√13.集箱钻孔及内部清洁度检查√14.焊接工艺执行√15.集箱与端板焊缝 NDE 检查√16.管子对接焊缝 NDE 检查√17.管子与集箱角焊缝 NDE 检查 √18.管组装配组装尺寸检查√19.管组 PWHT(必要时)√20.水压试验√21.整体尺寸检查√22.油漆包装√3 进 口 烟道1.主要材料质量证明书√2.分包厂家资格审查(如有时)√3.WPS√4.焊工名单及资格√5.拼接焊缝装配与焊接质量√6.抓钉及附件焊接 √7.焊接工艺执行√8.焊缝表面质量√序号零部件及工序名称监 造 内 容监 造 方 式RWH 备注9.内保温装配质量√10.最终质量检查√11.油漆包装√4炉顶、外护板及立柱1.主要材料质量证明书√按批2.原材料入厂复验报告(必要时)√3.WPS √4.分包厂家资格审查(如有时)√5.焊工名单及资格√6.NDE 工艺(如有时)√7.立柱装配质量√8.立柱焊缝表面质量√9.立柱及附件焊接√10.护板拼装与焊接质量√11.抓钉及附件焊接√12.护板焊缝表面质量√13.内保温装配质量√14.最终质量检查√15.油漆包装√5烟囱1.主要材料质量证明书√2.分包厂家资格审查(如有时)√3.WPS √4.焊工名单及资格√5.卷制质量检查√6.焊缝装配质量检查√7.焊接工艺执行√8.焊缝焊缝表面质量检查√9.尺寸检查√10.喷丸、油漆、包装√6除氧器、定排、连1.原材料质量证明书(含焊材)√序号零部件及工序名称监 造 内 容监 造 方 式RWH 备注排2.原材料入厂复验报告(化学成分、机械...

1、当您付费下载文档后,您只拥有了使用权限,并不意味着购买了版权,文档只能用于自身使用,不得用于其他商业用途(如 [转卖]进行直接盈利或[编辑后售卖]进行间接盈利)。
2、本站所有内容均由合作方或网友上传,本站不对文档的完整性、权威性及其观点立场正确性做任何保证或承诺!文档内容仅供研究参考,付费前请自行鉴别。
3、如文档内容存在违规,或者侵犯商业秘密、侵犯著作权等,请点击“违规举报”。

碎片内容

余热锅炉设备监造部件

您可能关注的文档

确认删除?
VIP
微信客服
  • 扫码咨询
会员Q群
  • 会员专属群点击这里加入QQ群
客服邮箱
回到顶部