电脑桌面
添加小米粒文库到电脑桌面
安装后可以在桌面快捷访问

冠梁施工技术交底

冠梁施工技术交底_第1页
1/3
冠梁施工技术交底_第2页
2/3
冠梁施工技术交底_第3页
3/3
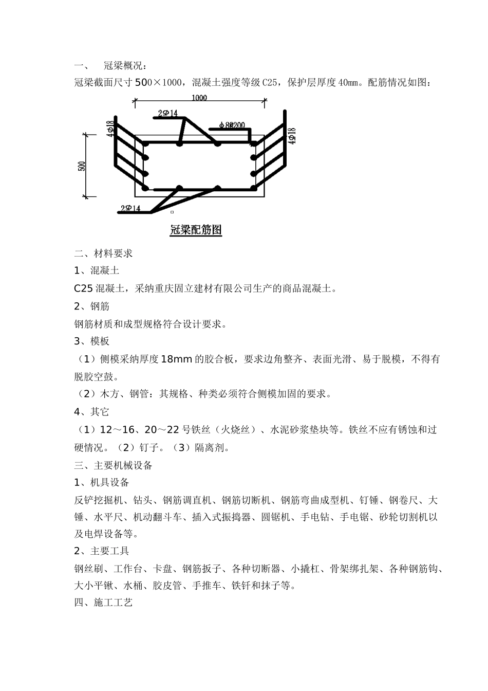
一、冠梁概况:冠梁截面尺寸 500×1000,混凝土强度等级 C25,保护层厚度 40mm。配筋情况如图:二、材料要求1、混凝土C25 混凝土,采纳重庆固立建材有限公司生产的商品混凝土。2、钢筋钢筋材质和成型规格符合设计要求。3、模板(1)侧模采纳厚度 18mm 的胶合板,要求边角整齐、表面光滑、易于脱模,不得有脱胶空鼓。(2)木方、钢管:其规格、种类必须符合侧模加固的要求。4、其它(1)12~16、20~22 号铁丝(火烧丝)、水泥砂浆垫块等。铁丝不应有锈蚀和过硬情况。(2)钉子。(3)隔离剂。三、主要机械设备1、机具设备反铲挖掘机、钻头、钢筋调直机、钢筋切断机、钢筋弯曲成型机、钉锤、钢卷尺、大锤、水平尺、机动翻斗车、插入式振捣器、圆锯机、手电钻、手电锯、砂轮切割机以及电焊设备等。2、主要工具钢丝刷、工作台、卡盘、钢筋扳子、各种切断器、小撬杠、骨架绑扎架、各种钢筋钩、大小平锹、水桶、胶皮管、手推车、铁钎和抹子等。四、施工工艺凿桩头、整平桩顶及桩间找平→清洗调直桩顶钢筋→放线→绑扎冠梁钢筋→立模→浇筑砼→拆模→养护五、施工注意事项1、钢筋施工(1)冠梁施工前,先将围护桩顶混凝土凿除、清洗至设计标高,检查桩头,如有未破至新奇混凝土面的继续向下破除,直至达到新奇混凝土面,再支模浇筑至设计标高。(2)钢筋砼桩顶以上出露的钢筋长度应达到 25cm,如不够时采纳 10d 长搭接焊接长,保证冠梁与桩连接牢固。(3)钢筋按绑扎次序、不同型号、规格整齐堆放在规定的位置。(4)梁筋的搭接采纳焊接,单面焊长度 10d,双面焊 5d,焊接后钢筋应在同一条直线上。2、模板施工(1)冠梁底层表面平整,清扫洁净,标高检查合格。四周有足够的支模空间。(2)校核轴线,放出模板边线及标高。(3)备齐模板并分规格堆放。(4)横楞采纳 100*50 的木方、间距 200,竖楞采纳 φ48 钢管,间距 480,采纳φ12 的对拉螺杆拉结。3、混凝土施工(1)钢筋、模板全部安装完毕,模板内的木屑、泥土、垃圾等已清理洁净。钢筋上的油污已除净,经检查合格并办完隐、预检手续。(2)混凝土采纳 C25 商品砼,由混凝土运输车运至现场,泵送入模,浇筑连续进行,混凝土的坍落度控制在 140~180。.(3)混凝土振捣应采纳插入式振捣,振捣时应快插慢拔,振捣均匀,振捣时间控制在 15~20 秒,不漏捣,不过振。振捣过程中避开碰到钢筋,更不得放在钢筋上。(4)混凝土浇筑 12 小时后应进行湿水养护,养护时间不少于 7 ...

1、当您付费下载文档后,您只拥有了使用权限,并不意味着购买了版权,文档只能用于自身使用,不得用于其他商业用途(如 [转卖]进行直接盈利或[编辑后售卖]进行间接盈利)。
2、本站所有内容均由合作方或网友上传,本站不对文档的完整性、权威性及其观点立场正确性做任何保证或承诺!文档内容仅供研究参考,付费前请自行鉴别。
3、如文档内容存在违规,或者侵犯商业秘密、侵犯著作权等,请点击“违规举报”。

碎片内容

冠梁施工技术交底

您可能关注的文档

确认删除?
VIP
微信客服
  • 扫码咨询
会员Q群
  • 会员专属群点击这里加入QQ群
客服邮箱
回到顶部