电脑桌面
添加小米粒文库到电脑桌面
安装后可以在桌面快捷访问

制冷管道安装施工交底记录

制冷管道安装施工交底记录_第1页
1/11
制冷管道安装施工交底记录_第2页
2/11
制冷管道安装施工交底记录_第3页
3/11
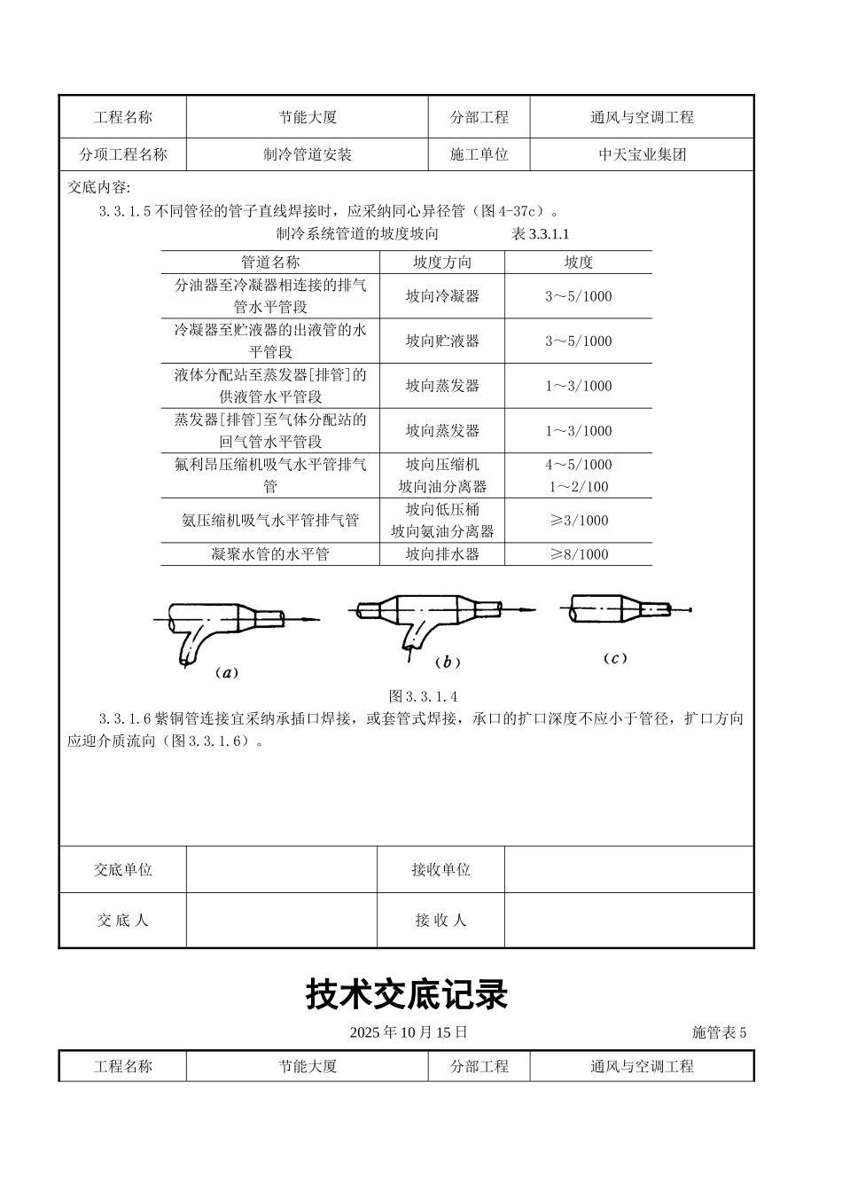
技术交底记录2025 年 10 月 15 日施管表 5工程名称节能大厦分部工程通风与空调工程分项工程名称制冷管道安装施工单位中天宝业集团交底内容:1、依据标准:《建筑工程施工质量验收统一标准》 GB50300-2001《通风与空调工程施工质量验收法律规范》 GB50243-20252、施工准备2.1 材料及主要机具2.1.1 所采纳的管子和焊接材料应符合设计规定,并具有出厂合格证明或质量鉴定文件。2.1.2 制冷系统的各类阀件必须采纳专用产品,并有出厂合格证。2.1.3 无缝钢管内外表面应无显著腐蚀、无裂纹、重皮及凹凸不平等缺陷。2.1.4 铜管内外壁均应光洁、无疵孔、裂缝、结疤、层裂或气泡等缺陷。2.1.5 施工机具:卷扬机、空气压缩机、真空泵、砂轮切割机、手砂轮、压力工作台、倒链、台钻、电锤、坡口机、铜管板边器、手锯、套丝板、管钳子、套筒扳手、梅花扳手、活扳子、水平尺、铁锤、电气焊设备等。2.1.6 测量工具:钢直尺、钢卷尺、角尺、半导体测温计、形压力计等。2.2 作业条件2.2.1 设计图纸、技术文件齐全,制冷工艺及施工程序清楚。2.2.2 建筑结构工程施工完毕,室内装修基本完成,与管道连接的设备已安装找正完毕,管道穿过结构部位的孔洞已配合预留,尺寸正确。预埋件设置恰当,符合制冷管道施工要求。2.2.3 施工准备工作完成,材料送至现场。3、操作工艺3.1 工艺流程:预检→施工准备→管道等安装→系统吹污→系统气密性试验→系统抽真空→管道防腐→系统充制冷制→检验交底单位接收单位交 底 人接 收 人技术交底记录2025 年 10 月 15 日施管表 5工程名称节能大厦分部工程通风与空调工程分项工程名称制冷管道安装施工单位中天宝业集团交底内容:3.2 施工准备3.2.1 认真熟悉图纸、技术资料,搞清工艺流程、施工程序及技术质量要求。3.2.3 按施工图所示管道位置、标高、测量放线、查找出支吊架预埋铁件。3.2.3 制冷系统的阀门,安装前应按设计要求对型号、规格进行核对检查,并根据法律规范要求做好清洗和严密性试验。3.2.4 制冷剂和润滑油系统的管子、管件应将内外壁铁锈及污物清除洁净,除完锈的管子应将管口封闭,并保持内外壁干燥。3.2.5 根据设计规定,预制加工支吊管架、须保温的管道、支架与管子接触处应用经防腐处理的木垫隔垫。木垫厚度应与保温层厚度相同。支吊架型式间距见表 3.2.5。制冷管道支吊架间距表表 3.2.5管径(mm)<φ38×2.5φ45×2.5φ57×3.5φ76×3.5φ89×3.5φ108×4φ133×4φ159×4.5φ1...

1、当您付费下载文档后,您只拥有了使用权限,并不意味着购买了版权,文档只能用于自身使用,不得用于其他商业用途(如 [转卖]进行直接盈利或[编辑后售卖]进行间接盈利)。
2、本站所有内容均由合作方或网友上传,本站不对文档的完整性、权威性及其观点立场正确性做任何保证或承诺!文档内容仅供研究参考,付费前请自行鉴别。
3、如文档内容存在违规,或者侵犯商业秘密、侵犯著作权等,请点击“违规举报”。

碎片内容

制冷管道安装施工交底记录

您可能关注的文档

雏圣文化+ 关注
实名认证
内容提供者

欢迎光临,大量办公文档供您挑选。

确认删除?
VIP
微信客服
  • 扫码咨询
会员Q群
  • 会员专属群点击这里加入QQ群
客服邮箱
回到顶部