电脑桌面
添加小米粒文库到电脑桌面
安装后可以在桌面快捷访问

土方工程质量通病及预防措施

土方工程质量通病及预防措施 _第1页
1/4
土方工程质量通病及预防措施 _第2页
2/4
土方工程质量通病及预防措施 _第3页
3/4
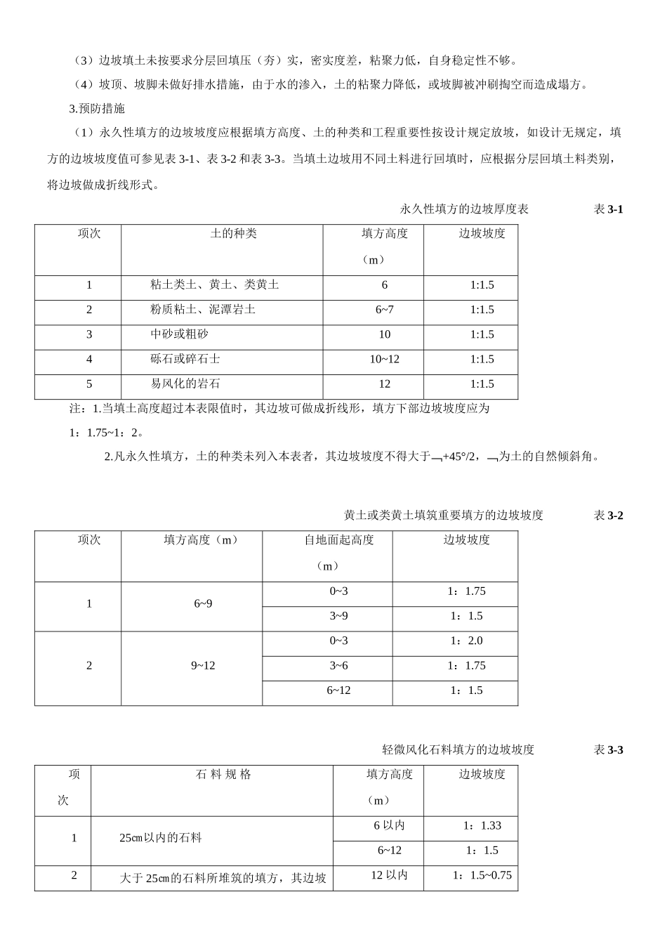
在土方工程施工中,由于操作不善和违反操作规程引起的质量通病和导致的质量事故,其危害程度往往很大,如造成建筑物沉陷、开裂、位移、倾斜,甚至倒塌、摧毁。因此,对土方工程施工必须特别重视,按设计和验收法律规范要求仔细施工,以确保工程质量。现将土方工程施工中常遇到的质量通病和防治措施简述如下。一、场地平整。(一)挖填土方1.1 挖方边坡塌方1.现象在场地平整过程中或平整后,挖方边坡土方局部或大面积发生塌方或滑塌现象。2.原因分析(1)采纳机械整平,未遵循由上而下分层开挖的顺序,坡度过陡或将坡脚破坏,使边坡失稳,造成塌方或溜坡。(2)在有地表水、地下水作用的地段开挖边坡,未实行有效的降排水措施,地表滞水或地下水侵入坡体内 ,是图的粘聚力降低,坡脚被冲蚀掏空,边坡在重力作用下失去稳定而引起塌方。(3)软土地段,在边坡顶部大量堆土或堆建筑材料,或行驶施工机械设备、运输车辆。3.预防措施(1)在斜坡地段开挖边坡时应遵循由上而下、分层开挖的顺序,合理放坡,不使过陡,同时避开切割坡脚 ,以防导致边坡失稳而造成塌方。(2)在有地表滞水或地下水作用的地段,应做好排、降水措施,以拦截地表滞水和地下水,避开冲刷破面和掏空坡脚,防止坡体失稳。特别在软土地段开挖边坡,应降低地下水位,防止边坡产生侧移。(3)施工中避开在坡顶堆土和存放建筑材料,并避开行驶施工机械设备和车辆振动,以减轻坡体负担,防止塌方。4.治理方法对临时性边坡塌方,可将塌方清除,将坡顶线后移或将坡度改缓;对永久性边坡局部塌方,在将塌方松土清楚后,用块石填砌或由上而下分层回填 2:8 或 3:7 灰土嵌补,与土坡面接触部位作成台阶式搭接,使接合紧密。1.2 填方边坡塌方1.现象填方边坡塌陷或滑塌,造成坡脚处土方堆积,坡顶上部土体裂缝。2.原因分析(1)边坡坡度过陡,坡体因自重或地表滞水作用使边坡土体失稳而导致塌陷或滑塌。(2)边坡基底的草皮、淤泥、松土未清理洁净,与原陡坡结合未挖成阶梯形搭接,填方土料采纳了淤泥质土等不合要求的土料。(3)边坡填土未按要求分层回填压(夯)实,密实度差,粘聚力低,自身稳定性不够。(4)坡顶、坡脚未做好排水措施,由于水的渗入,土的粘聚力降低,或坡脚被冲刷掏空而造成塌方。3.预防措施(1)永久性填方的边坡坡度应根据填方高度、土的种类和工程重要性按设计规定放坡,如设计无规定,填方的边坡坡度值可参见表 3-1、表 3-2 和表 3-3。当填土边坡用不同...

1、当您付费下载文档后,您只拥有了使用权限,并不意味着购买了版权,文档只能用于自身使用,不得用于其他商业用途(如 [转卖]进行直接盈利或[编辑后售卖]进行间接盈利)。
2、本站所有内容均由合作方或网友上传,本站不对文档的完整性、权威性及其观点立场正确性做任何保证或承诺!文档内容仅供研究参考,付费前请自行鉴别。
3、如文档内容存在违规,或者侵犯商业秘密、侵犯著作权等,请点击“违规举报”。

碎片内容

土方工程质量通病及预防措施

确认删除?
VIP
微信客服
  • 扫码咨询
会员Q群
  • 会员专属群点击这里加入QQ群
客服邮箱
回到顶部