电脑桌面
添加小米粒文库到电脑桌面
安装后可以在桌面快捷访问

基于s7200自动售货机PLC控制

基于s7200自动售货机PLC控制_第1页
1/27
基于s7200自动售货机PLC控制_第2页
2/27
基于s7200自动售货机PLC控制_第3页
3/27
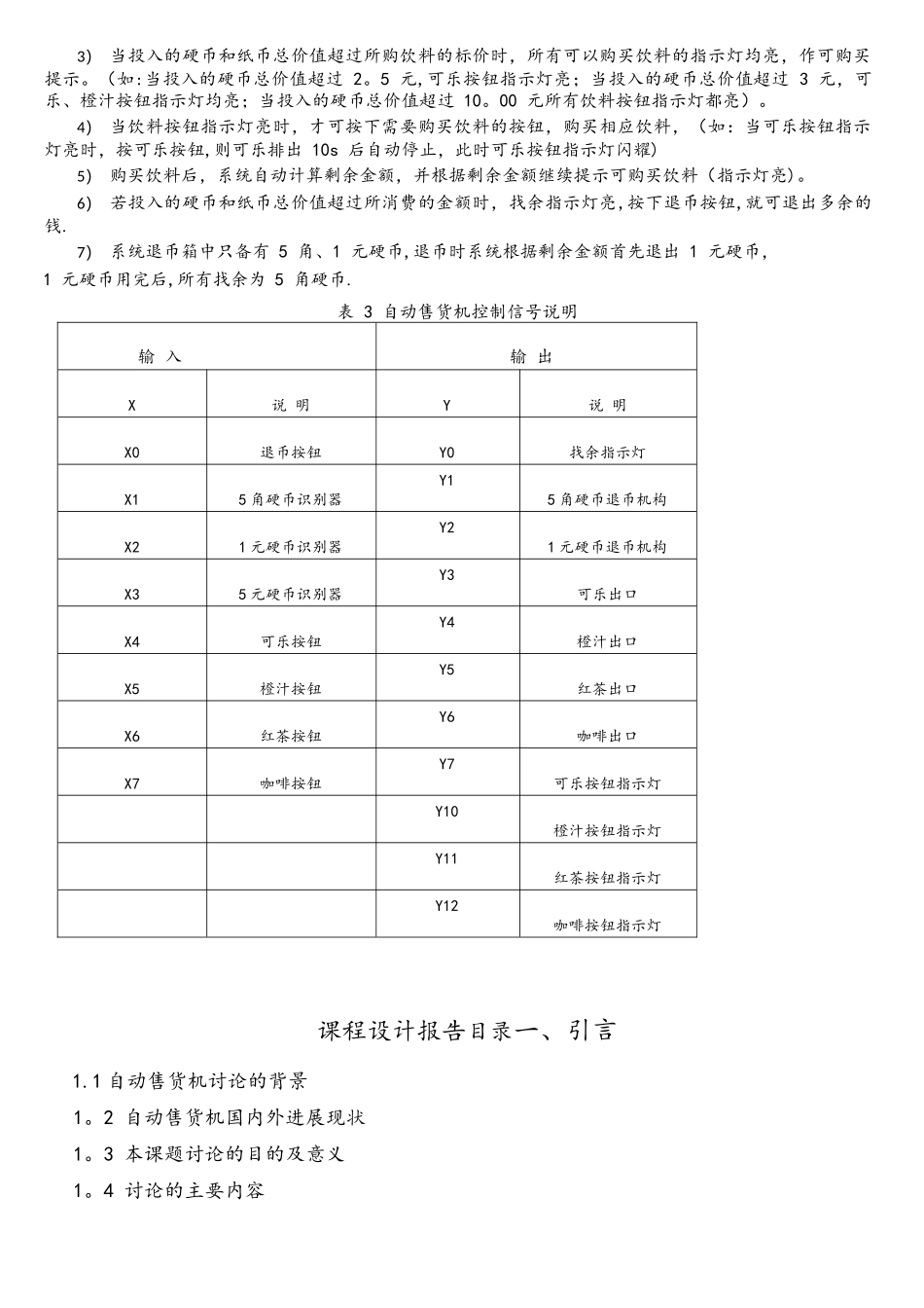
《PLC 课程设计》说明书 专 业 指导老师 姓 名 学 号 完成日期 2025 年 6 月 10 号 选题四、自动售货机 PLC 控制 1.工作要求: 1) 此售货机可投入 5 角、1 元、5 元硬币。 2) 所售饮料标价: 可乐——2.50 元、 橙汁-—3.00 元、 红茶——5。50 元、 咖啡--10。00 元 3) 当投入的硬币和纸币总价值超过所购饮料的标价时,所有可以购买饮料的指示灯均亮,作可购买提示。(如:当投入的硬币总价值超过 2。5 元,可乐按钮指示灯亮;当投入的硬币总价值超过 3 元,可乐、橙汁按钮指示灯均亮;当投入的硬币总价值超过 10。00 元所有饮料按钮指示灯都亮)。 4) 当饮料按钮指示灯亮时,才可按下需要购买饮料的按钮,购买相应饮料,(如:当可乐按钮指示灯亮时,按可乐按钮,则可乐排出 10s 后自动停止,此时可乐按钮指示灯闪耀) 5) 购买饮料后,系统自动计算剩余金额,并根据剩余金额继续提示可购买饮料(指示灯亮)。 6) 若投入的硬币和纸币总价值超过所消费的金额时,找余指示灯亮,按下退币按钮,就可退出多余的钱. 7) 系统退币箱中只备有 5 角、1 元硬币,退币时系统根据剩余金额首先退出 1 元硬币,1 元硬币用完后,所有找余为 5 角硬币. 表 3 自动售货机控制信号说明 输 入 输 出 X 说 明 Y 说 明 X0 退币按钮 Y0 找余指示灯 X1 5 角硬币识别器 Y1 5 角硬币退币机构 X2 1 元硬币识别器 Y2 1 元硬币退币机构 X3 5 元硬币识别器 Y3 可乐出口 X4 可乐按钮 Y4 橙汁出口 X5 橙汁按钮 Y5 红茶出口 X6 红茶按钮 Y6 咖啡出口 X7 咖啡按钮 Y7 可乐按钮指示灯 Y10 橙汁按钮指示灯 Y11 红茶按钮指示灯 Y12 咖啡按钮指示灯 课程设计报告目录一、引言 1.1 自动售货机讨论的背景 1。2 自动售货机国内外进展现状 1。3 本课题讨论的目的及意义 1。4 讨论的主要内容 二、系统总体方案设计 2。1 自动售货机硬件结构 2.2 PLC 选型设计 2.3 硬币的识别 2.4 纸币的识别 2。5 电机的选择 2.6 自动售货机出货结构三、控制系统设计 3.1 自动售货机工作流程图 3.2 自动售货机 I/O 分配 3.3 PLC 外部接线图 3.4 PLC 程序的设计 3.4.1 钱币计数系统 3。4。2 商品购买系统 3。4.3 找零系统 四、系统调试及结果分析 4。1 仿真软件的操作设置 4.2 仿真调试结果五.参考文献 一、引言 1.1 自动售货机讨论...

1、当您付费下载文档后,您只拥有了使用权限,并不意味着购买了版权,文档只能用于自身使用,不得用于其他商业用途(如 [转卖]进行直接盈利或[编辑后售卖]进行间接盈利)。
2、本站所有内容均由合作方或网友上传,本站不对文档的完整性、权威性及其观点立场正确性做任何保证或承诺!文档内容仅供研究参考,付费前请自行鉴别。
3、如文档内容存在违规,或者侵犯商业秘密、侵犯著作权等,请点击“违规举报”。

碎片内容

基于s7200自动售货机PLC控制

您可能关注的文档

人从众+ 关注
实名认证
内容提供者

欢迎光临小店,本店以公文和教育为主,希望符合您的需求。

确认删除?
VIP
微信客服
  • 扫码咨询
会员Q群
  • 会员专属群点击这里加入QQ群
客服邮箱
回到顶部