目 录摘 要.........................................................................................................................
开 题 报 告毕业设计(论文)题目基于 PLC 的自动售货机控制系统设计题目类型工程设计(项目)论文类□作品设计类□其他□一、选题...
第一章前言1.1 自动售货机介绍自动售货机是能根据投入的钱币自动付货的机器。自动售货机是商业自动化的常用设备,它不受时间、地点限制,...
湖 南 工 程 学 院课 程 设 计课程名称 电气控制和 PLC 课程设计 课题名称 饮料自动售货机控制系统设计 专业班级 自动化 1...
项目 7 撰写“自动售货机”周报文档教案课程名称:Excel 数据分析与可视化课程类别:必修适用专业:数据分析类相关专业总学时:16 学时...
自动售货机校园卡 项目策划书 项目组员:李金波 李永恒 朱 超 自动售货机概念:(Vending Machine,VEM)就是能根据投入得钱币自动付货得...
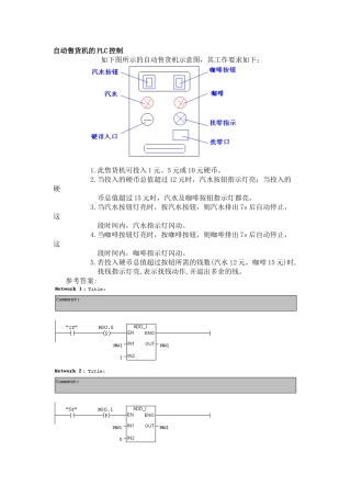
自动售货机的 PLC 控制 如下图所示的自动售货机示意图,其工作要求如下:1.此售货机可投入 1 元、5 元或 10 元硬币。2.当投入的硬...
自动售货机摆放场地租赁合同书出租方:_________________________ (简称甲方) 承租方:_________________________ (简称乙方) 联系...
安徽矿业职业技术学院毕业设计(论文)(20 13 届)题 目 自动售货机 PLC 控制系统设计 指导老师 院 系 机电工程系 班 级 机电一...
沈阳化工大学本科毕业论文题 目: 自动售货机 PLC 控制系统设计 院 系: 信息工程学院 专 业: 电气工程及其自动化 班 级: 电...
摘 要自动售货机是自动化技术在人们生活中的重要应用。随着人们生活质量的不断提高,对自动售货机的性能要求越来越高。自动售货机的主要功...
目 录摘 要 ...。。...。..。.。.。。..。.。.。。。。。。.。...。.。.。。.。。..。。...。。.。。。..。。。。。。。....。。IAbstra...
《PLC 课程设计》说明书 专 业 指导老师 姓 名 学 号 完成日期 2025 年 6 月 10 号 选题四、自动售货机 PLC 控制 1.工...
学号 1 1 5 1 4 0 1 1 0 3《电气控制与可编程控制技术》课 程 设 计( 2025 级本科) 题 目:基于 S7—200PLC 自动售货...
I基于 PLC 的自动售货机系统设计摘要本论文基于西门子 S7-200 系列 PLC 进行自动售货机控制系统的设计,阐述 了自动售货机系统设计的...
毕业设计(论文)基于 PLC 的饮料自动售货机控制系统设计专业(系) 电气工程系 班 级 铁道自动化 101 班 学生姓名 彭未红 指导...
摘 要本论文设计的是基于西门子 S7-200 系列 PLC 构成的自动售货机监控系统,本文阐述了自动售货机的来源与进展,以及它在国内外进展...
基于 PLC 的自动售货机控制设计摘要:本论文设计的是基于三菱FX2N系列PLC构成的自动售货机监控系统, 本文阐述了自动售货机的来源与进展,...
一、实训题目: 自动售货机控制实训目的及要求:1、掌握欧姆龙 PLC 的指令,具有独立分析和设计程序的能力2、掌握 PLC 梯形图的基本设...
摘要随着科技的不断进展,PLC 在工程中的应用大家有目共睹,PLC 在各个领域已占得一席之地,并将有更好的进展.我国人口数量庞大,自动售货...

