电脑桌面
添加小米粒文库到电脑桌面
安装后可以在桌面快捷访问

PLC应用系统设计-自动售货机控制

PLC应用系统设计-自动售货机控制_第1页
1/5
PLC应用系统设计-自动售货机控制_第2页
2/5
PLC应用系统设计-自动售货机控制_第3页
3/5
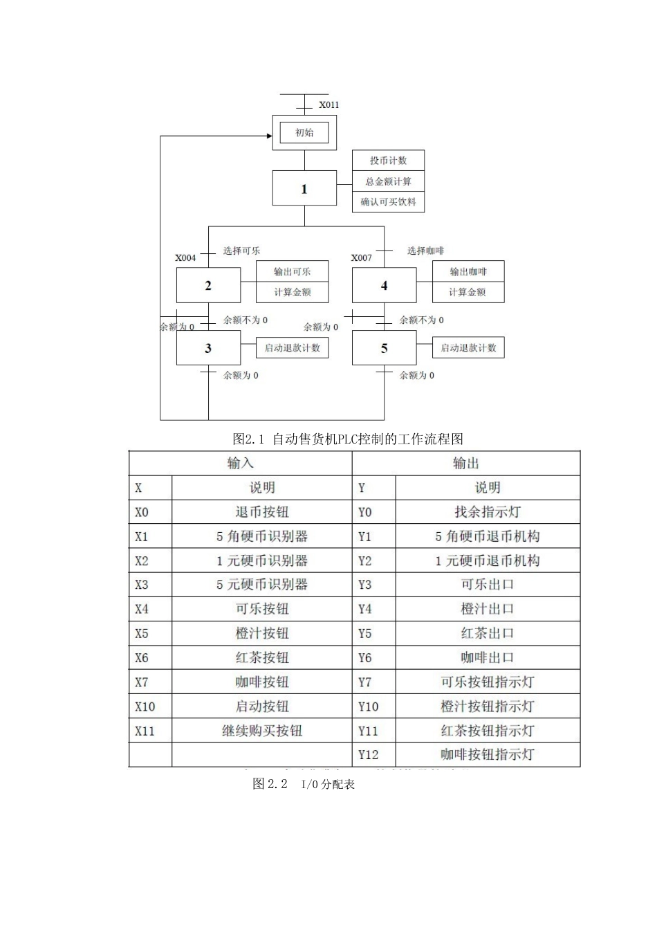
第一章前言1.1 自动售货机介绍自动售货机是能根据投入的钱币自动付货的机器。自动售货机是商业自动化的常用设备,它不受时间、地点限制,能节约人力方便交易。是一种全新的商业零售形式,又被称为 24 小时营业的微型超市.能分为三种:饮料自动售货机、食品自动售货机、综合自动售货机。1.2 自动售货机的基本功能在进行上、下位机程序编写之前,首先要做的工作是确定自动售货机本身所具备的功能及在进行某种操作后所具有的状态。在实际生活中,我们见到的售货机可以销售一些简单的日用品,如饮料、常用药品和小的生活保健用品等。售货机的基本功能就是对投入的货币进行运算,并根据货币数值推断是否能够购买某种商品,并作出相应的反应。举一个简单的例子来说明,例如:售货机中有 8 中商品,其中 01 号商品(代表第一种商品)价格为 2.60 元,02 商品为 3。50 元,其余类推。现投入 1 个 1 元硬币,当投入的货币超过 01 商品的价格时,01 商品的选择按钮处应有变化,提示可以购买,其他商品同比。当按下选择 01 商品的价格时,售货机进行减法运算,从投入的货币总值中减去 01 商品的价格同时启动相应的电机,提取 01 号商品到出货口。此时售货机继续进行等待外部命令,如继续交易,则同上,假如此时不再购买而按下退币按钮,售货机则要进行退币操作,退回相应的货币,并在程序中清零,完成此次交易。由此看来,售货机一次交易要涉及加法运算、减法运算以及在退币时的除法运算,这是它的内部功能。还要有货币识别系统和货币的传动来实现完整的售货、退币功能1。3 自动售货机进展现状从自动售货机的进展趋势来看,它的出现是由于劳动密集型的产业构造向技术密集型社会转变的产物。大量生产、大量消费以及消费模式和销售环境的变化,要求出现新的流通渠道;而相对的超市、百货购物中心等新的流通渠道的产生,人工费用也不断上升;再加上场地的局限性以及购物的便利性等这些因素的制约,无人自动售货机作为一种必须的机器便应运而生了。从广义来讲投入硬币、纸币、信用卡等后便可以销售商品的机械 ,从狭义来讲就是自动销售商品的机械。从供给的条件看,自动售货机可以充分补充人力资源的不足,24小时无人售货的系统可以更省力,运营时需要的资本少、面积小,有吸引人们购买好奇心的自身性能,可以很好地解决人工费用上升的问题等各项优点。1。4 自动售货机进展前景现在,自动售货机产业正在走向信息化并进一步实现合理化。例如实行...

1、当您付费下载文档后,您只拥有了使用权限,并不意味着购买了版权,文档只能用于自身使用,不得用于其他商业用途(如 [转卖]进行直接盈利或[编辑后售卖]进行间接盈利)。
2、本站所有内容均由合作方或网友上传,本站不对文档的完整性、权威性及其观点立场正确性做任何保证或承诺!文档内容仅供研究参考,付费前请自行鉴别。
3、如文档内容存在违规,或者侵犯商业秘密、侵犯著作权等,请点击“违规举报”。

碎片内容

PLC应用系统设计-自动售货机控制

确认删除?
VIP
微信客服
  • 扫码咨询
会员Q群
  • 会员专属群点击这里加入QQ群
客服邮箱
回到顶部