电脑桌面
添加小米粒文库到电脑桌面
安装后可以在桌面快捷访问

基于三菱FX2N-PLC实验指导书

基于三菱FX2N-PLC实验指导书_第1页
1/90
基于三菱FX2N-PLC实验指导书_第2页
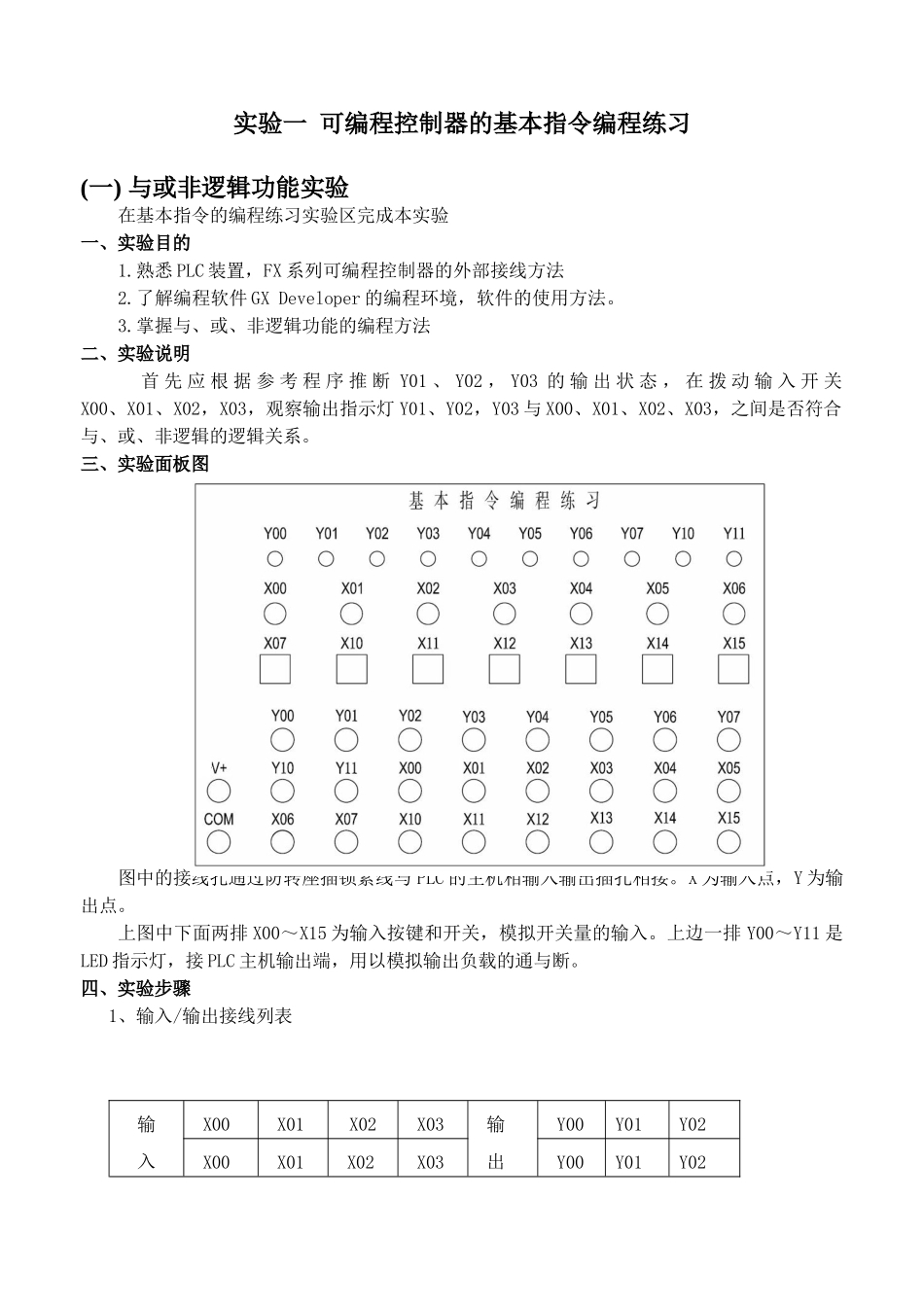
2/90
基于三菱FX2N-PLC实验指导书_第3页
3/90
基于三菱 FX2N PLC 实验指导书罗慧芳常州工学院目 录实验一 可编程控制器的基本指令编程练习…………………………………………………3实验二 LED 数码显示控制…………………………………………………………………… 7实验三 天塔之光模拟控制……………………………………………………………………12实验四 步进电机运动控制(实物)…………………………………………………………15实验五 直线运动控制系统(实物)…………………………………………………………17实验六 运料小车控制模拟……………………………………………………………………24实验七 十字路口交通灯控制…………………………………………………………………30实验八 十字路口交通灯控制(带倒计时显示)……………………………………………33实验九 三层电梯控制系统的模拟……………………………………………………………39实验十 四层电梯控制系统的模拟……………………………………………………………47实验十一 五层电梯控制系统的模拟…………………………………………………………49实验十二 三相鼠笼式异步电动机点动控制和自锁控制(实物)…………………………51实验十三 三相鼠笼式异步电动机联锁正反转控制(实物)………………………………53实验十四 三相鼠笼式异步电动机带延时正反转控制(实物)……………………………55实验十五 三相鼠笼式异步电动机星/三角换接起动控制(实物)…………………………57实验十六 水塔水位控制模拟…………………………………………………………………59实验十七 装配流水线的模拟控制……………………………………………………………61实验十八 液体混合装置控制的模拟…………………………………………………………64实验十九 机械手动作的模拟…………………………………………………………………67实验二十 四节传送带的模拟…………………………………………………………………70实验二十一 自动配料系统控制的模拟………………………………………………………74实验二十二 轧钢机控制系统模拟………………………………………………………… 77实验二十三 邮件分拣系统模拟…………………………………………………………… 80实验二十四 自动售货机的模拟控制……………………………………………………… 84实验二十五 加工中心的模拟控制……………………………………………………...

1、当您付费下载文档后,您只拥有了使用权限,并不意味着购买了版权,文档只能用于自身使用,不得用于其他商业用途(如 [转卖]进行直接盈利或[编辑后售卖]进行间接盈利)。
2、本站所有内容均由合作方或网友上传,本站不对文档的完整性、权威性及其观点立场正确性做任何保证或承诺!文档内容仅供研究参考,付费前请自行鉴别。
3、如文档内容存在违规,或者侵犯商业秘密、侵犯著作权等,请点击“违规举报”。

碎片内容

基于三菱FX2N-PLC实验指导书

阳光书坊+ 关注
实名认证
内容提供者

阳光书坊,传播未来

确认删除?
VIP
微信客服
  • 扫码咨询
会员Q群
  • 会员专属群点击这里加入QQ群
客服邮箱
回到顶部