电脑桌面
添加小米粒文库到电脑桌面
安装后可以在桌面快捷访问

基于单片机的双积分型A/D电路设计

基于单片机的双积分型A/D电路设计_第1页
1/5
基于单片机的双积分型A/D电路设计_第2页
2/5
基于单片机的双积分型A/D电路设计_第3页
3/5
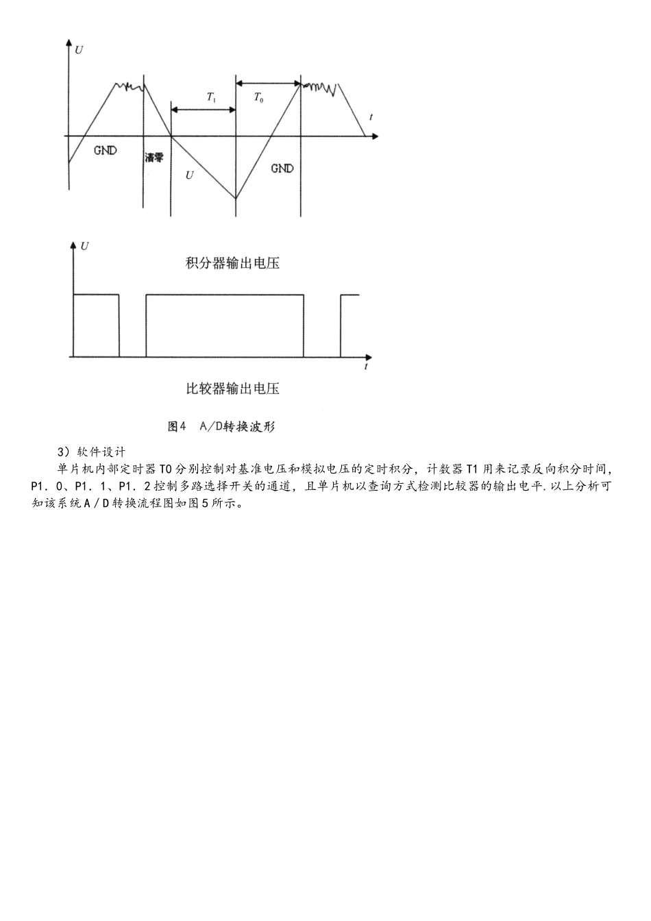
基于单片机的双积分型 A/D 电路设计时间:2025-10—13 09:48:53 来源:山西电子技术 作者:袁新娜,余红英 中北大学0 引言 A/D 转换电路是数据采集系统中的重要部分,也是计算机应用系统中一种重要的功能接口。目前市场上有两种常用的 A/D 转换芯片,一类是逐次逼近式的,如 AD1674,其特点是转换速度较高,功率较低。另一类是双积分式的,如 ICL7135,其特点是转换精度高、抗干扰能力强。但高位数的 A/D 转换器价格相对较高。本文介绍的一种基于单片机的高精度、双积分型 A/D 转换电路,具有电路体积小、成本低、性价比高、结构简单、调试容易和工作可靠等特点,有很好的实际应用价值.1 双积分式 ADC 基本原理 双积分式 ADC 的基本电路如图 1 所示,运放 A 1、R、C 用来组成积分器,运放 A2 作为比较器。电路先对未知的模拟输入电压 U1 进行固定时间 T1 的积分,然后转为对标准电压 U0 进行反向积分,直到积分输出返回起始值,反向积分时间为 T0。如图 2 所示,输入电压 U1 越大,则反向积分时间越长.整个采样期间,积分电容 C 上的充电电荷等于放电电荷,因而有由于 U0 及 T1 均为常数,因而反向积分时间 T0 与输入模拟电压 U1 成正比,此期问单片机的内部计数器计数值与信号电压的大小成正比,此计数值就是 U1 所对应的数字量。2 有用双积分 A/D 转换电路 1)硬件电路图 如图 3 所示,运放 A1、R、C 构成积分电路,C 常取 0.22μF 的聚丙烯电容,R 常取 500kΩ 左右,A2 是电压跟随器,为电路提供稳定的比较电压,运放 A3 作为电压比较器,保证 A/D 转换电平迅速翻转,CD4051是多路选择开关,单片机 P1.0、P1.1、P1.2 作为输出端口,控制其地址选择端 A、 B、C 选择不同的通道输入到积分器 A1,U 为将要进行 A/D 转换的模拟输入电压,Uin 为积分器的输入电压,U0 为比较电压,U1为基准电压,为使 A/D 转换结果具有更高的精度,基准电路应该提供精确的电压,建议使用精度为 1%的精密电阻,单片机使用 89C51,其内部定时器 T0 为积分电路提供精确的时间定时,计数器 T1 用来记录反向积分时间,INT0 用来检测比较器电平变化。所需测量的模拟输入信号和零点参考电压以及基准电压接到多路选择开关的输入端,通过单片机中的程序控制,轮流选择接入各路输入信号,通过积分电路分别和固定电压进行定时或定值积分。积分电路的输出信号作为比较器的输入...

1、当您付费下载文档后,您只拥有了使用权限,并不意味着购买了版权,文档只能用于自身使用,不得用于其他商业用途(如 [转卖]进行直接盈利或[编辑后售卖]进行间接盈利)。
2、本站所有内容均由合作方或网友上传,本站不对文档的完整性、权威性及其观点立场正确性做任何保证或承诺!文档内容仅供研究参考,付费前请自行鉴别。
3、如文档内容存在违规,或者侵犯商业秘密、侵犯著作权等,请点击“违规举报”。

碎片内容

基于单片机的双积分型A/D电路设计

您可能关注的文档

一帆文传+ 关注
实名认证
内容提供者

欢迎光临店铺,各类公文供您挑选。

确认删除?
VIP
微信客服
  • 扫码咨询
会员Q群
  • 会员专属群点击这里加入QQ群
客服邮箱
回到顶部