电脑桌面
添加小米粒文库到电脑桌面
安装后可以在桌面快捷访问

屋面节能分项工程质量验收汇总表VIP专享

屋面节能分项工程质量验收汇总表_第1页
1/7
屋面节能分项工程质量验收汇总表_第2页
2/7
屋面节能分项工程质量验收汇总表_第3页
3/7
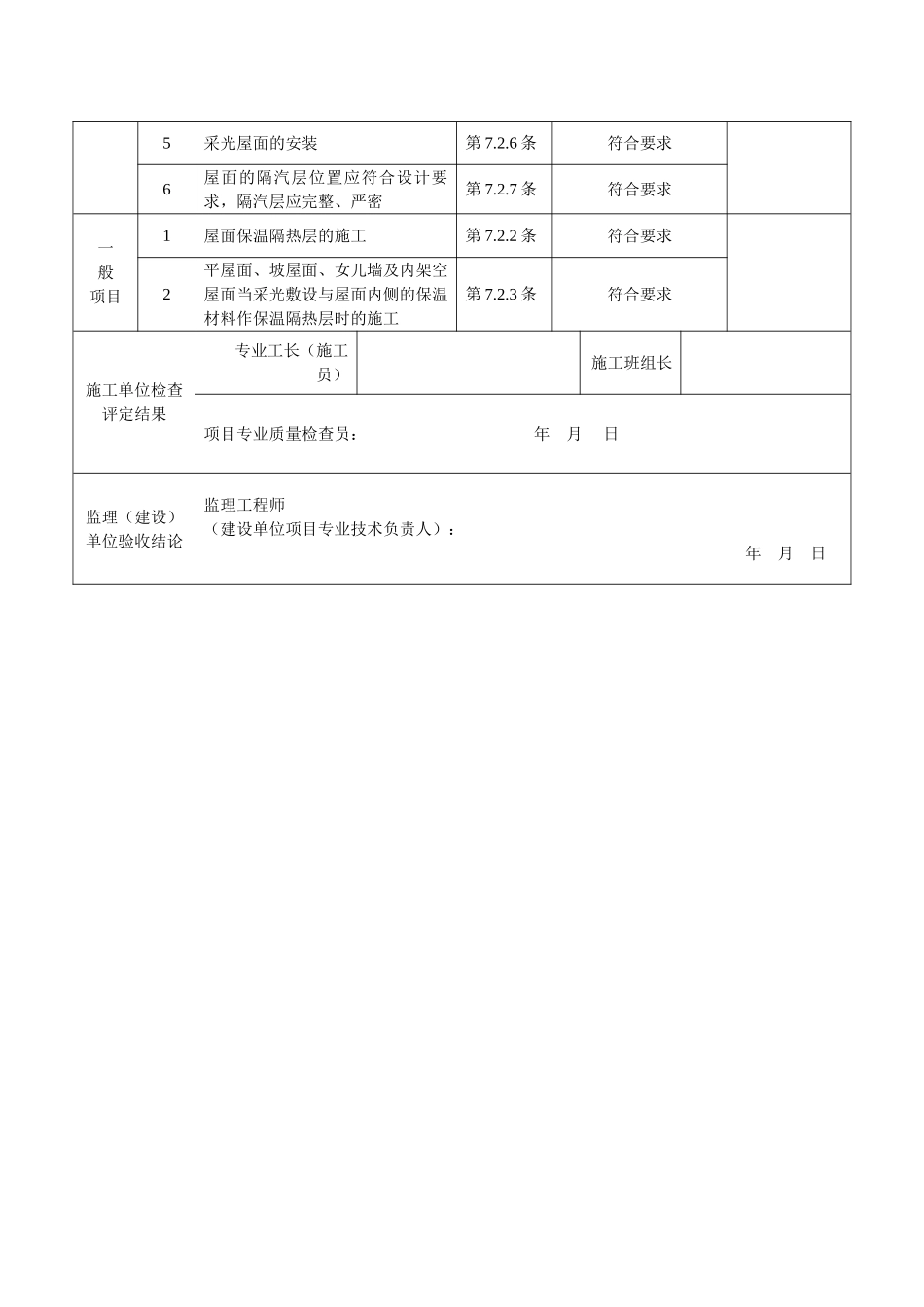
屋面节能分项工程质量验收汇总表工程名称丁香金街 1#楼检验批数量1建设单位安徽山水置业有限公司监理单位贵池城建监理公司施工单位石台县第三建筑工程有限公司项目经理项目技术负责人分包单位分包单位负责人分包项目经理序号检验批部位、区段、系统施工单位检查评定结果监理(建设)单位验收结论1屋面符合要求施工单位检查结论:项目专业质量(技术)负责人:年 月 日验收结论:监理工程师:(建设单位项目专业负责人)年 月 日屋面节能工程 报验申请表工程名称:丁香金街 1#楼致: (监理单位)我单位已完成了金香金街 1# 楼屋面节能 工作,现报上该工程报验申请表,请予以审查和验收。附件:墙体节能工程质量验收记录表 建设节能隐蔽工程施工质量验收记录表承包单位(章) 项目经理 日 期 审查意见:项目监理机构 总/专业监理工程师 日 期 屋面节能工程质量验收记录表GB50411-2025110101□□单位(子单位)工程名称丁香金街 1#楼分部(子分部)工程名称建筑节能验收部位屋面施工单位石台第三建筑工程有限公司项目经理分包单位分包项目经理施工执行标准名称及编号GB50411-2025施工质量验收法律规范的规定施工单位检查评定记录监理(建设)单位验收记录主控项目1保温隔热材料进场验收第 7.2.1 条符合要求2保温隔热材料的性能及复验第 7.2.2 条符合要求3保温隔热层的施工第 7.2.3 条符合要求4采光屋面的性能及节点的构造做法第 7.2.5 条符合要求5采光屋面的安装第 7.2.6 条符合要求6屋面的隔汽层位置应符合设计要求,隔汽层应完整、严密第 7.2.7 条符合要求一般项目1屋面保温隔热层的施工第 7.2.2 条符合要求2平屋面、坡屋面、女儿墙及内架空屋面当采光敷设与屋面内侧的保温材料作保温隔热层时的施工第 7.2.3 条符合要求施工单位检查评定结果专业工长(施工员)施工班组长项目专业质量检查员: 年 月 日监理(建设)单位验收结论监理工程师(建设单位项目专业技术负责人):年 月 日隐蔽工程验收记录编号:工程名称丁香金街 1#楼施工单位石台第三建工程有限公司隐蔽工程内容检验批(分项)工程名称单位数量说明屋面基层隐检内容:1、将基层表面清扫洁净,并使之平整、干燥,经检查验收合格。2、穿过屋面和墙面等结构层的管根部位,用细石混凝土填塞密实,将管根固定,隐检内容已做完,请予以检查。隐检时间存在缺陷整改情况验收结论参加人员建设单位项目专业负责人监理工程师施工企业部门代表项目经理质...

1、当您付费下载文档后,您只拥有了使用权限,并不意味着购买了版权,文档只能用于自身使用,不得用于其他商业用途(如 [转卖]进行直接盈利或[编辑后售卖]进行间接盈利)。
2、本站所有内容均由合作方或网友上传,本站不对文档的完整性、权威性及其观点立场正确性做任何保证或承诺!文档内容仅供研究参考,付费前请自行鉴别。
3、如文档内容存在违规,或者侵犯商业秘密、侵犯著作权等,请点击“违规举报”。

碎片内容

屋面节能分项工程质量验收汇总表

确认删除?
VIP
微信客服
  • 扫码咨询
会员Q群
  • 会员专属群点击这里加入QQ群
客服邮箱
回到顶部