电脑桌面
添加小米粒文库到电脑桌面
安装后可以在桌面快捷访问

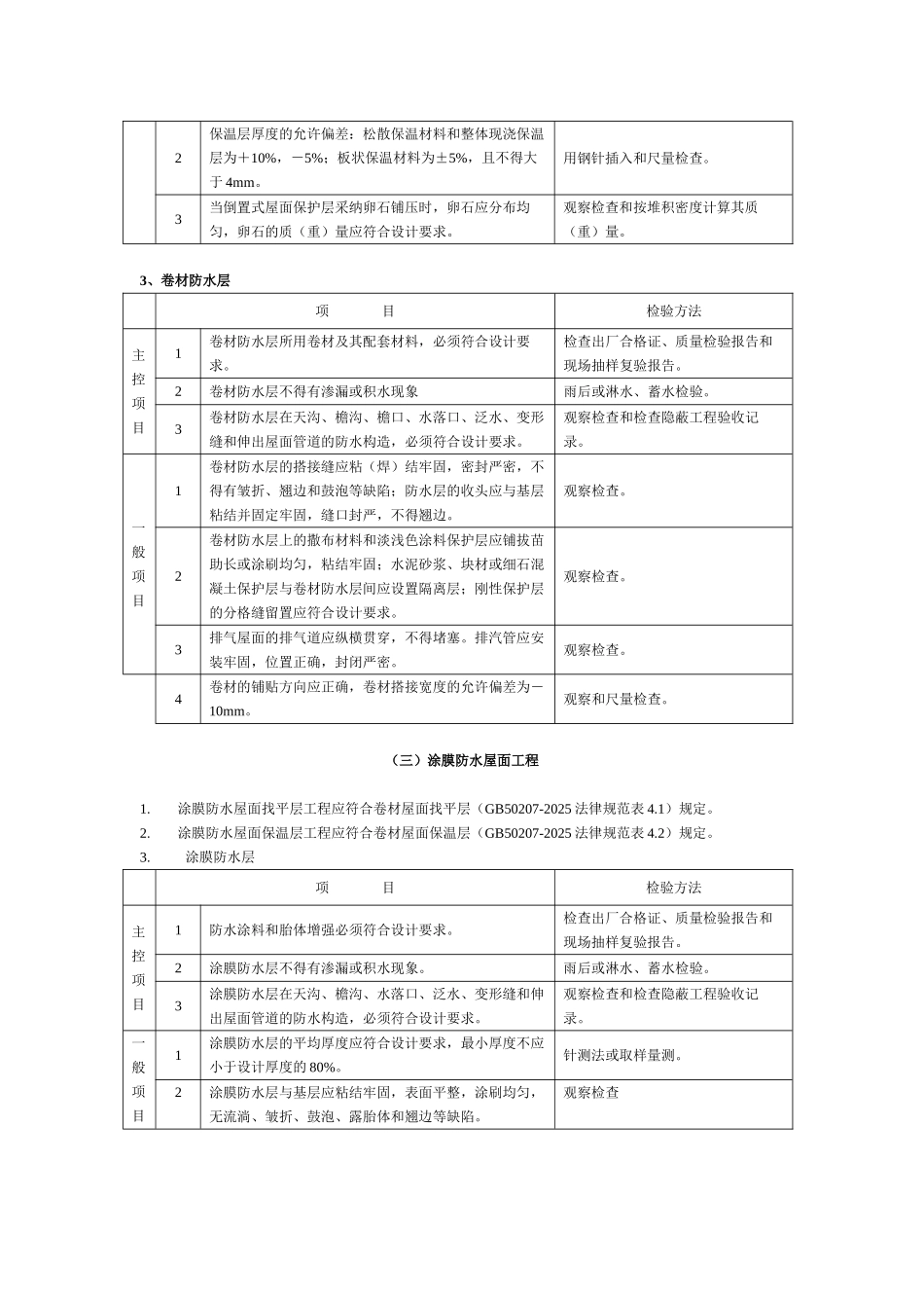
屋面防水监理细则

屋面防水监理细则_第1页
1/7
屋面防水监理细则_第2页
2/7
屋面防水监理细则_第3页
3/7
(一)基本规定1. 屋面工程应根据建筑物的性质、重要程度、使用功能要求以及防水层合理使用年限,按不同等级进行设防,并应符合下表要求。 屋面防水等级和设防要求 (GB50207-2025 法律规范表 3.0.1)项目屋面防水等级ⅠⅡⅢⅣ建筑物类别特别重要或对防水有特别要求的建筑重要的建筑和高层建筑一般的建筑非永久性的建筑防水层合理使用年限25 年15 年10 年5 年防水层选用材料宜选用合成高分子防水卷材、高聚物改性沥青防水卷材、金属板材、合成高分子防水涂料、细石混凝土等材料宜选用高聚物改性沥青防水卷材、合成高分子防水卷材、金属板材、合成高分子防水涂料、高聚物改性沥青防水涂料、细石混凝土、平瓦、油毡瓦等材料宜选用三毡四油沥青防水卷材、高聚物改性沥青防水卷材、合成高分子防水卷材、金属板材、高聚物改性沥青防水涂料、合成高分子防水涂料、细石混凝土、平瓦、油毡瓦等材料可选用二毡三油沥青防水卷材、高聚物改性沥青防水涂料等材料设防要求三道或三道以上防水设防二道防水设防一道防水设防一道防水设防2. 屋面工程应根据工程特点、地区自然条件等,根据屋面防水等级的设防要求,进行防水构造设计,重要部位应有详图;对屋面保温层的厚度,应通过计算确定。3. 屋面工程施工前,施工单位应进行图纸会审,并应编制屋面工程施工方案或技术措施。4. 屋面工程施工时,应建立各道工序的自检、交接检和专职人员检查的“三检”制度,并有完整的检查记录。每道工序完成,应经监理单位(或建设单位)检查验收,合格后方可进行下道工序的施工。5. 屋面工程的防水层应由经资质审查合格的防水专业队伍进行施工。作业人员应持有当地建设行政主管部门颁发的上岗证。6. 屋面工程所采纳的防水、保温隔热材料应有产品合格证书和性能检测报告,材料的品种、规格、性能等应符合现行国家产品标准和设计要求。材料进场后,应按 GB50207-2025 法律规范附录 A、附录 B 的规定抽样复验,并提出试验报告;不合格的材料,不得在屋面工程中使用。7. 伸出屋面的管道、设备或预埋件等,应在防水层施工前安装完毕。层面防水层完工后,不得在其上凿孔打洞或重物冲击。8. 屋面工程完工后,应按本法律规范的有关规定对细部构造、接缝、保护层等进行外观检验,并应进行淋水或蓄水检验。9. 屋面的保温层和防水层严禁在雨天、雪天和五级风及其以上时施工。施工环境气温宜符合下表的要求。10. 屋面工程各子分部工程和分项工程的划分,应符合下表...

1、当您付费下载文档后,您只拥有了使用权限,并不意味着购买了版权,文档只能用于自身使用,不得用于其他商业用途(如 [转卖]进行直接盈利或[编辑后售卖]进行间接盈利)。
2、本站所有内容均由合作方或网友上传,本站不对文档的完整性、权威性及其观点立场正确性做任何保证或承诺!文档内容仅供研究参考,付费前请自行鉴别。
3、如文档内容存在违规,或者侵犯商业秘密、侵犯著作权等,请点击“违规举报”。

碎片内容

屋面防水监理细则

确认删除?
VIP
微信客服
  • 扫码咨询
会员Q群
  • 会员专属群点击这里加入QQ群
客服邮箱
回到顶部