电脑桌面
添加小米粒文库到电脑桌面
安装后可以在桌面快捷访问

工程监理实施细则ew

工程监理实施细则ew_第1页
1/11
工程监理实施细则ew_第2页
2/11
工程监理实施细则ew_第3页
3/11
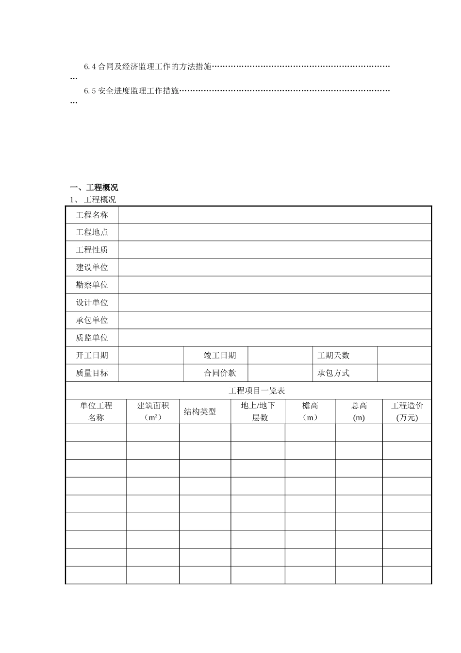
××××××工程监理实施细则专 业: 编制人: 编制日期:土 建 给 排 水 电 气 安 装 批准(总监理工程师):目 录 一、工程概况…………………………………………………………………………………………二、监理组织机构……………………………………………………………………………………三、监理工作流程……………………………………………………………………………………四、编制依据…………………………………………………………………………………………五、监理工作实施细则………………………………………………………………………………5.1 施工前组织保证………………………………………………………………………………5.2 施工中技术保证………………………………………………………………………………5.3 测量放线及地基与基础 ………………………………………………………………………5.4 砖混结构主体工程……………………………………………………………………………5.5 混凝土生产和施工过程………………………………………………………………………5.6 钢筋工程………………………………………………………………………………………5.7 地面与楼面工程………………………………………………………………………………5.8 装饰工程………………………………………………………………………………………5.9 塑钢工程………………………………………………………………………………………5.10 屋面处理……………………………………………………………………………………5.11 给、排水工程………………………………………………………………………………5.12 电气电信电视施工监理实施细则…………………………………………………………六、监理工作的方法及措施……………………………………………………………………………6.1 组织措施………………………………………………………………………………………6.2 技术监理工作的方法及措施…………………………………………………………………6.3 质量监理工作的方法及措施 …………………………………………………………………6.4 合同及经济监理工作的方法措施……………………………………………………………6.5 安全进度监理工作措施………………………………………………………………………一、工程概况1、 工程概况工程名称工程地点工程性...

1、当您付费下载文档后,您只拥有了使用权限,并不意味着购买了版权,文档只能用于自身使用,不得用于其他商业用途(如 [转卖]进行直接盈利或[编辑后售卖]进行间接盈利)。
2、本站所有内容均由合作方或网友上传,本站不对文档的完整性、权威性及其观点立场正确性做任何保证或承诺!文档内容仅供研究参考,付费前请自行鉴别。
3、如文档内容存在违规,或者侵犯商业秘密、侵犯著作权等,请点击“违规举报”。

碎片内容

工程监理实施细则ew

您可能关注的文档

确认删除?
VIP
微信客服
  • 扫码咨询
会员Q群
  • 会员专属群点击这里加入QQ群
客服邮箱
回到顶部