电脑桌面
添加小米粒文库到电脑桌面
安装后可以在桌面快捷访问

扬州转炉区域三次除尘管道安装

扬州转炉区域三次除尘管道安装_第1页
1/19
扬州转炉区域三次除尘管道安装_第2页
2/19
扬州转炉区域三次除尘管道安装_第3页
3/19
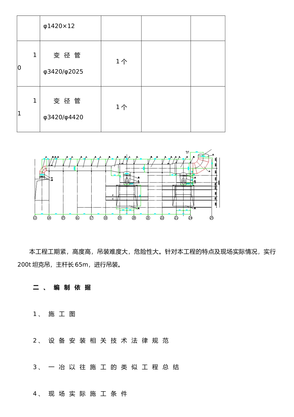
扬 州 恒 润 海 洋 重 工 有 限 公 司 高 炉 项 目转 炉 区 域 三 次 除 尘 管 道 安 装 方 案一 . 工 程 概 况1 、 工 程 简 介扬 州 恒 润 海 洋 重 工 有 限 公 司 高 炉 项 目 转 炉 区 域 建 设 安装 工 程 , 转 炉 炼 钢 区 域 分 二 期 连 续 实 施 , 主 要 施 工 内 容 包括 : 80 吨 转 炉 两 座 、900 吨 混 铁 炉 一 座 、R8 米 6 机 6 流 连 铸机 一 套 。本 方 案 主 要 阐 述 转 炉 区 域 厂 房 顶 部 三 次 除 尘 管 道 的 安装 方 案 。三次除尘管道安装位于 C-D 跨,13—25 线之间,高度 34.22m 至 46.2m,全长约110m,重 130t。序号材 料 名 称及 规 格数 量材 料 重量 (Kg)备 注1螺 旋 焊 管 20m26099.9φ4420×122螺 旋 焊 管 φ3420×1022m18512.0543螺 旋 焊 管 φ2820×104m2773.9524螺 旋 焊 管 φ2025×1030m14885.885螺 旋 焊 管 φ1420×1018m6268.086690°弯 头φ4420×121 个790°弯 头φ1420×124 个890°弯 头φ2025×122 个945°弯 头2 个φ1420×1210变 径 管φ3420/φ20251 个11变 径 管φ3420/φ44201 个本工程工期紧,高度高,吊装难度大,危险性大。针对本工程的特点及现场实际情况,实行200t 坦克吊,主杆长 65m,进行吊装。二 、 编 制 依 据1 、 施 工 图2 、 设 备 安 装 相 关 技 术 法 律 规 范3 、 一 冶 以 往 施 工 的 类 似 工 程 总 结4 、 现 场 实 际 施 工 条 件三 、 施 工 准 备1 、 按 施 工 工 期 及 时 确 定 施 工 人 员 , 并 按 计 划 组 织 施 工所 需 的 人 力 、 财 力 、 物 力 , 有 计 划 、 有 步 骤 地 进 场 。2 、 在 进 场 前 对 施 工 人 员 进 行 技 术 、 安 全 培 训 , 增 强 施工 人 员 的 质 量 、 安 全 意 识 。3 、 及 时 有 效 的 与 甲 方 协 调 解 决 施 工 用 地 、 用 电 等 问 题 ,铺 设 临 时 设 施 将 临 时 管 线 及 电 缆 引 至 施 工 现 场 。4 、 根 据 设 计 制 定 的 改 变 除 尘 管 道 位 置 的 方 案 , 核 实 管道 标 高 及 ...

1、当您付费下载文档后,您只拥有了使用权限,并不意味着购买了版权,文档只能用于自身使用,不得用于其他商业用途(如 [转卖]进行直接盈利或[编辑后售卖]进行间接盈利)。
2、本站所有内容均由合作方或网友上传,本站不对文档的完整性、权威性及其观点立场正确性做任何保证或承诺!文档内容仅供研究参考,付费前请自行鉴别。
3、如文档内容存在违规,或者侵犯商业秘密、侵犯著作权等,请点击“违规举报”。

碎片内容

扬州转炉区域三次除尘管道安装

您可能关注的文档

确认删除?
VIP
微信客服
  • 扫码咨询
会员Q群
  • 会员专属群点击这里加入QQ群
客服邮箱
回到顶部