电脑桌面
添加小米粒文库到电脑桌面
安装后可以在桌面快捷访问

明挖基础接地钢筋及结构钢筋施工技术交底

明挖基础接地钢筋及结构钢筋施工技术交底_第1页
1/2
明挖基础接地钢筋及结构钢筋施工技术交底_第2页
2/2
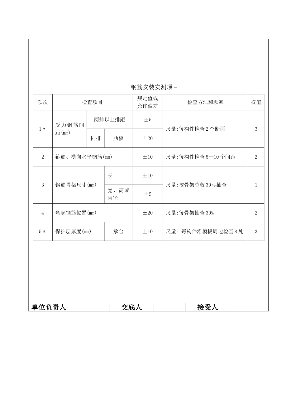
技 术 交 底 记 录工程名称九站中桥技术交底单位中铁十九局长吉城际铁路项目经理部二工区工程技术科交底项目明挖基础接地钢筋及结构钢筋施工日 期2008 年 6 月 10 日交底内容:钢筋加工及安装1、钢筋下料。根据施工图纸下料,钢筋连接采纳双面搭接焊。本次桥台施工钢筋类型为 Φ16 圆钢(接地钢筋)、Φ16 螺纹(结构钢筋),墩、台身部分钢筋需在基础施工时预埋完毕。2、安装钢筋。注意钢筋数量、位置准确、外观平顺。钢筋绑扎完毕后由质检工程师对钢筋绑扎进行检验,合格后报请监理工程师验收,经验收合格后,开始支立模板。钢筋焊接及冷拉等,严格根据冬施标准施工,假如焊接要必须在室外时,最低温度不得低于-20℃,实行防雪挡风措施,减小焊件温差,焊接后的接头严禁立即接触冰雪;冷拉钢筋不得低于-15℃。横桥向主筋根据设计在断缝处切断,用无齿锯,严禁电焊或气焊切割。焊接接头长度单面焊 10d,双面焊 5d,接头数量在受弯构件的受拉区不得大于 50%,轴心受拉构件不得大于 25%,绑扎接头数量在构件的受拉区不的大于 25%,在受压区不得大于 50%,钢筋接头应避开钢筋弯曲处,距弯曲点的距离不得小于钢筋直径的 10 倍,在同一根钢筋上应少设接头,“同一截面”内同一根钢筋上不得超过一个接头。检测项目及标准(见下表)钢筋安装实测项目项次检查项目规定值或允许偏差检查方法和频率权值1Δ受力钢筋间距(mm)两排以上排距±5尺量:每构件检查 2 个断面3同排肋板±202箍筋、横向水平钢筋(mm)±10尺量:每构件检查 5—10 个间距23钢筋骨架尺寸(mm)长±10尺量:按骨架总数 30%抽查1宽、高或直径±54弯起钢筋位置(mm)±20尺量:每骨架抽查 30%25Δ保护层厚度(mm)承台±10尺量:每构件沿模板周边检查 8 处3单位负责人交底人接受人

1、当您付费下载文档后,您只拥有了使用权限,并不意味着购买了版权,文档只能用于自身使用,不得用于其他商业用途(如 [转卖]进行直接盈利或[编辑后售卖]进行间接盈利)。
2、本站所有内容均由合作方或网友上传,本站不对文档的完整性、权威性及其观点立场正确性做任何保证或承诺!文档内容仅供研究参考,付费前请自行鉴别。
3、如文档内容存在违规,或者侵犯商业秘密、侵犯著作权等,请点击“违规举报”。

碎片内容

明挖基础接地钢筋及结构钢筋施工技术交底

您可能关注的文档

确认删除?
VIP
微信客服
  • 扫码咨询
会员Q群
  • 会员专属群点击这里加入QQ群
客服邮箱
回到顶部