电脑桌面
添加小米粒文库到电脑桌面
安装后可以在桌面快捷访问

明挖扩大基础施工方案

明挖扩大基础施工方案_第1页
1/10
明挖扩大基础施工方案_第2页
2/10
明挖扩大基础施工方案_第3页
3/10
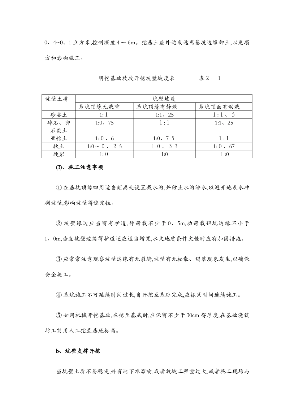
明挖扩大基础1、基础定位放线在基础开挖前,先进行基础得定位放线工作,以便正确地将图纸上得基础位置准确地设置到桥址上来。放样工作系根据桥梁得中心线与墩台得纵横轴线,推出基础边线得定为点,再放线划出基坑得开挖范围,具体得定为工作视基坑得深浅而有所不同。基坑较浅时,可使用挂线板划,拉线挂锤球进行定位;基坑较深时,用设置定位桩形成定位线等进行定位,基坑各制点标高及开挖过程中标高得检查按一般水准测量方法进行。2、施工方法对刚性扩大基础得施工,一般采纳明挖,根据开挖深度、边坡土质、渗水情况、及施工场地、开挖方式、施工方法可以有多种选择。本标段因河床干涸、无水 ,故可采纳放坡开挖及坑壁支撑开挖方法。a、放坡开挖(1)、测量放线应在基础开挖前通知监理工程师,检查、测量基础平面位置和现有地面标高。用经纬仪测出墩、台基础纵、横中心线,放出上口开挖边桩,边坡得放坡率可参照下表 2-1。基坑下口开挖得大小应满足基础施工得要求,渗水得土质,基底平面尺寸可适当加宽 50cm-10 0cm,便于设置排水沟和安装模扳,其她情况可放小加宽尺寸,不设基础模板时,按设计平面尺寸开挖。 (2)、开挖作业方式以机械作业为主,采纳反铲挖掘机配自卸汽车运输作业辅以人工清槽。单斗挖掘机(反铲)斗容量根据上方量和运输车辆得配置可选择0、4~0、1 立方米,控制深度 4 一 6m。挖基土应外运或远离基坑边缘卸土,以免塌方和影响施工。 明挖基础放坡开挖坑壁坡度表 表2-1坑壁土质坑壁坡度基坑顶缘无载重基坑顶缘有静载基坑顶面有动载砂类土1:11:1、251:1、5碎石、卯石类土1:0、751:11:1、25亚粘土1:0、61:0、7 51:1软土1:0~0、2 51:0、3 31:0、67硬岩1:01:01:0(3)、施工注意事项① 在基坑顶缘四周适当距离处设置截水沟,并防止水沟渗水,以避开地表水冲刷坑壁,影响坑壁得稳定性。② 坑壁缘边应当留有护道,静荷载不少于 0、5m,动荷载距坑边缘不小于1、0m,垂直坑壁边缘得护道还应适当增宽,水文地质条件欠佳时应有加固措施。③ 应常常注意观察坑壁边缘有无裂缝,坑壁有无松散、塌落现象发生,以确保安全施工。④ 基坑施工不可延续时间过长,自开挖至基础完成,应抓紧时间连续施工。⑤ 如用机械开挖基础,在挖至基底时,应保留不少于 30cm 得厚度,在基础浇筑圬工前用人工挖至基底标高。b、坑壁支撑开挖当坑壁土质不易稳定,并有地下水影响,或者放坡工程量过大,或者施工现场与临近建筑物靠近,不能采纳放坡开挖时,要采纳直衬板支...

1、当您付费下载文档后,您只拥有了使用权限,并不意味着购买了版权,文档只能用于自身使用,不得用于其他商业用途(如 [转卖]进行直接盈利或[编辑后售卖]进行间接盈利)。
2、本站所有内容均由合作方或网友上传,本站不对文档的完整性、权威性及其观点立场正确性做任何保证或承诺!文档内容仅供研究参考,付费前请自行鉴别。
3、如文档内容存在违规,或者侵犯商业秘密、侵犯著作权等,请点击“违规举报”。

碎片内容

明挖扩大基础施工方案

您可能关注的文档

确认删除?
VIP
微信客服
  • 扫码咨询
会员Q群
  • 会员专属群点击这里加入QQ群
客服邮箱
回到顶部