电脑桌面
添加小米粒文库到电脑桌面
安装后可以在桌面快捷访问

最新版水利水电工程工程质量评定表填表样例

最新版水利水电工程工程质量评定表填表样例_第1页
1/111
最新版水利水电工程工程质量评定表填表样例_第2页
2/111
最新版水利水电工程工程质量评定表填表样例_第3页
3/111
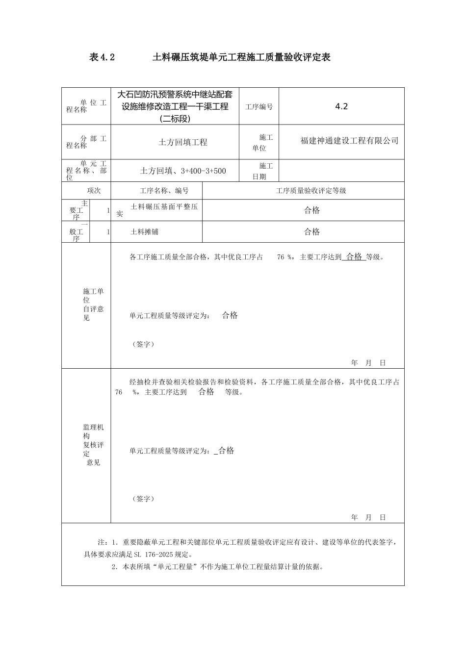
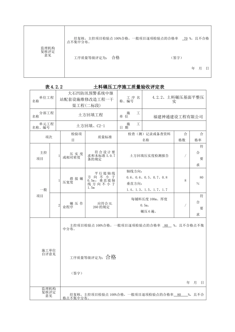
表 4.2 土料碾压筑堤单元工程施工质量验收评定表单 位 工程名称大石凹防汛预警系统中继站配套设施维修改造工程一干渠工程 (二标段)工序编号4.2分 部 工程名称土方回填工程施工单位福建神通建设工程有限公司单 元 工程 名 称 、 部位土方回填、3+400-3+500施工日期项次工序名称、编号工序质量验收评定等级主要工序1土料碾压基面平整压实合格一般工序1土料摊铺合格施工单位自评意见各工序施工质量全部合格,其中优良工序占 76 %,主要工序达到 合格 等级。单元工程质量等级评定为: 合格(签字) 年 月 日 监理机构复核评定意见经抽检并查验相关检验报告和检验资料,各工序施工质量全部合格,其中优良工序占 76 %,主要工序达到 合格 等级。单元工程质量等级评定为: 合格(签字) 年 月 日 注:1.重要隐蔽单元工程和关键部位单元工程质量验收评定应有设计、建设等单位的代表签字,具体要求应满足 SL 176-2025 规定。 2.本表所填“单元工程量”不作为施工单位工程量结算计量的依据。表 4.2.1 土料摊铺工序施工质量验收评定表单位工程名称大石凹防汛预警系统中继站配套设施维修改造工程一干渠工程 (二标段)工 序 名称、编号4.2.1、土料摊铺分部工程名称土方回填工程施 工 单 位福建神通建设工程有限公司单元工程名称、编号土方回填、C2-1施 工 日 期项次检验项目质量标准检查(测)记录或备查资料名称合格数合格率 主控项目1土块直径符合表5.0.5-2 的要求铺料厚度 50cm、限制直径≤15cm;15cm、16cm、17cm、14cm、13cm、12cm、10cm、12cm、14cm、9cm880%2铺土厚度符合碾压试验或表 5.0.5-2的要求;允许偏差为-5.0~0 cm18t 振动碾、铺料厚度 50cm;54cm、47cm、47cm、51cm、50cm、52cm、57cm、56cm、51cm、52cm880%一般项目1作业面 分 段 长度人 工 作 业 不小于 50m;机械作业不小于 100m机械作业;100.5m、100.2m、100.1m、99.5m、99.3m、100.2m、100.0m、100.1m、100.1m、99.1m、770%2铺填边 线 超 宽值人 工 铺 料 大于 10cm;机械铺料大于 30cm机械铺料;34cm、32cm、44cm、18cm、17cm、27cm、33cm、30cm、41cm、39cm770%防渗体: 0~10cm/包边盖顶:0~10cm/施工单位自评意见主控项目检验点 100%合格,一般项目逐项检验点的合格率 70 %,且不合格点不集中分布。工序质量等级评定为:合格 (签字) 年 月 日 监理机构复核评定意见经复核,主控项目检验点 ...

1、当您付费下载文档后,您只拥有了使用权限,并不意味着购买了版权,文档只能用于自身使用,不得用于其他商业用途(如 [转卖]进行直接盈利或[编辑后售卖]进行间接盈利)。
2、本站所有内容均由合作方或网友上传,本站不对文档的完整性、权威性及其观点立场正确性做任何保证或承诺!文档内容仅供研究参考,付费前请自行鉴别。
3、如文档内容存在违规,或者侵犯商业秘密、侵犯著作权等,请点击“违规举报”。

碎片内容

最新版水利水电工程工程质量评定表填表样例

您可能关注的文档

确认删除?
VIP
微信客服
  • 扫码咨询
会员Q群
  • 会员专属群点击这里加入QQ群
客服邮箱
回到顶部