电脑桌面
添加小米粒文库到电脑桌面
安装后可以在桌面快捷访问

某工程监理实施细则VIP专享

某工程监理实施细则_第1页
1/9
某工程监理实施细则_第2页
2/9
某工程监理实施细则_第3页
3/9
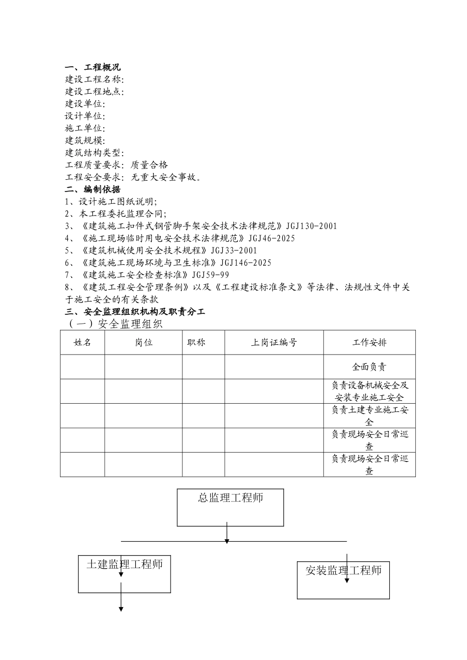
工程编制:审批: 建设项目管理有限公司 项目监理部 年 月 日目 录一、 工程概况二、 编制依据三、 安全监理组织机构及职责分工(一)安全监理组织(二)岗位职责四、 开工前安全监理工作五、 现场安全监理的主要工作六、 现场文明施工一、工程概况建设工程名称: 建设工程地点: 建设单位: 设计单位: 施工单位: 建筑规模: 建筑结构类型: 工程质量要求:质量合格工程安全要求:无重大安全事故。二、编制依据1、设计施工图纸说明;2、本工程委托监理合同;3、《建筑施工扣件式钢管脚手架安全技术法律规范》JGJ130-20014、《施工现场临时用电安全技术法律规范》JGJ46-20255、《建筑机械使用安全技术规程》JGJ33-20016、《建筑施工现场环境与卫生标准》JGJ146-20257、《建筑施工安全检查标准》JGJ59-998、《建筑工程安全管理条例》以及《工程建设标准条文》等法律、法规性文件中关于施工安全的有关条款三、安全监理组织机构及职责分工(一)安全监理组织姓名岗位职称上岗证编号工作安排全面负责负责设备机械安全及安装专业施工安全负责土建专业施工安全负责现场安全日常巡查负责现场安全日常巡查土建监理工程师安装监理工程师总监理工程师(二)岗位职责总监理工程师职责1、严格根据安全生产的法律、法规和工程建设强制性标准实施监理,并对建设工程安全生产承担监理责任。2、确定工程项目安全监理机构和人员,明确监理人员的安全监理岗位职责。指导监理机构开展安全监理工作。3、审批施工单位报送的《施工组织设计》(专项施工方案)。4、督促、检查专业监理工程师、监理员实施安全岗位职责。5、组织工程建设各方定期、不定期地对施工现场安全生产情况开展检查。6、发现有重大安全事故隐患时,及时签发《暂停施工令》,并报告建设单位。施工单位对重大安全事故隐患拒不整改或不停止施工的,应及时向建设单位和建设行政主管部门报告。7、在发生重、特大安全生产事故时,要督促施工单位按《安全生产管理条例》的相关要求及时向上级建设行政主管部门报告,并督促施工单位做好事故现场的保护和善后工作,协助有关部门做好事故调查、处理工作。专业监理工程师职责1、根据专业分工,履行各自的监督检查职责,并承担相应的安全监理责任。2、积极参加总监组织的安全生产检查工作,提出检查意见。指导监理员做好安全监理的旁站、巡视、检查工作。3、审核施工单位报送的《施工组织设计》(专项施工方案),并提出自己的审核意见。督促...

1、当您付费下载文档后,您只拥有了使用权限,并不意味着购买了版权,文档只能用于自身使用,不得用于其他商业用途(如 [转卖]进行直接盈利或[编辑后售卖]进行间接盈利)。
2、本站所有内容均由合作方或网友上传,本站不对文档的完整性、权威性及其观点立场正确性做任何保证或承诺!文档内容仅供研究参考,付费前请自行鉴别。
3、如文档内容存在违规,或者侵犯商业秘密、侵犯著作权等,请点击“违规举报”。

碎片内容

某工程监理实施细则

确认删除?
VIP
微信客服
  • 扫码咨询
会员Q群
  • 会员专属群点击这里加入QQ群
客服邮箱
回到顶部