电脑桌面
添加小米粒文库到电脑桌面
安装后可以在桌面快捷访问

模板工程施工技术安全交底

模板工程施工技术安全交底_第1页
1/6
模板工程施工技术安全交底_第2页
2/6
模板工程施工技术安全交底_第3页
3/6
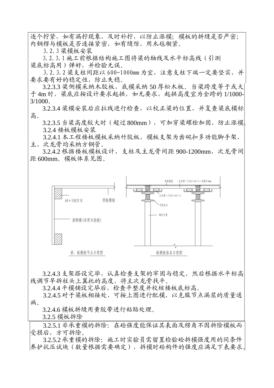
交底内容: 模板工程施工技术、安全交底1、工程概况: 本工程的现浇砼构件主要有剪力墙、柱、梁、板等,均采纳木胶板。2、施工准备: 2.1 材料及主要机具: 2.1.1 模板:竹胶板(1220×2440×10mm)。 2.1.2 连接附件:对拉螺栓、3 形扣件等。 2.1.3 支撑系统:齿碗扣式多功能脚手架、早拆柱头、钢管(φ48×3.5)、方钢管(□40×60×2.5)、木方(50×100)等。 2.1.4 脱模剂:水质隔离剂。2.1.5 主要工具:电钻、榔头、扳手、钢卷尺、线坠等。2.2 作业条件:2.2.1 施工前应进行模板设计,竖肋全考虑为 50*100 方木,间距300mm,横肋为:φ48*3.0 钢管间距 600mm;顶板模板支撑体系立柱采纳碗扣 架 间 距 为 1.2m 、 0.9m ( 计 算 时 选 用 1.2m ) , 主 次 龙 骨 均 采 纳□60*40*2.5 的方钢管,次龙骨间距按 300mm 满铺。经验算模板及支撑体系的强度、刚度和稳定性符合要求。2.2.2 模板施工前,墙、柱、梁钢筋应绑扎完毕,水电管线、预留洞安装完毕,并经过检查验收合格。2.2.3 施工缝处的松动砼及杂物已清理清净,轴线、模板边线已弹好,控制标高线引测完毕。2.2.4 模板承垫底部,根据控制标高线用 1:3 水泥砂浆准确找平。2.2.5 在墙柱主筋上离地 50~100mm 的高度上,根据模板线点焊底部撑筋,防止模板位移;根据模板配板布置,每块竹胶板的四角部位也应绑扎撑筋,以确保模板拼接处的平整度。2.2.6 模板安装前应认真涂刷脱模剂。2.2.7 梁和楼板模板的支柱设在土壤地面上时,应将基土事先整平夯实,支柱底部加垫木,同时实行排水措施。2.2.8 柱、墙模板安装时应预留清扫口和浇筑口(浇筑高度较大时)。3、操作工艺3.1 工艺流程:(按下页图进行控制)3.2 操作工艺:3.2.1 墙模板安装3.2.1.1 墙模板安装采纳两侧模板同时安装,安装时木胶板四周均用双面海绵胶带进行粘贴处理,以防止浇筑砼时漏浆。为便于立模,同时防止模板在拼缝处错台,可在模板的水平(或竖直)拼缝处钉 50×100 方木进行固定,由下向上逐块进行安装。3.2.1.2 模板加固:采纳穿墙螺栓拉结。根据模板设计计算,穿墙螺栓直径 φ12,纵横间距均按 600mm;模板内背楞(竖向)采纳 50*100 方木,间距 200mm;外背楞(横向)采纳 φ48×3.5 钢管,间距 600mm。施工时应严格根据设计计算的要求进行。 模板工程流程图 砼结构工程施工质量验收法律规范 施工图纸 技术交底 模板、固定件、支承件施工...

1、当您付费下载文档后,您只拥有了使用权限,并不意味着购买了版权,文档只能用于自身使用,不得用于其他商业用途(如 [转卖]进行直接盈利或[编辑后售卖]进行间接盈利)。
2、本站所有内容均由合作方或网友上传,本站不对文档的完整性、权威性及其观点立场正确性做任何保证或承诺!文档内容仅供研究参考,付费前请自行鉴别。
3、如文档内容存在违规,或者侵犯商业秘密、侵犯著作权等,请点击“违规举报”。

碎片内容

模板工程施工技术安全交底

您可能关注的文档

确认删除?
VIP
微信客服
  • 扫码咨询
会员Q群
  • 会员专属群点击这里加入QQ群
客服邮箱
回到顶部