电脑桌面
添加小米粒文库到电脑桌面
安装后可以在桌面快捷访问

沼气设备安装施工技术方案

沼气设备安装施工技术方案_第1页
1/25
沼气设备安装施工技术方案_第2页
2/25
沼气设备安装施工技术方案_第3页
3/25
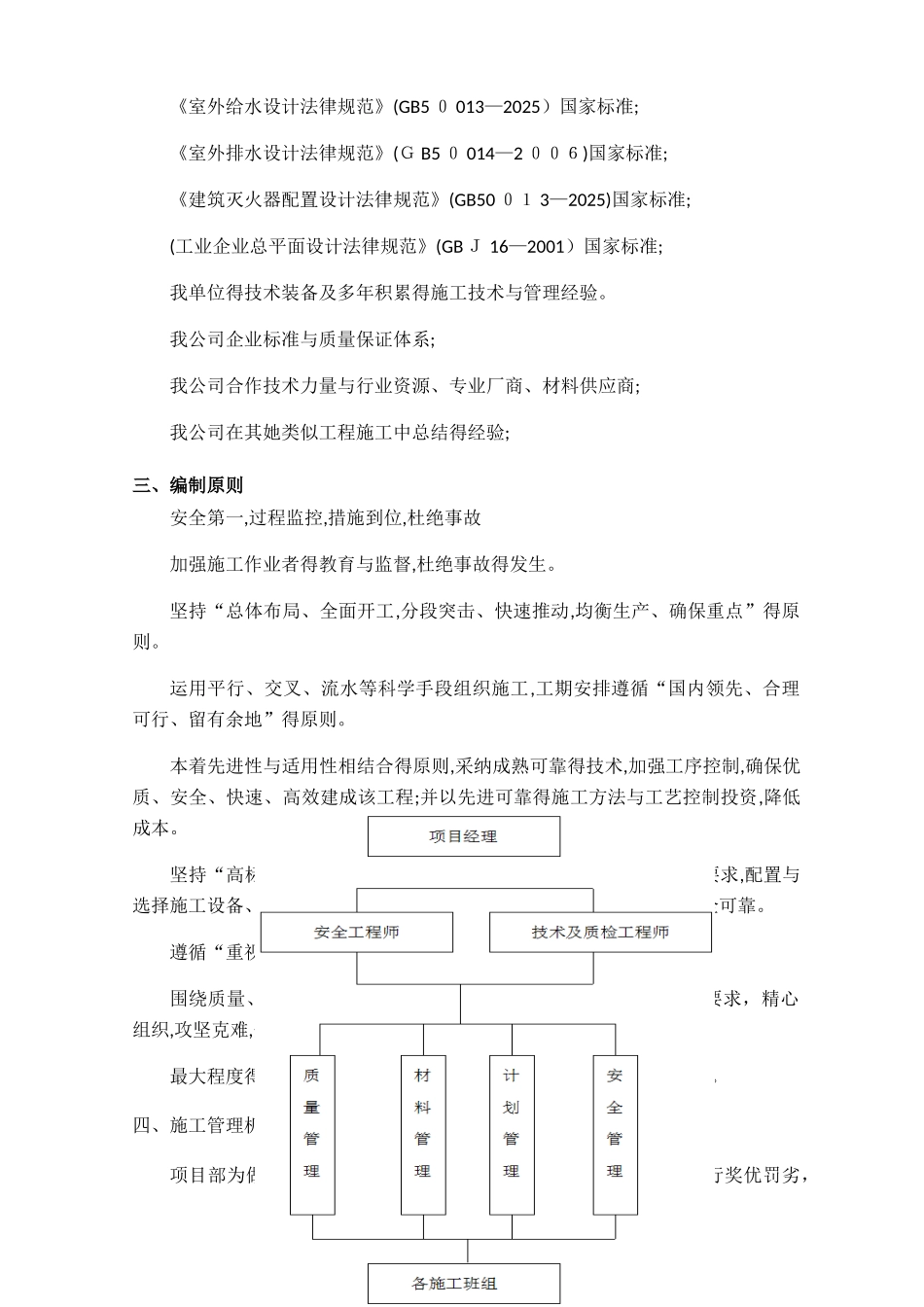
沼气设备安装施工技术方案一、本工程主要设备预处理单元:集污池 1、2m×1、2m×1、6 7m(H) 1 座 沼气生产:发酵罐 φ1、8m×2m(H) 1 座 存储单元:储气柜 容积 4、5 m³ 1座 集装箱 6 m×2、5 m×2、5m(H) 1座 辅助配置:详见招标文件设备清单部分 二、 编制依据 《工程测量法律规范》(G B 5002 6-9 3)《地基与基础工程施工及验收法律规范》(GBJ 20 2-83)《混凝土结构工程施工及验收法律规范》(G B5 02 04-92)《建筑机械使用安全法律规范》(GB1 0 1 87-9 1)《钢制焊接常压容器》J G/T4 7 35-19 9 7《工业设备、管道焊接工程施工验收法律规范》G B 50235-97《石油化工立式圆筒形钢制焊接储罐设计法律规范》(S H 304 6-9 2)《立式圆筒形钢制焊接贮罐施工及验收法律规范》(G B50128-2025)《钢制压力容器焊接规程》(JB/4 70 9-2000)《建筑结构设计可靠度设计统一标准》(G B5 00 68—2 0 01)国家标准;《建筑结构荷载法律规范》(GB500 9—200 1)国家标准(2025 局部修订);《混凝土结构设计法律规范》(GB 50010—2025)国家标准;(《建筑抗震设计规程》(GB5 0 0 1 1—2001)国家标准 (2 0 08 局部修订);《钢结构设计法律规范》(GB500 1 7—2 0 03)国家标准;《地表水环境质量标准》(G B 3 838—2025)国家标准;《建筑给水排水设计法律规范》(GB50015—2 0 0 3)国家标准;《室外给水设计法律规范》(GB5 0 013—2025)国家标准;《室外排水设计法律规范》(G B5 0 014—2 006)国家标准;《建筑灭火器配置设计法律规范》(GB50 01 3—2025)国家标准;(工业企业总平面设计法律规范》(GB J 16—2001)国家标准;我单位得技术装备及多年积累得施工技术与管理经验。我公司企业标准与质量保证体系;我公司合作技术力量与行业资源、专业厂商、材料供应商;我公司在其她类似工程施工中总结得经验;三、编制原则安全第一,过程监控,措施到位,杜绝事故加强施工作业者得教育与监督,杜绝事故得发生。坚持“总体布局、全面开工,分段突击、快速推动,均衡生产、确保重点”得原则。运用平行、交叉、流水等科学手段组织施工,工期安排遵循“国内领先、合理可行、留有余地”得原则。本着先进性与适用性相结合得原则,采纳成熟可靠得技术,加强工序控制,确保优质、安全、快速、高效建成该工程;并以先进可靠得施工方法与工艺...

1、当您付费下载文档后,您只拥有了使用权限,并不意味着购买了版权,文档只能用于自身使用,不得用于其他商业用途(如 [转卖]进行直接盈利或[编辑后售卖]进行间接盈利)。
2、本站所有内容均由合作方或网友上传,本站不对文档的完整性、权威性及其观点立场正确性做任何保证或承诺!文档内容仅供研究参考,付费前请自行鉴别。
3、如文档内容存在违规,或者侵犯商业秘密、侵犯著作权等,请点击“违规举报”。

碎片内容

沼气设备安装施工技术方案

您可能关注的文档

确认删除?
VIP
微信客服
  • 扫码咨询
会员Q群
  • 会员专属群点击这里加入QQ群
客服邮箱
回到顶部