电脑桌面
添加小米粒文库到电脑桌面
安装后可以在桌面快捷访问

用PLC实现彩灯的控制

用PLC实现彩灯的控制_第1页
1/8
用PLC实现彩灯的控制_第2页
2/8
用PLC实现彩灯的控制_第3页
3/8
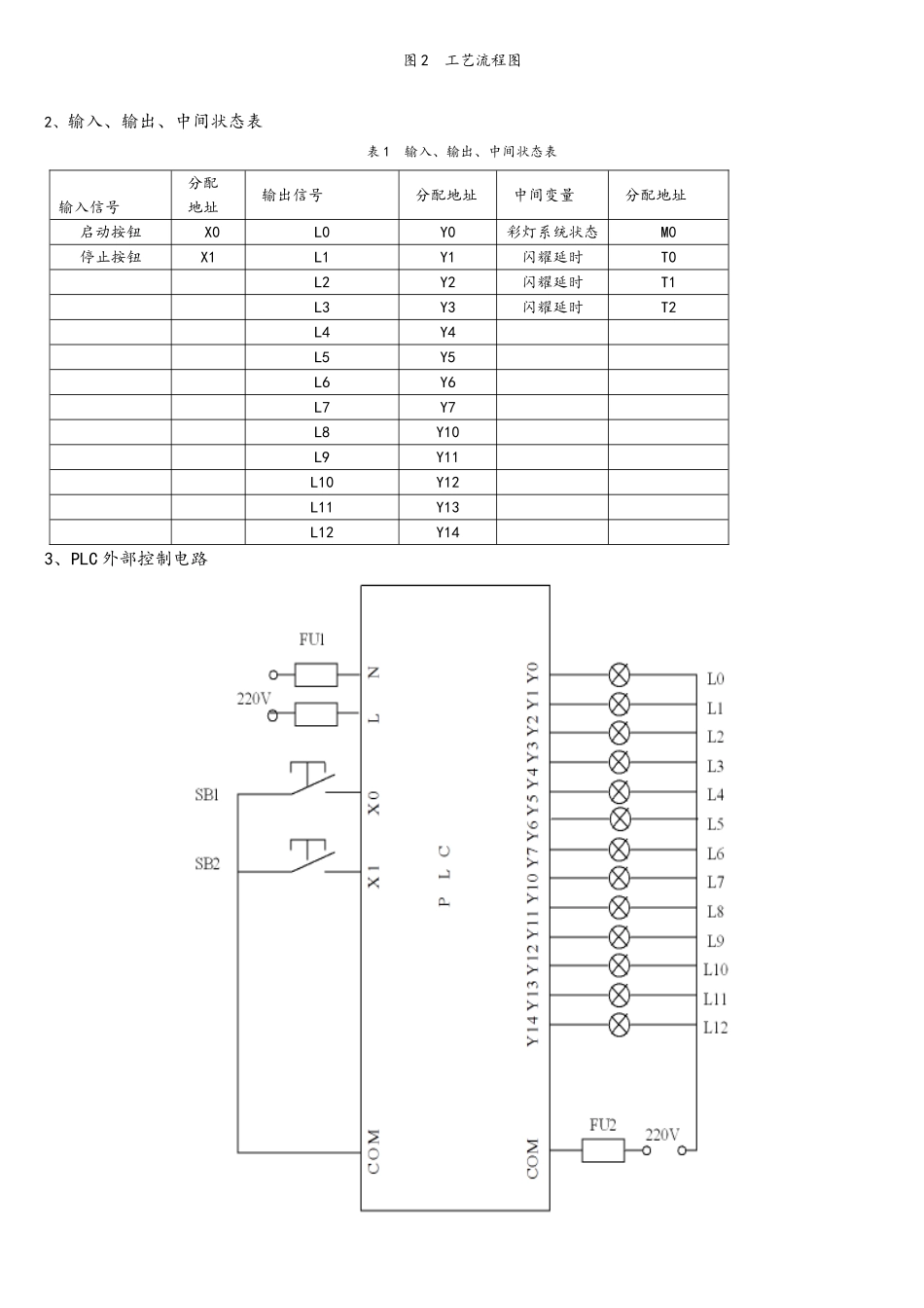
电气信息学院自 创 实 验 报 告课程名称:可编程控制器原理及应用 指导老师: 日期:2025 。 5.23 学生姓名: 专业: 测控技术与仪器 年级: 2025 级 学号: 组号: 实验室:可编程控制实验室 课程代码: 实验名称: 用 PLC 实现彩灯的控制 一、 实验项目的提出 在现实生活中,随着社会市场经济的不断繁荣和进展,各种装饰彩灯,广告彩灯越来越多地出现在城市中。在大型的晚会现场,彩灯更是成为不可缺少的一道景观。小型的彩灯多为采纳霓虹灯管做成各种各样和多种色彩的灯管,或是以日光灯、白炽灯作为光源,另配大型广告语、宣传画来表达效果。这些灯的控制设备多为数字电路。而在现代的生活中,大型楼宇的轮廓装饰或大型晚会的灯光布景,由于其变化多、功率大,数字电路则不能胜任。针对 PLC 日益得到广泛应用的现状,本为介绍 PLC 在对彩灯的控制应用,灯的亮灭、闪耀时间及流动方向的控制均通过 PLC 来达到控制要求。二、实验目的本实验旨在利用在学校所学的 PLC 知识,应用于彩灯控制系统中。掌握如何应用 PLC 来设计一套彩灯自动控制系统的方法以及在设计中对 PLC 机型的选择、PLC 输入/输出点数的选择和 PLC 程序的编制,为以后打下一个基础。本次设计使用 PLC 来控制变幻灯和流水灯(其流水方式递增),其实现流动方式是以 1s 的流动速率,由圆心向外扩张的方向,每个圆弧上的灯依次增加.使学生在对 PLC 硬件和软件的控制上得到更直接的了解. 三、 实验项目的要求1、按下启动按钮,圆心灯亮 1s 后灭,接着第一个圆环上的灯亮,1s 后灭,再接着第二个圆环上的灯亮,如此循环下去。2、按下停止按钮,所有灯都灭。 四、实验仪器设备:可编程控制器 FX2N-48MR、硬件模拟输入板、计算机,通讯转换器 JH—04 或 SC—08,Gppw(基于WINDOWS 平台且带模拟运行功能的编程平台),易控组态软件等。五、实验项目设计5。1 系统设计 系统构成如图 1 所示。 成绩: 图 1 系统结构框图 选择三菱 FX2N PLC 作为控制器,其编程平台选用 CX Developer;易控组态软件。5.2 PLC 控制系统设计1、系统的工作流程分析 如图所示图 2 为系统工作流程图,图三为彩灯工作示意图。1)按下启动按钮(即 X0 导通),L0 亮,同时计时器 T0、T1、T2 开始计时。2)1s 后 T0 导通,L0 灭,L1~L4 亮.3)2s 后 T1 导通,L1~L4 灭,L5~L12 亮。4)3s 后 T2 导通,L5~L12 灭,L1 亮,依次...

1、当您付费下载文档后,您只拥有了使用权限,并不意味着购买了版权,文档只能用于自身使用,不得用于其他商业用途(如 [转卖]进行直接盈利或[编辑后售卖]进行间接盈利)。
2、本站所有内容均由合作方或网友上传,本站不对文档的完整性、权威性及其观点立场正确性做任何保证或承诺!文档内容仅供研究参考,付费前请自行鉴别。
3、如文档内容存在违规,或者侵犯商业秘密、侵犯著作权等,请点击“违规举报”。

碎片内容

用PLC实现彩灯的控制

一二三四传媒+ 关注
实名认证
内容提供者

大量资料供您选择,没有合适的可以联系小二。

确认删除?
VIP
微信客服
  • 扫码咨询
会员Q群
  • 会员专属群点击这里加入QQ群
客服邮箱
回到顶部