电脑桌面
添加小米粒文库到电脑桌面
安装后可以在桌面快捷访问

电气控制及PLC试卷A及答案

电气控制及PLC试卷A及答案_第1页
1/10
电气控制及PLC试卷A及答案_第2页
2/10
电气控制及PLC试卷A及答案_第3页
3/10
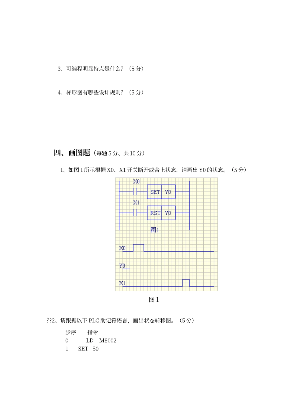
浙江理工大学继续教育学院 学年第三学期《电气控制及 PLC》试卷(A 卷)考试时间:90 分钟 闭卷 任课老师:班级: 学号: 姓名: 成绩:一、填空题(每空 1 分、共 30 分)1、 电气控制技术的拖动方式可以分为: 、 、 。2、 通常低压是指沟通 ,直流 。3、 低压控制电器常用的具体灭弧方法有 、 、 、 。4、 热继电器主要参数有 、 、 、 及 。 5、 笼型异步电动机的电气制动方法有: 、 。 6、 可编程控制器主要由 、 、 、 组成。7、 PLC 的输入电路大都相同,通常有三种类型。分别为 、 、 。 8、PLC 工作时采纳 的工作方式。全过程扫描一次所需的时间称为 。 9、PLC 工作过程分为 、 、 、 、 。 二、选择题(每题 2 分、共 20 分)1、速度继电器的动作转速一般不低于( )。 A、0r/m B、120r/m C、1000r/m D、3600r/m2、( )的作用是将一个输入信号变成多个输出信号或将信号放大的继电器。A、中间继电器 B、沟通继电器 C、热继电器 D、时间继电器装订线 3、 绕线转子异步电动机一般采纳( )。A、电阻分级起动 B、星形-三角形减压起动 C、串电阻减压起动 D、自耦变压器减压起动。 4、PLC 的输出有三种形式:继电器输出,晶体管输出,晶闸管输出。请问只能带直流负载是哪种输出形式。( )A、继电器输出 B、晶体管输出 C、晶闸管输出 D、其它 5、在电气控制回路中,启动按键在多地控制中是( )联结。A、串联 B、并联 C、既可串联又可并联 D、其它 6、在电气控制回路中,停止按键在多地控制中是( )联结。A、串联 B、并联 C、既可串联又可并联 D、其它 7、熔断器具有( )保护。A、短路 B、过载 C、欠压 D、过电流8、热继电器具有( )保护。A、短路 B、过载 C、欠压 D、过电流9、沟通继电器具有( )保护。A、短路 B、过载 C、失压 D、过电流10、低压断路器具有( )保护。 A、短路 B、过载 C、欠压 D、过电流三、问答题(每题 5 分、共 20 分)1、 熄灭电弧的主要措施有哪些?(5 分)2、熔断器的选择的原则是什么?(5 分) 3、可编程明显特点是什么?(5 分) 4、梯形图有哪些设计规则?(5 分)四、画图题(每题 5 分、共 10 分)1、如图 1 所示根据 X0、X1 开关断开或合上状态,请画出 Y0 的状态。(5 分)图 1??2、请跟据以下 PLC 助记符语言,画出状态转移图。(5 分)步序 指令0 LD ...

1、当您付费下载文档后,您只拥有了使用权限,并不意味着购买了版权,文档只能用于自身使用,不得用于其他商业用途(如 [转卖]进行直接盈利或[编辑后售卖]进行间接盈利)。
2、本站所有内容均由合作方或网友上传,本站不对文档的完整性、权威性及其观点立场正确性做任何保证或承诺!文档内容仅供研究参考,付费前请自行鉴别。
3、如文档内容存在违规,或者侵犯商业秘密、侵犯著作权等,请点击“违规举报”。

碎片内容

电气控制及PLC试卷A及答案

确认删除?
VIP
微信客服
  • 扫码咨询
会员Q群
  • 会员专属群点击这里加入QQ群
客服邮箱
回到顶部