电脑桌面
添加小米粒文库到电脑桌面
安装后可以在桌面快捷访问

砖混外砖内模结构钢筋绑扎技术交底

砖混外砖内模结构钢筋绑扎技术交底_第1页
1/4
砖混外砖内模结构钢筋绑扎技术交底_第2页
2/4
砖混外砖内模结构钢筋绑扎技术交底_第3页
3/4
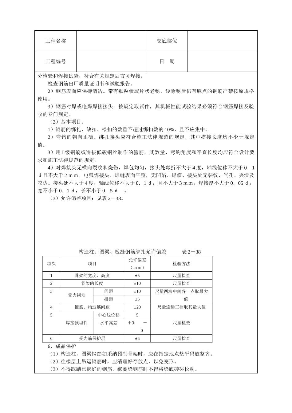
工程名称交底部位工程编号日 期交底内容:砖混、外砖内模结构钢筋绑扎本技术交底适用于工业与民用建筑砖混结构、外砖内模结构的构造柱、圈梁、板缝钢筋绑扎工程。1.材料要求(1)钢筋出厂合格证和复试试验报告结论均要符合设计和法律规范要求。 (2)成型钢筋、20~22 号火烧丝、水泥砂浆垫块(或塑料卡)。2.主要机具钢筋钩子、小撬棍、钢筋板子、绑扎架、钢丝刷、运钢筋手推车、粉笔、脚手架、工作台等。3.作业条件(1)按施工平面图规定的位置平整好场地,按不同规格型号垫好堆放。(2)进场钢筋应对比设计图纸和配料单,详细核对其型号、尺寸、数量、钢号、对焊的接焊质量。(3)弹好标高水平线及构造柱、外砖内模混凝土墙的外皮线。(4)圈梁及板缝模板已做完预检记录,并将模内杂物清理洁净。(5)预制圆孔板的端孔已按标准图(京 92G41)的要求堵好。 4.操作工艺(1)构造柱钢筋绑扎:工艺流程:预制构造柱钢筋骨架→修整底层伸出的构造柱搭接筋→安装构造柱钢筋骨架→绑扎搭接部位箍筋1)预制构造柱钢筋骨架:A.先将两根竖向受力筋平放在绑扎架上,画箍筋间距。B.根据画线位置,将箍筋套在受力筋上逐个绑扎;要预留出搭接部位的长度。为防止骨架变形宜采纳反十字扣或套扣绑扎。注意箍筋搭接处,沿受力钢筋方向错开绑扎。C.穿另二根受力筋并与箍筋绑扎牢固。箍筋端头平直长度不小于 10d(d 为箍筋直径),弯钩角度不小于 135 度。D.在柱顶、柱脚与圈梁钢筋交接的部位,应按设计要求加密柱的箍筋,加密范围一般在圈梁上下均不应小于六分之一层高或 45 厘米,箍筋间距不宜大于 10 厘米(柱脚的加密箍筋待柱骨架立起搭接后再绑扎)。 2)修整底层伸出的搭接筋:根据已放好的构造柱位置线,检查搭接筋位置及搭接长度是否符合设计和法律规范要求。底层构造柱的竖筋与基础圈梁锚固,无基础圈梁时埋设在柱根混凝土座内。当墙体附有管沟时,构造柱埋设深度应大于沟深。 3)先将箍筋(搭接处的)套在搭接筋上,然后再将预制构造柱钢筋骨架立起,对正伸出的搭接筋,注意搭接倍数不低于 35d,对好标高线后在竖筋搭接部位各绑三个扣,待骨架调正后绑工程名称交底部位工程编号日 期根部加密箍筋。4)构造柱钢筋必须与各层纵横墙的圈梁钢筋绑扎连接,形成一封闭框架。5)为固定构造柱钢筋的位置,在砌砖墙马牙槎时,沿墙高每 50 厘米设两根 φ6 水平拉结筋与构造柱钢筋绑扎连接。6)当构造柱设置在无横墙的外墙时,构造柱、钢筋与现浇...

1、当您付费下载文档后,您只拥有了使用权限,并不意味着购买了版权,文档只能用于自身使用,不得用于其他商业用途(如 [转卖]进行直接盈利或[编辑后售卖]进行间接盈利)。
2、本站所有内容均由合作方或网友上传,本站不对文档的完整性、权威性及其观点立场正确性做任何保证或承诺!文档内容仅供研究参考,付费前请自行鉴别。
3、如文档内容存在违规,或者侵犯商业秘密、侵犯著作权等,请点击“违规举报”。

碎片内容

砖混外砖内模结构钢筋绑扎技术交底

您可能关注的文档

不二商店+ 关注
实名认证
内容提供者

我是你的不二选择

确认删除?
VIP
微信客服
  • 扫码咨询
会员Q群
  • 会员专属群点击这里加入QQ群
客服邮箱
回到顶部