电脑桌面
添加小米粒文库到电脑桌面
安装后可以在桌面快捷访问

脚手架工程施工方案汇编

脚手架工程施工方案汇编_第1页
1/15
脚手架工程施工方案汇编_第2页
2/15
脚手架工程施工方案汇编_第3页
3/15
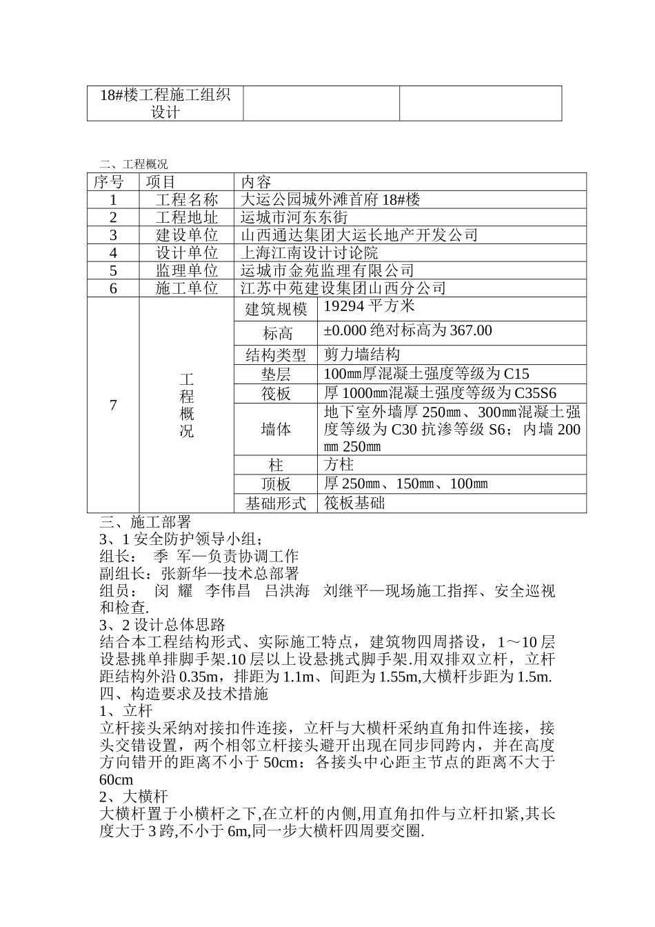
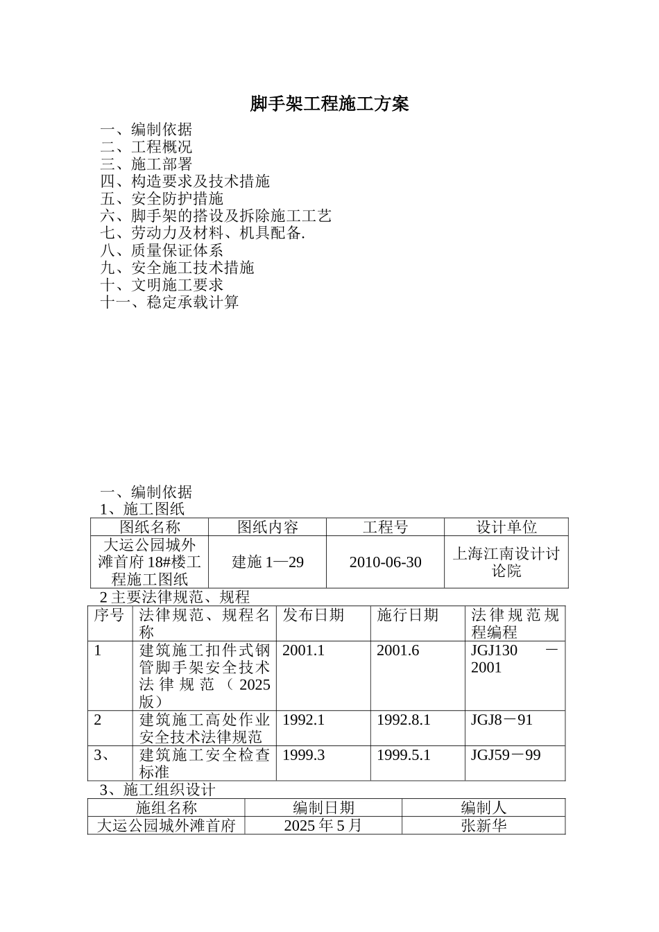
脚手架工程施工方案一、编制依据二、工程概况三、施工部署四、构造要求及技术措施五、安全防护措施六、脚手架的搭设及拆除施工工艺七、劳动力及材料、机具配备.八、质量保证体系九、安全施工技术措施十、文明施工要求十一、稳定承载计算一、编制依据1、施工图纸图纸名称图纸内容工程号设计单位大运公园城外滩首府 18#楼工程施工图纸建施 1—292010-06-30上海江南设计讨论院2 主要法律规范、规程序号法律规范、规程名称发布日期施行日期法 律 规 范 规程编程1建筑施工扣件式钢管脚手架安全技术法 律 规 范 ( 2025版)2001.12001.6JGJ130-20012建筑施工高处作业安全技术法律规范1992.11992.8.1JGJ8-913、建筑施工安全检查标准1999.31999.5.1JGJ59-993、施工组织设计施组名称编制日期编制人大运公园城外滩首府2025 年 5 月张新华18#楼工程施工组织设计二、工程概况序号项目内容1工程名称大运公园城外滩首府 18#楼2工程地址运城市河东东街3建设单位山西通达集团大运长地产开发公司4设计单位上海江南设计讨论院5监理单位运城市金苑监理有限公司6施工单位江苏中苑建设集团山西分公司7工程概况建筑规模19294 平方米 标高±0.000 绝对标高为 367.00结构类型剪力墙结构垫层100㎜厚混凝土强度等级为 C15筏板厚 1000㎜混凝土强度等级为 C35S6墙体地下室外墙厚 250㎜、300㎜混凝土强度等级为 C30 抗渗等级 S6;内墙 200㎜ 250㎜柱方柱顶板厚 250㎜、150㎜、100㎜基础形式筏板基础三、施工部署3、1 安全防护领导小组;组长: 季 军—负责协调工作副组长:张新华—技术总部署组员: 闵 耀 李伟昌 吕洪海 刘继平—现场施工指挥、安全巡视和检查.3、2 设计总体思路结合本工程结构形式、实际施工特点,建筑物四周搭设,1~10 层设悬挑单排脚手架.10 层以上设悬挑式脚手架.用双排双立杆,立杆距结构外沿 0.35m,排距为 1.1m、间距为 1.55m,大横杆步距为 1.5m.四、构造要求及技术措施1、立杆立杆接头采纳对接扣件连接,立杆与大横杆采纳直角扣件连接,接头交错设置,两个相邻立杆接头避开出现在同步同跨内,并在高度方向错开的距离不小于 50cm:各接头中心距主节点的距离不大于60cm2、大横杆大横杆置于小横杆之下,在立杆的内侧,用直角扣件与立杆扣紧,其长度大于 3 跨,不小于 6m,同一步大横杆四周要交圈.大横杆采纳对接扣件连接,起接头交错布置,不在同步同跨内,相临接头水平距离不小于 50cm,各接头距立杆的距离...

1、当您付费下载文档后,您只拥有了使用权限,并不意味着购买了版权,文档只能用于自身使用,不得用于其他商业用途(如 [转卖]进行直接盈利或[编辑后售卖]进行间接盈利)。
2、本站所有内容均由合作方或网友上传,本站不对文档的完整性、权威性及其观点立场正确性做任何保证或承诺!文档内容仅供研究参考,付费前请自行鉴别。
3、如文档内容存在违规,或者侵犯商业秘密、侵犯著作权等,请点击“违规举报”。

碎片内容

脚手架工程施工方案汇编

您可能关注的文档

确认删除?
VIP
微信客服
  • 扫码咨询
会员Q群
  • 会员专属群点击这里加入QQ群
客服邮箱
回到顶部