电脑桌面
添加小米粒文库到电脑桌面
安装后可以在桌面快捷访问

门式脚手架计算书

门式脚手架计算书_第1页
1/10
门式脚手架计算书_第2页
2/10
门式脚手架计算书_第3页
3/10
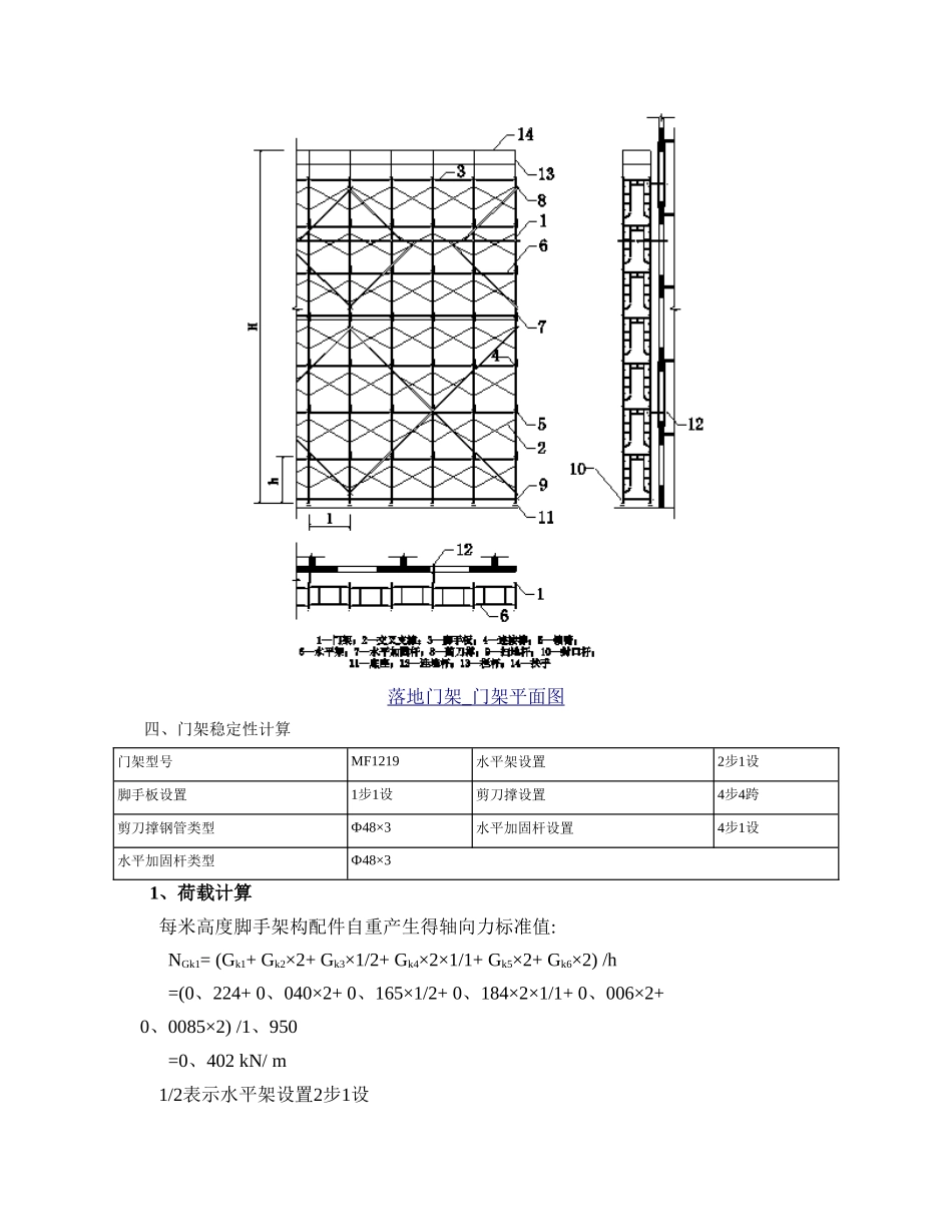
门式脚手架计算书 计算依据: 1、《建筑施工门式钢管脚手架安全技术法律规范》JGJ128-2025 2、《建筑地基基础设计法律规范》GB50007-2025 3、《建筑结构荷载法律规范》GB50009-2025 4、《钢结构设计法律规范》GB50017-2025 一、基本参数搭设高度H(m)48步距h(mm)1950门架纵距l(mm)1830 二、荷载参数门架自重Gk1(kN)0、224交叉支撑自重Gk2(kN)0、04水平架自重Gk3(kN)0、165脚手板自重Gk4(kN)0、184连接棒自重Gk5(kN)0、006锁臂自重Gk6(kN)0、008剪刀撑钢管自重Gk7(kN/m)0、033水平加固杆自重Gk8(kN/m)0、033直角扣件自重Gk9(kN)0、0135旋转扣件自重Gk10(kN)0、0145栏杆、挡脚板自重Gk11(kN/m)0、015安全网自重Gk12(kN/m2)0、05施工荷载Qk(kN/m2)3同时施工层数n2基本风压ω0(kN/m2)0、3风压高度变化系数uz(立杆稳定性、连墙件稳定性)0、74,1、21风荷载体型系数us0、8 三、设计简图落地门架 _ 门架简图 落地门架 _ 门架平面图 四、门架稳定性计算门架型号MF1219水平架设置2步1设脚手板设置1步1设剪刀撑设置4步4跨剪刀撑钢管类型Ф48×3水平加固杆设置4步1设水平加固杆类型Ф48×3 1、荷载计算 每米高度脚手架构配件自重产生得轴向力标准值: NGk1= (Gk1+ Gk2×2+ Gk3×1/2+ Gk4×2×1/1+ Gk5×2+ Gk6×2) /h =(0、224+ 0、040×2+ 0、165×1/2+ 0、184×2×1/1+ 0、006×2+ 0、0085×2) /1、950 =0、402 kN/ m 1/2表示水平架设置2步1设 1/1表示脚手板设置1步1设 每米高度脚手架附件重产生得轴向力标准值: NGk2= (Gk7×l/cosα×2/4+ Gk8×l×1/4+ Gk9/4+ Gk10×4/4+ Gk11×l+ Gk12×l×h) /h =(0、038×1、830/0、684×2/4+ 0、038×1、830×1/4+ 0、014/4+ 0、015×4/4+0、015×1、830+ 0、050×1、830×1、950) /1、950 =0、15 kN/ m 1/4表示水平加固杆4步1设 各施工层施工荷载产生得轴向力标准值: NQk=n× Qk×b×l=2×3×1、219×1、83=13、385 kN 门架宽度b,见门架型号编辑 风荷载标准值: ωk=μz×μs×ωo =0、74×0、8×0、3=0、178 kN/ m2 qk= ωk× l=0、178×1、83=0、325 kN/ m 风荷载产生得弯矩标准值: Mk= qk H12/10=0、325×3、92/10=0、494 kN 、 m 2、作用于门架得轴向力设计值 不组合风荷载时: N=1、2(NGk1+ NGk2)H+1、4 NQk =1、2×(0、402+0、15)×33、6+1、4×13、385=40、975 kN 组合风荷载时: Nw=1、2(NGk1+ NGk2)H+0、9×1、4 (NQk+2M...

1、当您付费下载文档后,您只拥有了使用权限,并不意味着购买了版权,文档只能用于自身使用,不得用于其他商业用途(如 [转卖]进行直接盈利或[编辑后售卖]进行间接盈利)。
2、本站所有内容均由合作方或网友上传,本站不对文档的完整性、权威性及其观点立场正确性做任何保证或承诺!文档内容仅供研究参考,付费前请自行鉴别。
3、如文档内容存在违规,或者侵犯商业秘密、侵犯著作权等,请点击“违规举报”。

碎片内容

门式脚手架计算书

办公文档专营+ 关注
实名认证
内容提供者

大量办公文档,欢迎选择

相关文档

确认删除?
VIP
微信客服
  • 扫码咨询
会员Q群
  • 会员专属群点击这里加入QQ群
客服邮箱
回到顶部