电脑桌面
添加小米粒文库到电脑桌面
安装后可以在桌面快捷访问

门窗施工组织设计

门窗施工组织设计_第1页
1/8
门窗施工组织设计_第2页
2/8
门窗施工组织设计_第3页
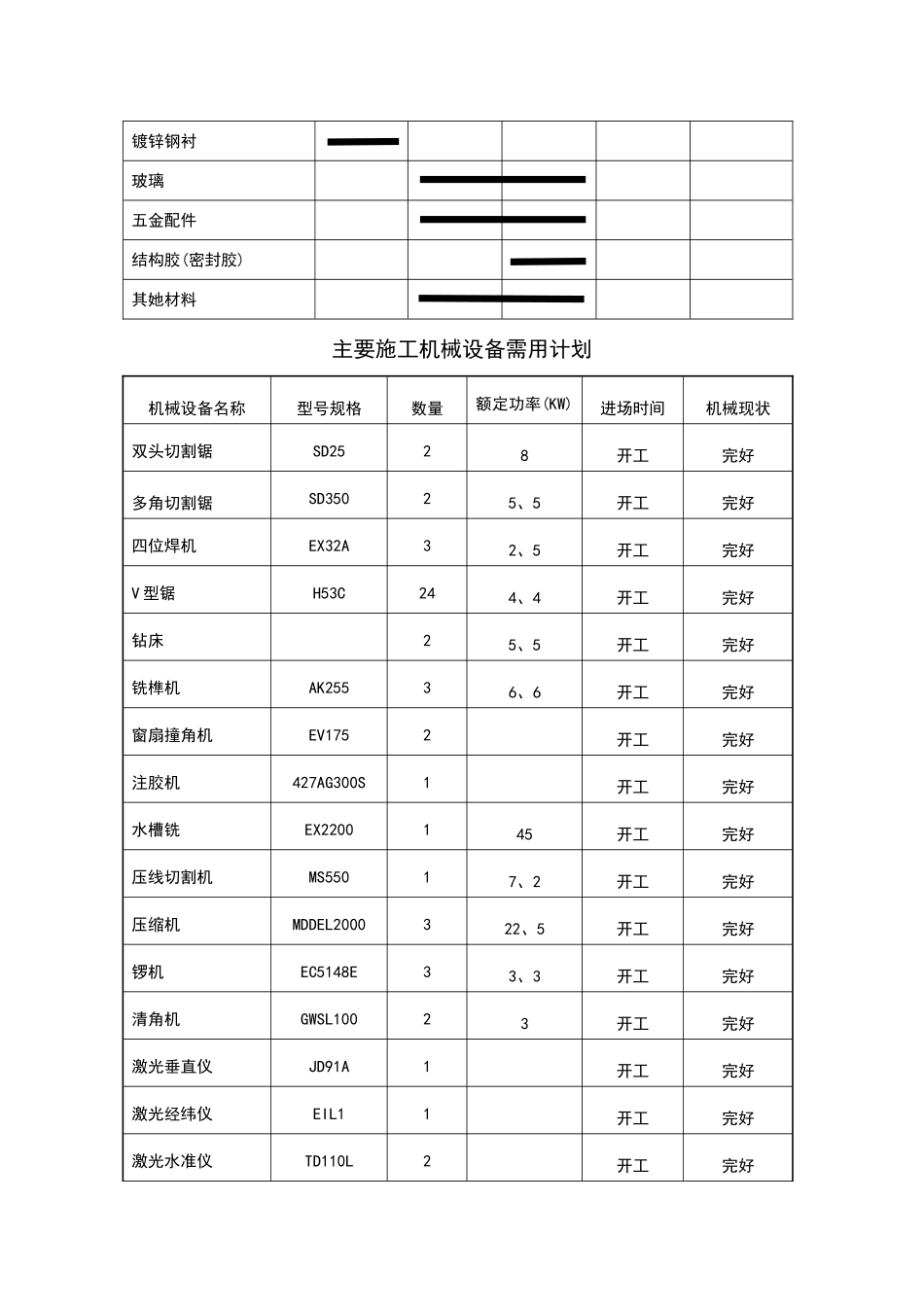
3/8
瑞松中心城 22、23#楼塑钢、彩铝门窗制作安装工程施工组织设计(方案)编制: 审核: 批准:目录一、 编制依据………………………………………………………1二、 工程简况………………………………………………………2三、 施工部署………………………………………………………2四、 施工(生产)方案……………………………………………5五、 劳动力安排计划………………………………………………8六、 施工进度保证措施……………………………………………9七、 质量保证措施…………………………………………………10八、 安全保证措施…………………………………………………10九、 文明施工保证措施……………………………………………11一、编制依据1、《工程建设标准强制性条文》2025 年版2、《建筑工程施工质量验收统一标准》3、《建筑装饰装修工程质量验收法律规范》4、《塑钢建筑型材》5、《铝合金建筑型材》6、《塑钢门窗》7、《铝合金门窗》8、《铝合金门窗工程得设计与施工法律规范》9、《塑钢门窗工程得设计与施工法律规范》10、《塑钢建筑型材国家标准》11、《建筑结构荷载法律规范》12、《建筑抗震设计法律规范》13、《建筑防雷设计法律规范》14、《民用建筑节能设计标准》15、《建筑外窗抗风压性能分级及检测方法》16、《建筑外窗空气渗透性能分级及检测方法》17、《建筑外窗雨水渗漏性能分级及检测方法》18、《建筑外窗保温性能分级及检测方法》19、《建筑玻璃应用技术规程》20、《硅硐建筑密封胶》21、《橡胶制品标准》二、工程简况工程名称:瑞松中心城 22、23#楼塑钢、彩铝门窗制作安装工程 工程地址:乐山春华路原 605 厂三、施工部署(一)工程承包方式:根据公司关于工程施工管理体制得相关规定,本工程设立“瑞松中心城 22、23#楼塑钢、彩铝门窗制作安装工程工程部”,对该实施设计制安售后服务一条龙管理 ,并严格根据IS09001:2025 质量管理体系进行施工,确保工程优质按期完成。矚慫润厲钐瘗睞枥庑赖。 (二)工程部组织机构工程总负责工程经理技术部供应部生产部施工作业处技术经理供应经理生产经理施工员设计师材料员车间主任安装班长工程师仓管员质检员安装工档案员运输班长生产调度电气工 (三)施工准备:本工程安排技术精湛门窗制安工程队进入施工,施工前设计人员向工程技术人员进行设计交底,使之明了工程设计意图,工程难点以及施工过程中主要技术控制,工程技术人员向参加工程安装得主要骨干与工人进行制安技术...

1、当您付费下载文档后,您只拥有了使用权限,并不意味着购买了版权,文档只能用于自身使用,不得用于其他商业用途(如 [转卖]进行直接盈利或[编辑后售卖]进行间接盈利)。
2、本站所有内容均由合作方或网友上传,本站不对文档的完整性、权威性及其观点立场正确性做任何保证或承诺!文档内容仅供研究参考,付费前请自行鉴别。
3、如文档内容存在违规,或者侵犯商业秘密、侵犯著作权等,请点击“违规举报”。

碎片内容

门窗施工组织设计

确认删除?
VIP
微信客服
  • 扫码咨询
会员Q群
  • 会员专属群点击这里加入QQ群
客服邮箱
回到顶部