电脑桌面
添加小米粒文库到电脑桌面
安装后可以在桌面快捷访问

钢结构课程设计测试练习题 土木工程管理专业

钢结构课程设计测试练习题  土木工程管理专业_第1页
1/19
钢结构课程设计测试练习题  土木工程管理专业_第2页
2/19
钢结构课程设计测试练习题  土木工程管理专业_第3页
3/19
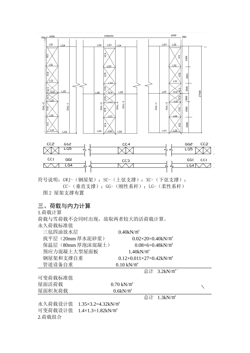
钢结构课程设计钢结构课程设计-、设计资料1、题号 83 的已知条件:梯形钢屋架跨度 27m,长度 72m,柱距6m。屋面坡度 i=1/10。屋面活荷载标准值为 0.7 kN/m2,雪荷载标准值为 0.5kN/m2,风荷载标准值 0.45kN/m2。该车间内设有两台200/50 kN 中级工作制吊车,轨顶标高为 8.500 m。冬季最低温度为-20℃,地震设计烈度为 7 度,设计基本地震加速度为 0.1g。采用1.5m×6m 预应力混凝土大型屋面板,80mm 厚泡沫混凝土保温层,卷材屋面。屋架铰支在钢筋混凝土柱上,上柱截面为 400 mm×400 mm,混凝土标号为 C25。钢材采用 Q235B 级,焊条采用 E43 型。2、屋架计算跨度:Lo=27000-2×150=26700mm3、跨中及端部高度:端部高度:h`=1900mm(轴线处),h=1915mm(计算跨度处)。屋架的中间高度 h=3250mm,屋架跨中起拱按 Lo/500 考虑,取 50mm。二、结构形式与布置屋架形式及几何尺寸见图 1 所示,支撑布置见图 2 所示。 图 1 屋架形式及几何尺寸符号说明:GWJ-(钢屋架);SC-(上弦支撑):XC-(下弦支撑);CC-(垂直支撑);GG-(刚性系杆);LG-(柔性系杆) 图 2 屋架支撑布置三、荷载与内力计算1.荷载计算荷载与雪荷载不会同时出现,故取两者较大的活荷载计算。永久荷载标准值三毡四油放水层 0.40kN/㎡找平层(20mm 厚水泥砂浆) 0.02×20=0.40kN/㎡保温层(80mm 厚泡沫混凝土) 0.08×6=0.48kN/㎡预应力混凝土大型屋面板 1.40kN/㎡钢屋架和支撑自重 0.12+0.011×27=0.42kN/㎡管道设备自重 0.10 kN/㎡总计 3.2kN/㎡`可变荷载标准值屋面活荷载 0.70 kN/㎡屋面积灰荷载 0.6kN/㎡总计 1.3kN/㎡永久荷载设计值 1.35×3.2=4.32kN/㎡可变荷载设计值 1.4×1.3=1.82kN/㎡2.荷载组合设计屋架时,应考虑以下三种组合: ① 全跨永久荷载+全跨可变荷载 全跨节点永久荷载及可变荷载: F=(4.32+1.82) ×1.5×6=55.26kN② 全跨永久荷载+半跨可变荷载 全跨节点永久荷载: F1=4.32×1.5×6=38.9 kN 半跨节点可变荷载: F2=1.82×1.5×6=16.38 kN③ 全跨屋架及支撑自重+半跨大型屋面板重+半跨屋面活荷载 全跨节点屋架及支撑自重: F3 =0.42×1.35×1.5×6=5.10kN半跨大型屋面板重及活荷载: F4=(1.4×1.35+0.7×1.4) ×1.5×6= 25.83kN3.内力计算本设计采用程序计算杆件在单位节点力作用下各杆件的内力系数,见表 1。杆件名称 内力系数(F=1)第一种组合 F*①第二种组合第三种组合计...

1、当您付费下载文档后,您只拥有了使用权限,并不意味着购买了版权,文档只能用于自身使用,不得用于其他商业用途(如 [转卖]进行直接盈利或[编辑后售卖]进行间接盈利)。
2、本站所有内容均由合作方或网友上传,本站不对文档的完整性、权威性及其观点立场正确性做任何保证或承诺!文档内容仅供研究参考,付费前请自行鉴别。
3、如文档内容存在违规,或者侵犯商业秘密、侵犯著作权等,请点击“违规举报”。

碎片内容

钢结构课程设计测试练习题 土木工程管理专业

确认删除?
VIP
微信客服
  • 扫码咨询
会员Q群
  • 会员专属群点击这里加入QQ群
客服邮箱
回到顶部