电脑桌面
添加小米粒文库到电脑桌面
安装后可以在桌面快捷访问

预制钢筋混凝土隔墙板安装交底记录

预制钢筋混凝土隔墙板安装交底记录_第1页
1/6
预制钢筋混凝土隔墙板安装交底记录_第2页
2/6
预制钢筋混凝土隔墙板安装交底记录_第3页
3/6
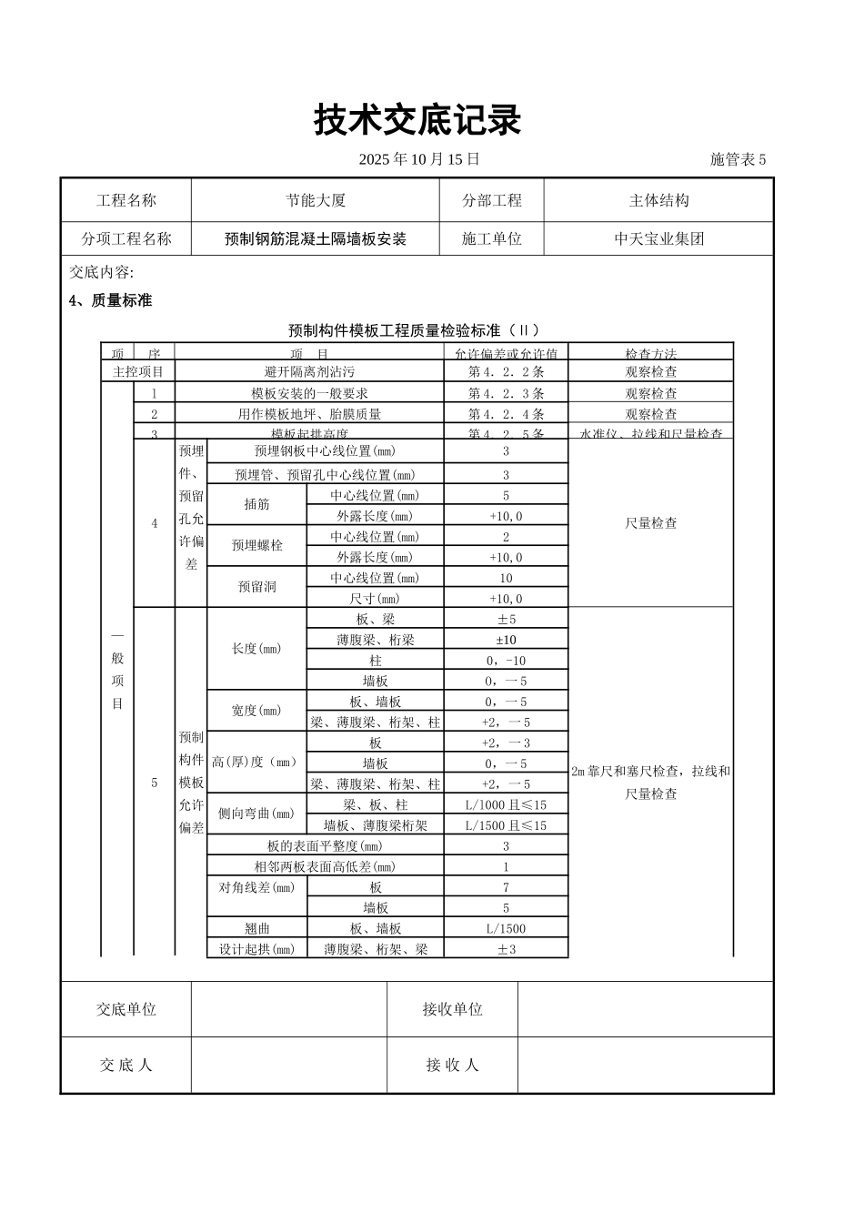
技术交底记录2025 年 10 月 15 日施管表 5工程名称节能大厦分部工程主体结构分项工程名称预制钢筋混凝土隔墙板安装施工单位中天宝业集团交底内容:1、依据标准《建筑工程施工质量验收统一标准》 GB50300-2001《钢筋混凝土结构工程施工质量验收法律规范》 GB50204-2025《高层建筑混凝土技术规程》 JGJ3 -2025《普通混凝土配合比设计规程》 JGJ55-2000《砌筑砂浆配合比设计规程》 JGJ98-2000《普通混凝土用砂质量标准及检验方法》 JGJ52-92《普通混凝土用碎石和卵石质量标准及检验方法》GJ53-92《混凝土外加剂应用技术法律规范》 GBJ119-882、施工准备2.1 材料及主要机具:2.1.1 钢筋混凝土预制隔墙板:质量应符合《钢筋混凝土预制构件质量检验评定标准》,应有出厂合格证。在墙板上应标明型号及正反号,盖有检验合格章。2.1.2 焊条:采纳 E43 型焊条,应有出厂合格证。2.1.3 连接钢板:一般为 40×60×40×4(mm)。2.1.4 连接钢筋:一般直径不得小于 ф10,长 100~120(mm)。2.1.5 水泥:425 号、525 号。2.1.6 主要机具:利用主体结构吊装机械及工具。2.2 作业条件:2.2.1 根据施工现场平面布置图所示位置存放隔墙板,存放场地应平整、坚实、防止积水、沉陷。存放隔交底单位接收单位交 底 人接 收 人技术交底记录2025 年 10 月 15 日施管表 5工程名称节能大厦分部工程主体结构分项工程名称预制钢筋混凝土隔墙板安装施工单位中天宝业集团交底内容:墙板的插放架要牢固、稳定。隔墙板应分型号存放。2.2.2 按设计图纸核查板号,并核查板上的预埋铁件是否齐全,并将上面的杂物、铁锈清理洁净。隔墙板上的吊环要齐全牢固。2.2.3 在安装的楼层上将安装部位清理洁净,在隔墙板相邻的主要结构上弹好墙板安装定位立面位置线。在楼面上弹好墙板平面位置线。将墙板型号写在楼地面安装位置的外侧。2.2.4 检查结构墙体和楼地面连接隔墙板的埋件是否齐全,位置是否正确。被遗漏的应打孔重新埋设补齐。3、操作工艺3.1 工艺流程:安装就位→检查、校正→支撑、加固→焊接固定→捻缝。3.2 安装就位:隔墙板安装有两种方法,一种是可以随着结构施工在扣楼板前将板吊入随吊随安装、焊接;另一种是在扣楼板前将各房间需要的墙吊入房间内靠墙放稳当,待以后人工进行安装。3.3 检查校正:安装时核对型号,防止发生安锚板号的现象。安装时根据楼面上已弹好的位置线摆放楔子,放稳墙板,用卡具在吊环部位对墙板作临时...

1、当您付费下载文档后,您只拥有了使用权限,并不意味着购买了版权,文档只能用于自身使用,不得用于其他商业用途(如 [转卖]进行直接盈利或[编辑后售卖]进行间接盈利)。
2、本站所有内容均由合作方或网友上传,本站不对文档的完整性、权威性及其观点立场正确性做任何保证或承诺!文档内容仅供研究参考,付费前请自行鉴别。
3、如文档内容存在违规,或者侵犯商业秘密、侵犯著作权等,请点击“违规举报”。

碎片内容

预制钢筋混凝土隔墙板安装交底记录

您可能关注的文档

确认删除?
VIP
微信客服
  • 扫码咨询
会员Q群
  • 会员专属群点击这里加入QQ群
客服邮箱
回到顶部