电脑桌面
添加小米粒文库到电脑桌面
安装后可以在桌面快捷访问

风险评价方法和风险控制策划

风险评价方法和风险控制策划_第1页
1/10
风险评价方法和风险控制策划_第2页
2/10
风险评价方法和风险控制策划_第3页
3/10
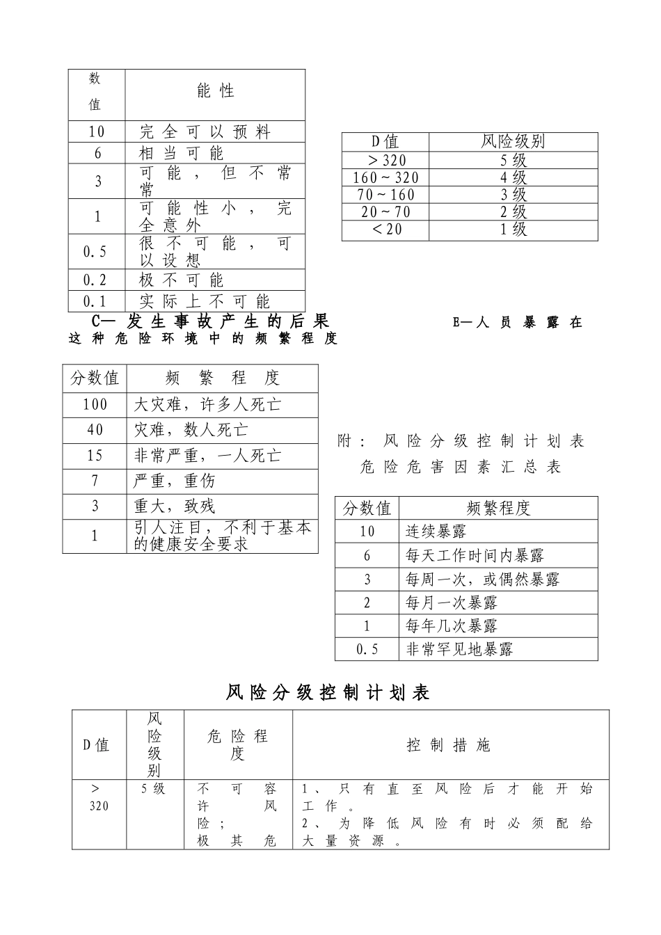
EJDW/QEH-03-29 风 险 评 价 方 法 和 风 险 控 制 策 划1 . 目 的公 司 进 行 风 险 评 价 和 风 险 控 制 的 策 划 , 对 与 各 项危 险 危 害 因 素 有 关 的 风 险 做 出 主 观 的 评 价 , 确 定 风险 是 否 可 承 受 , 推 断 风 险 控 制 现 状 和 控 制 计 划 是 否把 风 险 控 制 住 , 且 满 足 实 际 需 要 和 适 用 的 职 业 安 全健 康 法 律 、 法 规 要 求 。1 .范 围适 用 于 公 司 活 动 的 风 险 评 价 。2 .职 责安 全 质 量 环 保 部 为 风 险 评 价 的 归 口 管 理 部 门 , 组织 相 关 部 门 对 公 司 活 动 中 的 风 险 进 行 评 价 。3 .评 价 过 程对 作 业 过 程 中 的 风 险 评 价 采 纳 作 业 条 件 危 险 性 评价 法 ( LEC 法 ) , 确 定 风 险 的 大 小 , 填 写 “ 危 险 危害 因 素 辨 识 评 价 表 ” 。作 业 条 件 危 险 性 评 价 法 是 一 种 定 量 评 价 方 法 , 是用 与 系 统 风 险 有 关 的 三 种 因 素 指 标 值 之 积 来 评 价 系统 人 员 伤 亡 风 险 大 小 的 。D=LEC式 中 : D — 危 险 源 带 来 的 风 险 值 L — 发 生 事 故 的 可 能 性 大 小E— 人 员 暴 露 在 这 种 危 险 环 境 中 的 频 繁 程度 C— 一 旦 发 生 事 故 会 造 成 的 损 失 后 果L— 发 生 事 故 的 可 能 性 大 小 根 据 风 险 值 D 进行 危 险 等 级 的 划 分 分事 故 发 生 的 可数值能 性10完 全 可 以 预 料6相 当 可 能3可 能 , 但 不 常常1可 能 性 小 , 完全 意 外0.5很 不 可 能 , 可以 设 想0.2极 不 可 能0.1实 际 上 不 可 能C— 发 生 事 故 产 生 的 后 果 E— 人 员 暴 露 在这 种 危 险 环 境 中 的 频 繁 程 度附 : 风 险 分 级 控 制 计 划 表危 险 危 害 因 素 汇 总 表风 险 分 级 控 制 计 划 表D 值风险级别危 险 程度控 制 措 施>3205 级不可容许风险 ;极其危1 、只有直至风险后才能开始工 作 。2 、为...

1、当您付费下载文档后,您只拥有了使用权限,并不意味着购买了版权,文档只能用于自身使用,不得用于其他商业用途(如 [转卖]进行直接盈利或[编辑后售卖]进行间接盈利)。
2、本站所有内容均由合作方或网友上传,本站不对文档的完整性、权威性及其观点立场正确性做任何保证或承诺!文档内容仅供研究参考,付费前请自行鉴别。
3、如文档内容存在违规,或者侵犯商业秘密、侵犯著作权等,请点击“违规举报”。

碎片内容

风险评价方法和风险控制策划

您可能关注的文档

文旅传媒+ 关注
实名认证
内容提供者

传播文化,成就未来

确认删除?
VIP
微信客服
  • 扫码咨询
会员Q群
  • 会员专属群点击这里加入QQ群
客服邮箱
回到顶部