电脑桌面
添加小米粒文库到电脑桌面
安装后可以在桌面快捷访问

高分子自粘胶防水卷材技术交底

高分子自粘胶防水卷材技术交底_第1页
1/5
高分子自粘胶防水卷材技术交底_第2页
2/5
高分子自粘胶防水卷材技术交底_第3页
3/5
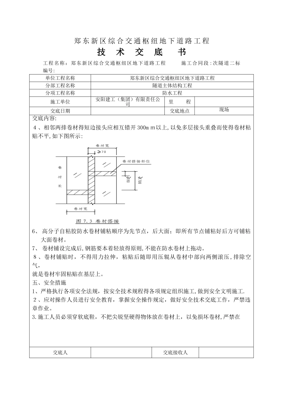
郑 东 新 区 综 合 交 通 枢 纽 地 下 道 路 工 程技 术 交 底 书工程名称:郑东新区综合交通枢纽区地下道路工程 施工合同段:次隧道二标 编号:单位工程名称郑东新区综合交通枢纽区地下道路工程分部工程名称隧道主体结构工程分项工程名称防水工程施工单位安阳建工(集团)有限责任公司里 程交底日期交底地点现场交底内容: 高分子自粘胶防水卷材施工一、施工准备1、 所有防水施工人员必须具备上岗证;2、 施工前仔细查阅图纸,掌握防水材料性能、技术指标及施工工艺。3、 所有卷材要有出厂合格证,质量检测报告,材料进入施工现场后要抽样复试,合格后方可使用。4、 施工机具准备:铁锹、扫帚、吹尘器、手锤、钢凿、抹布、剪刀、卷尺、弹线盒、滚刷。5、 施工就是气温应在-4℃以上,不宜在潮湿天气施工.施工现场应有良好得通风条件。二、工艺流程:基层表面清理、修补→基层处理剂涂刷→卷材铺设→节点细部施工(卷材防水附加层铺设)→钢筋铺设 三、施工方法:1、 基层处理水平基层表面应就是整块得混凝土地面,垫层要避开使用松散骨料或棱角尖锐得骨料,砂石应就是多角状得,而不用倾斜面或凹凸面得,可在潮湿面上施工,但表面若有积水,则需清除洁净,以免影响搭接边得粘接,从而影响防水性能。 2、 卷材铺设1) 预铺式高分子自粘胶防水卷材铺设时将搭接边重叠,用钢棍子压紧搭接边确保其粘接完全,保证防水得连续性与整体性。 交底接收人郑 东 新 区 综 合 交 通 枢 纽 地 下 道 路 工 程技 术 交 底 书工程名称:郑东新区综合交通枢纽区地下道路工程 施工合同段:次隧道二标 编号:单位工程名称郑东新区综合交通枢纽区地下道路工程分部工程名称隧道主体结构工程分项工程名称防水工程施工单位安阳建工(集团)有限责任公司里 程交底日期交底地点现场交底内容:2)在低温施工时,可用煤气灯或类似器具对搭接边适度加热,除去上面得湿气以提高粘接度.3)卷材搭接边宽度不低于70 mm,注意保证搭接区得下面部位洁净、干燥,没有灰尘。当两块卷材已搭接在一起,施工要连续进行,辊压搭接边要用力,这样才能保证搭接边得良好粘结。4)节点细部施工(卷材防水附加层铺设):隧道顶板/底板与外墙角处有防水加强层,相关做法如下图所示:四、质量控制1、严格执行材料进场验收制度,必须符合设计及法律规范要求,并见证取样送检。2、在卷材上焊接钢筋就是做好对卷材得保护措施,避开由于焊接损坏卷材.3、大面...

1、当您付费下载文档后,您只拥有了使用权限,并不意味着购买了版权,文档只能用于自身使用,不得用于其他商业用途(如 [转卖]进行直接盈利或[编辑后售卖]进行间接盈利)。
2、本站所有内容均由合作方或网友上传,本站不对文档的完整性、权威性及其观点立场正确性做任何保证或承诺!文档内容仅供研究参考,付费前请自行鉴别。
3、如文档内容存在违规,或者侵犯商业秘密、侵犯著作权等,请点击“违规举报”。

碎片内容

高分子自粘胶防水卷材技术交底

不二商店+ 关注
实名认证
内容提供者

我是你的不二选择

确认删除?
VIP
微信客服
  • 扫码咨询
会员Q群
  • 会员专属群点击这里加入QQ群
客服邮箱
回到顶部