电脑桌面
添加小米粒文库到电脑桌面
安装后可以在桌面快捷访问

高速公路安全监理规划

高速公路安全监理规划_第1页
1/9
高速公路安全监理规划_第2页
2/9
高速公路安全监理规划_第3页
3/9
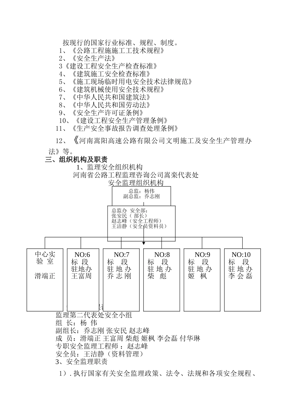
洛栾高速公路嵩县至栾川段SLJL.2 监理代表处安全监理规划编制: 审核: 河南省公路工程监理咨询有限公司二〇一〇年十一月目 录一 、基本概况 3 二 、编写依据 3 三 、组织机构及职责 4 1、监理安全组织机构 4 2、安全监理保证体系 5 3、安全监理职责 5 四、安全监理范围 6 五 、安全监理工作内容 6 六、安全控制监理工作程序及措施 7 七、落实安全生产监理的主要工作 9 八、安全监理生产目标 10 九、文明施工注重环境保护 10 1、文明施工 10 2、环境保护 10 3、环境保护监理措施 11 洛栾高速公路嵩县至栾川段SLJL.2 监理代表处安全监理规划一、 基本概况洛栾高速公路嵩县至栾川段 SLJL.2 监理代表处所监理段为洛栾 高 速 公 路 嵩 栾 段 的 第 六 至 第 十 合 同 段 , 原 标 段 起 点 为K98+000~K129+535 全长 31.535 公里,路基土石方约为 536 万方大中桥为 9471/26(米/座)隧道 8234/12(米/座)涵洞通道 37 道等所监理的施工标段五个。施工单位分别是:六标中铁十五局一公司;七标中铁十五局五公司;八标陕西明泰工程建设有限公司;九标中交一局六公司;十标中铁十五局七公司。二、编写依据按现行的国家行业标准、规程、制度。1、《公路工程施施工工技术规程》2、《安全生产法》3《建设工程安全生产检查标准》4、《建筑施工安全检查标准》5、《施工现场临时用电安全技术法律规范》6、《建筑机械使用安全技术规程》7、《中华人民共和国建筑法》8、《中华人民共和国劳动法》9、《安全生产许可证条例》10、《建设工程安全生产管理条例》11、《生产安全事故报告调查处理条例》12、《河南嵩阳高速公路有限公司文明施工及安全生产管理办法》等。三、组织机构及职责1、监理安全组织机构河南省公路工程监理咨询公司嵩栾代表处安全监理组织机构 2、安全监理保证体系监理第二代表处安全小组组 长:杨 伟副组长:乔志刚 张安民 赵志峰成 员:滑端正 王富周 柴彪 姬枫 李会磊 付华琳专职安全监理工程师 :赵志峰 安全员:王洁静(资料管理)3、安全监理职责1).执行国家有关安全监理政策、法令、法规和各项安全规程、总监:杨伟副总监:乔志刚总监办 安全部:张安民( 部长)赵志峰(安全工程师)王洁静(安全员资料员) 中心实验 室滑端正NO:6标 段驻地办王富周NO:7标 段驻 地 办乔 志 刚NO:8标 段驻 地 办柴 彪NO:9标 段驻 地 办姬 枫NO:10标...

1、当您付费下载文档后,您只拥有了使用权限,并不意味着购买了版权,文档只能用于自身使用,不得用于其他商业用途(如 [转卖]进行直接盈利或[编辑后售卖]进行间接盈利)。
2、本站所有内容均由合作方或网友上传,本站不对文档的完整性、权威性及其观点立场正确性做任何保证或承诺!文档内容仅供研究参考,付费前请自行鉴别。
3、如文档内容存在违规,或者侵犯商业秘密、侵犯著作权等,请点击“违规举报”。

碎片内容

高速公路安全监理规划

确认删除?
VIP
微信客服
  • 扫码咨询
会员Q群
  • 会员专属群点击这里加入QQ群
客服邮箱
回到顶部