电脑桌面
添加小米粒文库到电脑桌面
安装后可以在桌面快捷访问

高速公路安全监理细则

高速公路安全监理细则_第1页
1/48
高速公路安全监理细则_第2页
2/48
高速公路安全监理细则_第3页
3/48
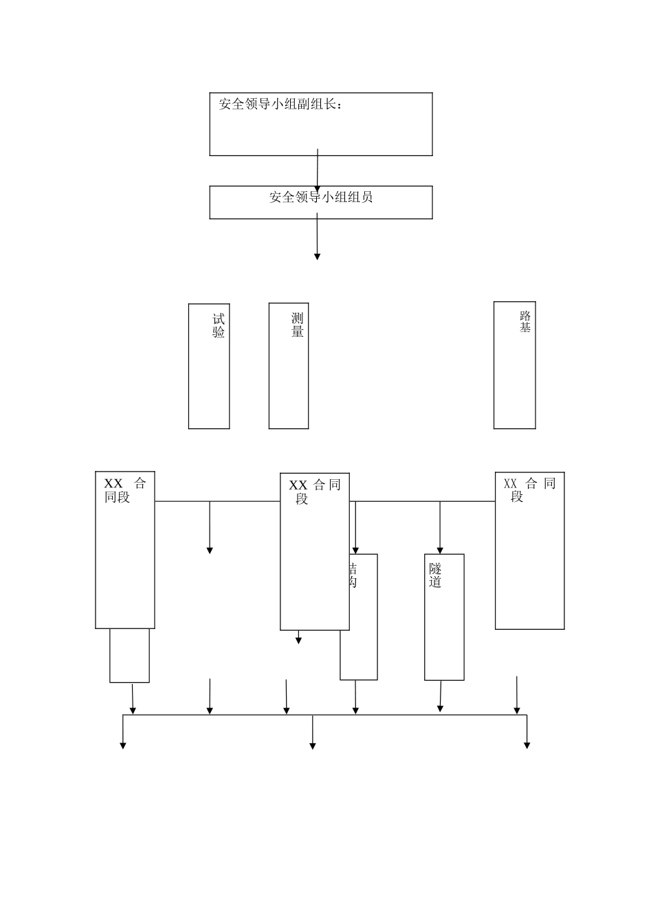
XXXX高速公路XXXX办安全监理实施细则一、安全监理实施细则的编制依据1.《中华人民共和国安全生产法》(中华人民共和国主席令第 70 号);2.《中华人民共和国道路交通安全法》 (中华人民共和国主席令第 81 号);3.《中华人民共和国建筑法》(中华人民共和国主席令第 91 号);4.《建设工程安全生产管理条例》(国务院令第 393 号);5.《公路水运工程安全生产监督管理办法》(2025 年交通部 1 号令);6.《公路水运工程质量安全督查办法》交质监发 2025[52]号;7.《关于进一步加强重大紧急信息报送的通知》(黔交办[2025]32 号);8.《关于建立公路水运工程建设安全监管长效机制的若干意见》交质监发〔2025〕78 号;9.《公路工程施工安全技术规程》(JTJ 076-95);10.《公路交通安全设施施工技术法律规范》(JTG F71-2025);11.《公路工程施工技术法律规范》(JTG G10-2025);12.现行其他有关安全生产的法律、法规、规程、法律规范等.13、委托监理合同和有关的建设工程合同;14、XXX 高速公路建设项目管理手册; 二、工程概况XXXX 办管辖路段的起点为 K51+000,终点为 K60+595~YK66+195,全长为15.195km, 其 中 XXX 合 同 段 3.8km,XXX 合 同 段 5.795 km , XXX 合 同 段5.600km 。 主 要 工 程 为 : 1 、 桥 梁 工 程 : 。 。 。 。 。 。 ; 2 、 隧 道 工程:。。。。。。。三、工程安全监理的范围《建设工程安全生产管理条例》规定了监理单位安全生产管理的范围是:1. 审查施工组织设计中安全技术措施或专项施工方案;2. 在实施监理过程中,发现存在安全事故隐患的,应当要求施工单位整改;3. 情况严重的,应当要求施工单位临时停止施工,并及时报告建设单位;4. 施工单位拒不整改或者不停止施工的,应当及时向有关主管部门报告;5. 应当根据法律、法规和工程建设强制性标准实施监理;6.审查、审核施工单位安全生产费用的支取、使用情况。四、安全组织机构框图安全生产管理组织机构框图安全领导小组组长: 计量结构 隧道 安全领导小组副组长:试验路基 测量 安全领导小组组员XX 合同段XX 合 同段XX 合 同段五、安全生产保证体系安全生产保证体系六、安全监理工作流程安全监理流程图七、工程安全监理工作内容安全监理工作内容安全监理保证体系组织机构安全目标安全管理自检制度安全日常检查检查安全管理制度检查安全会议记录检查日常安全活动检查安全目标规划检查消防管...

1、当您付费下载文档后,您只拥有了使用权限,并不意味着购买了版权,文档只能用于自身使用,不得用于其他商业用途(如 [转卖]进行直接盈利或[编辑后售卖]进行间接盈利)。
2、本站所有内容均由合作方或网友上传,本站不对文档的完整性、权威性及其观点立场正确性做任何保证或承诺!文档内容仅供研究参考,付费前请自行鉴别。
3、如文档内容存在违规,或者侵犯商业秘密、侵犯著作权等,请点击“违规举报”。

碎片内容

高速公路安全监理细则

确认删除?
VIP
微信客服
  • 扫码咨询
会员Q群
  • 会员专属群点击这里加入QQ群
客服邮箱
回到顶部