电脑桌面
添加小米粒文库到电脑桌面
安装后可以在桌面快捷访问

龙里县金龙西路夹山坡隧道及延伸段工程建设监理工作月报

龙里县金龙西路夹山坡隧道及延伸段工程建设监理工作月报_第1页
1/4
龙里县金龙西路夹山坡隧道及延伸段工程建设监理工作月报_第2页
2/4
龙里县金龙西路夹山坡隧道及延伸段工程建设监理工作月报_第3页
3/4
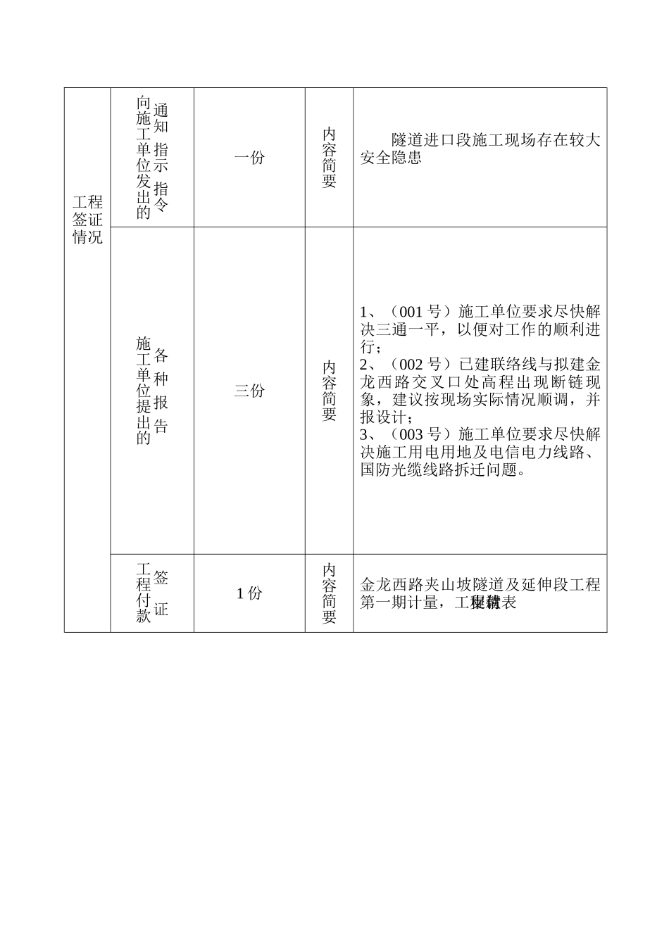
龙里县金龙西路夹山坡隧道及延伸段工程 建 设 监 理 工 作 月 报第 01 期2010 年 4 月 6 日 ~ 2010 年 4 月 30 日内容提要: 本月工程形象进度完成情况工程签证情况本月工程情况评述本月监理工作小结下月监理工作计划施工现场图片监 理 单 位:贵州建工监理咨询有限公司 总监理工程师: 贵州省建设监理协会印制黔监 C—4—2工程名称龙里县金龙西路夹山坡隧道及延伸段工程设计单位贵阳市建筑设计院有限公司建设单位龙里县城市公用管理局施工单位贵州化工建设公司形象进度完成情况计划完成1、完成隧道施工出口处各种临时设施建设;2、K0+020~K0+100 段路基土石方开挖总量的80%,约 10000 m3;路基边沟 100m;路基边坡防护左右里程各 80m2; 3、隧道进口、出口天沟开挖砌筑全部完成;隧道进口段洞口土石方开挖 30%;4、K0+580~600、K0+720~760 段土石方开挖约3000 m3。实际完成1、完成隧道施工出口处各种临时设施建设;2、K0+020~K0+100 段路基土石方开挖量约 9500 m3;3、路基边沟 100m;路基边坡防护 80m2; 隧道进口、出口天沟全部完成;隧道进口段土石方开挖 30%;4、K0+580~600、K0+720~760 段土石方开挖约 3000 m3。原因分析1、血站围墙处边坡设计一直未出具体施工方案;2、电力、通讯拆迁问题、三通一平未完全处理造成工期计划滞后。例会纪要专题报告一份内容简要设计院进行了图纸技术交底,建设单位、施工单位、监理单位对图纸提出了相关问题及设计院答复签 证工程质量无内容简要无工程签证情况通知 指示 指令向施工单位发出的一份内容简要隧道进口段施工现场存在较大安全隐患各 种 报 告施工单位提出的三份内容简要1、(001 号)施工单位要求尽快解决三通一平,以便对工作的顺利进行;2、(002 号)已建联络线与拟建金龙西路交叉口处高程出现断链现象,建议按现场实际情况顺调,并报设计;3、(003 号)施工单位要求尽快解决施工用电用地及电信电力线路、国防光缆线路拆迁问题。签 证工程付款1 份内容简要金龙西路夹山坡隧道及延伸段工程第一期计量,工程款支付申请表本月工程情况评述:1、施工单位自 2010 年 4 月 8 日破土动工以来,投入了 1.2 m3 挖机2 台、装载机 1 台、15m3 以上的重型汽车六辆及空压机钻孔等设备。在项目经理、总工及其他专业技术人员的正确指挥下,工程进展较快,其中受征地拆迁(人为因素)、三通一平(特备是电)对工程进展带来了诸多不...

1、当您付费下载文档后,您只拥有了使用权限,并不意味着购买了版权,文档只能用于自身使用,不得用于其他商业用途(如 [转卖]进行直接盈利或[编辑后售卖]进行间接盈利)。
2、本站所有内容均由合作方或网友上传,本站不对文档的完整性、权威性及其观点立场正确性做任何保证或承诺!文档内容仅供研究参考,付费前请自行鉴别。
3、如文档内容存在违规,或者侵犯商业秘密、侵犯著作权等,请点击“违规举报”。

碎片内容

龙里县金龙西路夹山坡隧道及延伸段工程建设监理工作月报

您可能关注的文档

确认删除?
VIP
微信客服
  • 扫码咨询
会员Q群
  • 会员专属群点击这里加入QQ群
客服邮箱
回到顶部