电脑桌面
添加小米粒文库到电脑桌面
安装后可以在桌面快捷访问

005-空心砖砌筑工艺

005-空心砖砌筑工艺_第1页
1/4
005-空心砖砌筑工艺_第2页
2/4
005-空心砖砌筑工艺_第3页
3/4
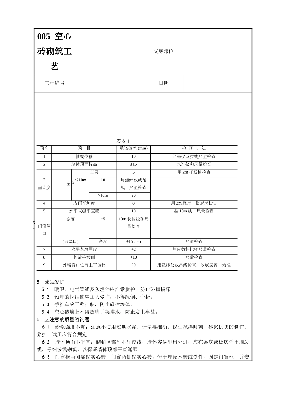
005_空心砖砌筑工艺交底部位工程编号日期交底内容:空心砖砌筑1 范畴 本工艺标准适用于一样工业与民用建筑粘土空心砖墙砌筑工程。2 施工预备 2.1 材料及要紧机具: 2.1.1 空心砖、实心砖:品种、规格、强度等级必须符合设计要求,规格应一致。有出厂证明、试验报告单。 2.1.2 水泥:一样用 325 号矿渣硅酸盐水泥或一般硅酸盐水泥,有出厂证明、复试报告。 2.1.3 砂:宜用中砂,过 5mm 孔径筛子,配制 M5 以下砂浆,砂含泥量不超过 10%,M5 及其以上砂浆,砂的含泥量不超过 5%,并不含草根等杂物。 2.1.4 掺合料:选用石灰膏、粉煤灰、磨细生石灰粉等。生石灰熟化时不得少于 7d。 2.1.5 水:用自来水或不含有害物质的干净水。 2.1.6 其它材料:拉结钢筋、预埋件、木砖等,提早做好防腐处理。 2.1.7 要紧机具:备有搅拌机、翻斗车、磅秤、吊斗、砖笼、手推车、胶皮管、筛子、铁锹、半截灰桶、喷水壶、托线板、线坠、水平尺、小白线、砖夹子、大铲、瓦刀、刨锛、工具袋等。 2.2 作业条件: 2.2.1 主体分部中承重结构已施工完毕,差不多有关部门验收。 2.2.2 弹出轴线、墙边线、门窗洞口线,经复核,办理预检手续。 2.2.3 立皮数杆:宜用 30mm×40mm 木料制作,皮数杆上注明门窗洞口、木砖、拉结筋、圈梁、过梁的尺寸标高。皮数杆间距 15~20mm,转角处均应当设置,一样距墙皮或墙角 50mm 为宜。皮数杆应垂直、牢固、标高一致,经复核,办理预检手续。 2.2.4 根据最下面第一皮砖的标高,拉通线检查,如水平灰缝厚度超过 20mm,用细石混凝土找平,不得用砂浆找平或砍砖包合子找干。 2.2.5 常温天气在砌筑前一天将砖浇水潮湿,冬期施工应清除表面冰霜。 2.2.6 砂浆配合比经试验室确定,预备好砂浆试模。3 操作工艺 3.1 工艺流程:拌制砂浆↓施工预备→排砖撂底→砌空心砖墙→验评 3.2 砌筑前,基础墙或楼面清扫干净,洒水潮湿。 3.3 根据设计图纸各部位尺寸,排砖撂底,使组砌方法合理,便于操作。 3.4 拌制砂浆:005_空心砖砌筑工艺交底部位工程编号日期 3.4.1 砂浆配合比应用重量比,计量精度为,水泥±2%,砂及掺合料±5%。 3.4.2 宜用机械搅拌,投料顺序为砂→水泥→掺合料→水,搅拌时刻许多于 l.5min。 3.4.3 砂浆应随拌随用,水泥或水泥混合砂浆一样在拌合后 3~4h 内用完,严禁用过夜砂浆。 3.4.4 每一楼层或 250m3砌体的各种强度等级的砂浆,每台搅拌机至少应作一组试块...

1、当您付费下载文档后,您只拥有了使用权限,并不意味着购买了版权,文档只能用于自身使用,不得用于其他商业用途(如 [转卖]进行直接盈利或[编辑后售卖]进行间接盈利)。
2、本站所有内容均由合作方或网友上传,本站不对文档的完整性、权威性及其观点立场正确性做任何保证或承诺!文档内容仅供研究参考,付费前请自行鉴别。
3、如文档内容存在违规,或者侵犯商业秘密、侵犯著作权等,请点击“违规举报”。

碎片内容

005-空心砖砌筑工艺

确认删除?
VIP
微信客服
  • 扫码咨询
会员Q群
  • 会员专属群点击这里加入QQ群
客服邮箱
回到顶部