电脑桌面
添加小米粒文库到电脑桌面
安装后可以在桌面快捷访问

02路基和基层施工

02路基和基层施工_第1页
1/15
02路基和基层施工_第2页
2/15
02路基和基层施工_第3页
3/15
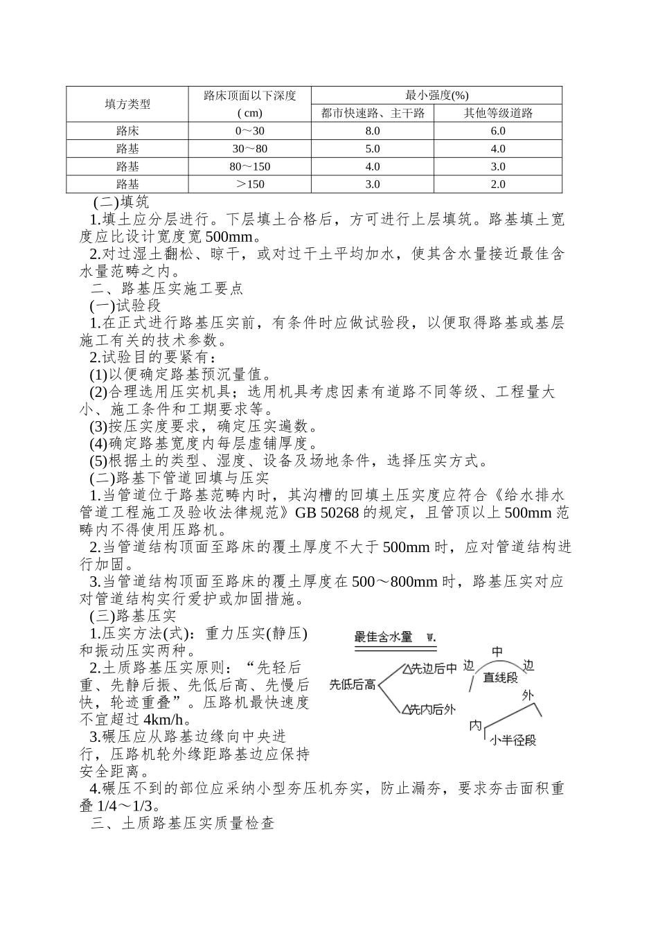
02 路基和基层施工1K411021 把握城镇道路路基施工技术本条介绍了都市道路路基工程施工的特点、施工程序、施工要求及质量检验的要点。一、路基施工特点与程序(一)施工特点1.都市道路路基工程施工处于露天作业,受自然条件阻碍大;在工程施工区域内的专业类型多、结构物多、各专业管线纵横交错;专业之间及社会之间配合工作多、干扰多,导致施工变化多。2.都市道路路基工程包括路基(路床)本身及有关的土(石)方、沿线的涵洞、挡土墙、路肩、边坡、排水管线等项目。3.路基施工以机械作业为主,人工配合为辅;人工配合土方作业时,必须设专人指挥;采纳流水或分段平行作业方式。(二)差不多流程1.预备工作(1)根据交通导行方案设置围挡,导行临时交通。(2)开工前,施工项目技术负责人应依据获准的施工方案向施工人员进行技术安全交底,强调工程难点、技术要点、安全措施。使作业人员把握要点,明确责任。(3)施工操纵桩放线测量,建立测量操纵网,复原中线,补钉转角桩、路两侧外边桩等。2.附属构筑物(1)地下管线、涵洞(管)等构筑物是城镇道路路基工程中必不可少的组成部分。涵洞(管)等构筑物可与路基(土方)同时进行,但新建的地下管线施工必须遵循“先地下,后地上”、“先深后浅”的原则。(2)既有地下管线等构筑物的拆改、加固爱护。(3)修建地表水和地下水的排除设施,为后续的土、石方工程施工制造条件。3.路基(土、石方)施工开挖路堑、填筑路堤,整平路基、压实路基、修整路床,修建防护工程等。二、路基施工要点(一)填土路基当原地面标高低于设计路基标高时,需要填筑土方(即填方路基)。1.路基填土不得使用腐殖土、生活垃圾土、污泥、冻土块或盐渍土。填土内不得含有草、树根等杂物,粒径超过 100mm 的土块应打碎。2.排除原地面积水,清除树根、杂草、污泥等。应妥善处理坟坑、井穴,并分层填实至原基面高。3.填方段内应事先找平,当地面坡度陡于 1:5 时,需修成台阶形式,每层台阶高度不宜大于 300mm,宽度不应小于 1.0m。4.根据测量中心线桩和下坡脚桩,分层填土,压实。5.碾压前检查铺筑土层的宽度与厚度,合格后即可碾压,碾压“先轻后重”,最后碾压应采纳不小于 12t 级的压路机。6.填方高度内的管涵顶面填土 500mm 以上才能用压路机碾压。7.填土至最后一层时,应按设计断面、高程操纵填土厚度,并及时碾压修整。(二)挖土路基当路基设计标高低于原地面标高时,需要挖土成型——挖方路基。1.路基施工前,应将现况地面上积水排除、疏干...

1、当您付费下载文档后,您只拥有了使用权限,并不意味着购买了版权,文档只能用于自身使用,不得用于其他商业用途(如 [转卖]进行直接盈利或[编辑后售卖]进行间接盈利)。
2、本站所有内容均由合作方或网友上传,本站不对文档的完整性、权威性及其观点立场正确性做任何保证或承诺!文档内容仅供研究参考,付费前请自行鉴别。
3、如文档内容存在违规,或者侵犯商业秘密、侵犯著作权等,请点击“违规举报”。

碎片内容

02路基和基层施工

您可能关注的文档

确认删除?
VIP
微信客服
  • 扫码咨询
会员Q群
  • 会员专属群点击这里加入QQ群
客服邮箱
回到顶部