电脑桌面
添加小米粒文库到电脑桌面
安装后可以在桌面快捷访问

10米跨径先张法预应力混凝土空心板计算书

10米跨径先张法预应力混凝土空心板计算书_第1页
1/14
10米跨径先张法预应力混凝土空心板计算书_第2页
2/14
10米跨径先张法预应力混凝土空心板计算书_第3页
3/14
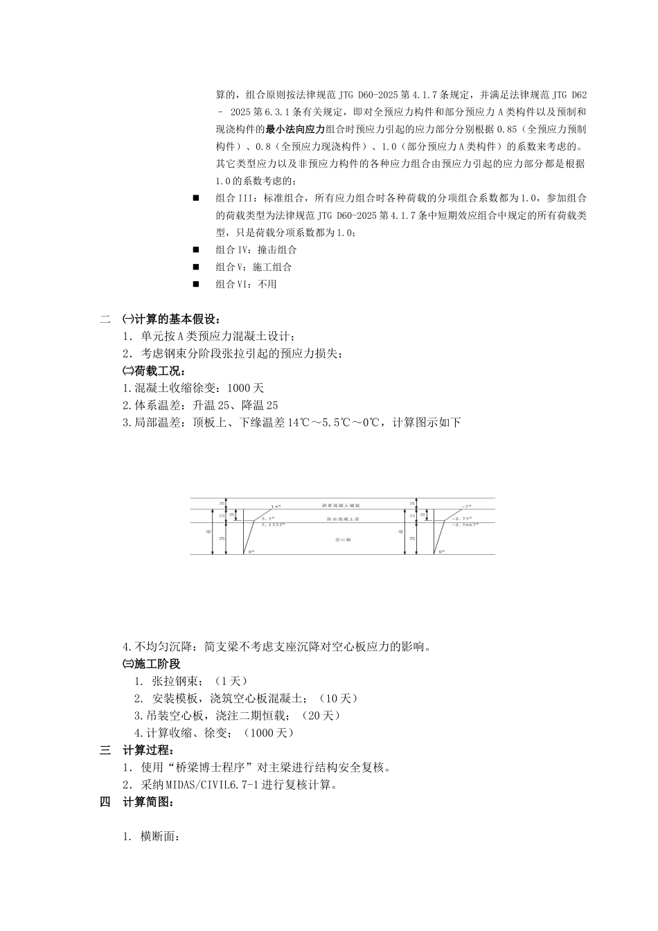
10 米跨径先张法预应力混凝土空心板(边板)计算书一基本设计资料:1.桥宽:全宽 16.75 米,w=1.0+3*3.75+3-1.0-0.5=15.25 米。2.跨径:10 米。3.梁高:0.45 米4.荷载标准:公路-Ⅰ级;计算车道数:4 纵向折减系数:0.675.混凝土容重:25.0KN/m3;6.铺装层: 10cm 厚沥青混凝土,12cm C40 防水混凝土; 防撞护栏重量(单侧):10KN/m;波形梁重量(单侧):10KN/m。7.采纳的主要法律规范:《公路桥涵设计通用法律规范》(JTG-D60-2025);《公路钢筋混凝土及预应力混凝土桥涵设计法律规范》( JTG-D62-2025);8.选用材料:① 空心板混凝土 C50 号,fcd=22.4MPa,ftd=1.83MPa,E=3.45x104MPa;② 预应力钢绞线:fpk=1860MPa,fpd=1260Mpa,E=1.95x105Mpa9.结构重要性系数:ro=1.010.重力系数:1.0511.桥梁冲击系数:先张法预应力砼空心板计算跨径 L9.5m弹性模量 E3.45E+10N/m2跨中惯矩 I0.0092m4跨中截面面积 A0.4411m2跨中单位质量 M1169.07 kg/m基频 f1=9.069 新法律规范正弯矩冲击系数 u0.374 12.横向分布系数: ① 支点处按杠杆法计算; ②1/4 跨径处采纳刚接板梁法计算,空心板之间按铰接设计; 汽车荷载在空心板纵向的分布系数如下图:13.荷载组合:应力组合组合 I:长期效应组合,部分预应力 A 类构件的抗裂安全验算(参照法律规范 JTG D62 – 2025 第 6.3.1 条),组合原则按法律规范 JTG D60-2025 第 4.1.7 条规定,但组合时只考虑直接作用荷载,不考虑间接作用,例如不计汽车冲击、不计沉降、温度等;符合法律规范 JTG D62 -2025 第 6.3.1 条规定;组合 II:短期效应组合,对预应力混凝土构件而言是根据抗裂验算的要求进行组合计算的,组合原则按法律规范 JTG D60-2025 第 4.1.7 条规定,并满足法律规范 JTG D62 – 2025 第 6.3.1 条有关规定,即对全预应力构件和部分预应力 A 类构件以及预制和现浇构件的最小法向应力组合时预应力引起的应力部分分别根据 0.85(全预应力预制构件)、0.8(全预应力现浇构件)、1.0(部分预应力 A 类构件)的系数来考虑的。其它类型应力以及非预应力构件的各种应力组合由预应力引起的应力部分都是根据1.0 的系数考虑的;组合 III:标准组合,所有应力组合时各种荷载的分项组合系数都为 1.0,参加组合的荷载类型为法律规范 JTG D60-2025 第 4.1.7 条中短期效应组合中规定的所有荷载类型,只是荷载分项系数都为 1...

1、当您付费下载文档后,您只拥有了使用权限,并不意味着购买了版权,文档只能用于自身使用,不得用于其他商业用途(如 [转卖]进行直接盈利或[编辑后售卖]进行间接盈利)。
2、本站所有内容均由合作方或网友上传,本站不对文档的完整性、权威性及其观点立场正确性做任何保证或承诺!文档内容仅供研究参考,付费前请自行鉴别。
3、如文档内容存在违规,或者侵犯商业秘密、侵犯著作权等,请点击“违规举报”。

碎片内容

10米跨径先张法预应力混凝土空心板计算书

您可能关注的文档

确认删除?
VIP
微信客服
  • 扫码咨询
会员Q群
  • 会员专属群点击这里加入QQ群
客服邮箱
回到顶部