电脑桌面
添加小米粒文库到电脑桌面
安装后可以在桌面快捷访问

ABS工艺管道施工技术措施

ABS工艺管道施工技术措施_第1页
1/7
ABS工艺管道施工技术措施_第2页
2/7
ABS工艺管道施工技术措施_第3页
3/7
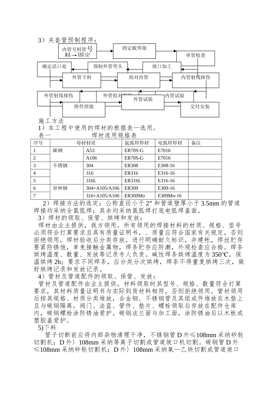
ABS 工艺管道施工技术措施名目工程简介施工程序施工方法采纳标准质量保证措施安全注意事项需要施工机械工程简介台塑宁波有限公司 ABS 工程工艺管道工程的安装工程量约 28000DB,要紧材料为碳钢不锈钢两大类。碳钢有:A53、A106。不锈钢由304、316、316L。管道最小壁厚为 1.53mm,最大壁厚约为。施工程序1)、管道预制施工程序2)管道现场安装施工程序开工领料划线切割下料喷砂油漆尺寸检查坡口加工坡口检查预安装焊接点焊(预热)外 观 检 查X-RAY 检查焊后热处理耐压试验硬度试验、探伤检测、尺寸检测涂装标记包装搬运交付安装补漆预制管段管内清洁管支架安装焊接焊口检查、点焊、预热外观检查 X-RAY 检查焊后热处理最终检查检查焊口有无遗漏调整管架试压吹扫油漆3)夹套管预制程序:施工方法1)本工程中使用的焊材的根据表一选用。表一 焊材选用规格表序号母材材质氩弧焊焊材电弧焊焊材备注1碳钢A53ER70S-GE70162A106ER70S-GE70163不锈钢304ER308E308-164316ER316E316-165316LER316LE316-166异种钢304+A105/A106ER309E309-167316+A105/A106ER309MoE309Mo-16 2)焊接方法的选定:公称直径小于 2” 和管道壁厚小于 3.5mm 的管道焊接均采纳全氩弧焊;其余均采纳氩弧焊打底电弧焊盖面。3)焊材的领取、保管、烘烤和发放: 焊材由业主提供,我方领用。所有领用的焊接材料的材质、规格、型号必须符合打算要求且具有质量证明书,、质量应符合国家有关规定,否则拒绝领用,焊材验收后分类存放,进行明确耐久标识,并建帐,焊丝贮存要紧防锈蚀,幸免接触金属物,焊条贮存应防潮,外观检查应合格。焊条烘烤温度、数量、发放等记录专人负责。碱性焊条烘烤温度为 350℃,保温烘烤 2h;要求不同焊条,应分类分次烘烤,焊条不得重复烘烤三次,做好烘烤记录和发放记录。4)管材及管道配件的领取、保管、发放:管材及管道配件由业主提供,材料领取时其型号、规格、数量符合打算要求,其材料质量证明书与实际到货材料相符,否则拒绝领用。管材领用后按其规格、材质分类堆放,合金钢、不锈钢管及其组成件堆放在木垫上且与碳钢隔离。阀门、法蓝、管件、垫片、螺栓领取后存放在配件仓库内,碳钢螺栓涂防锈油爱护。碳钢法兰面与加工面,涂防锈油后以木板或塑胶盖爱护。5)下料 管子切断前应将内部杂物清理干净,不锈钢管 D 外≤108mm 采纳砂轮切割机;D 外〉108mm 采纳等离子切割或管道坡口机切割。碳钢管 D 外≤108mm 采纳砂轮切割机;D ...

1、当您付费下载文档后,您只拥有了使用权限,并不意味着购买了版权,文档只能用于自身使用,不得用于其他商业用途(如 [转卖]进行直接盈利或[编辑后售卖]进行间接盈利)。
2、本站所有内容均由合作方或网友上传,本站不对文档的完整性、权威性及其观点立场正确性做任何保证或承诺!文档内容仅供研究参考,付费前请自行鉴别。
3、如文档内容存在违规,或者侵犯商业秘密、侵犯著作权等,请点击“违规举报”。

碎片内容

ABS工艺管道施工技术措施

您可能关注的文档

确认删除?
VIP
微信客服
  • 扫码咨询
会员Q群
  • 会员专属群点击这里加入QQ群
客服邮箱
回到顶部