电脑桌面
添加小米粒文库到电脑桌面
安装后可以在桌面快捷访问

alc轻质砌块组合砌筑施工质量控制2

alc轻质砌块组合砌筑施工质量控制2_第1页
1/19
alc轻质砌块组合砌筑施工质量控制2_第2页
2/19
alc轻质砌块组合砌筑施工质量控制2_第3页
3/19
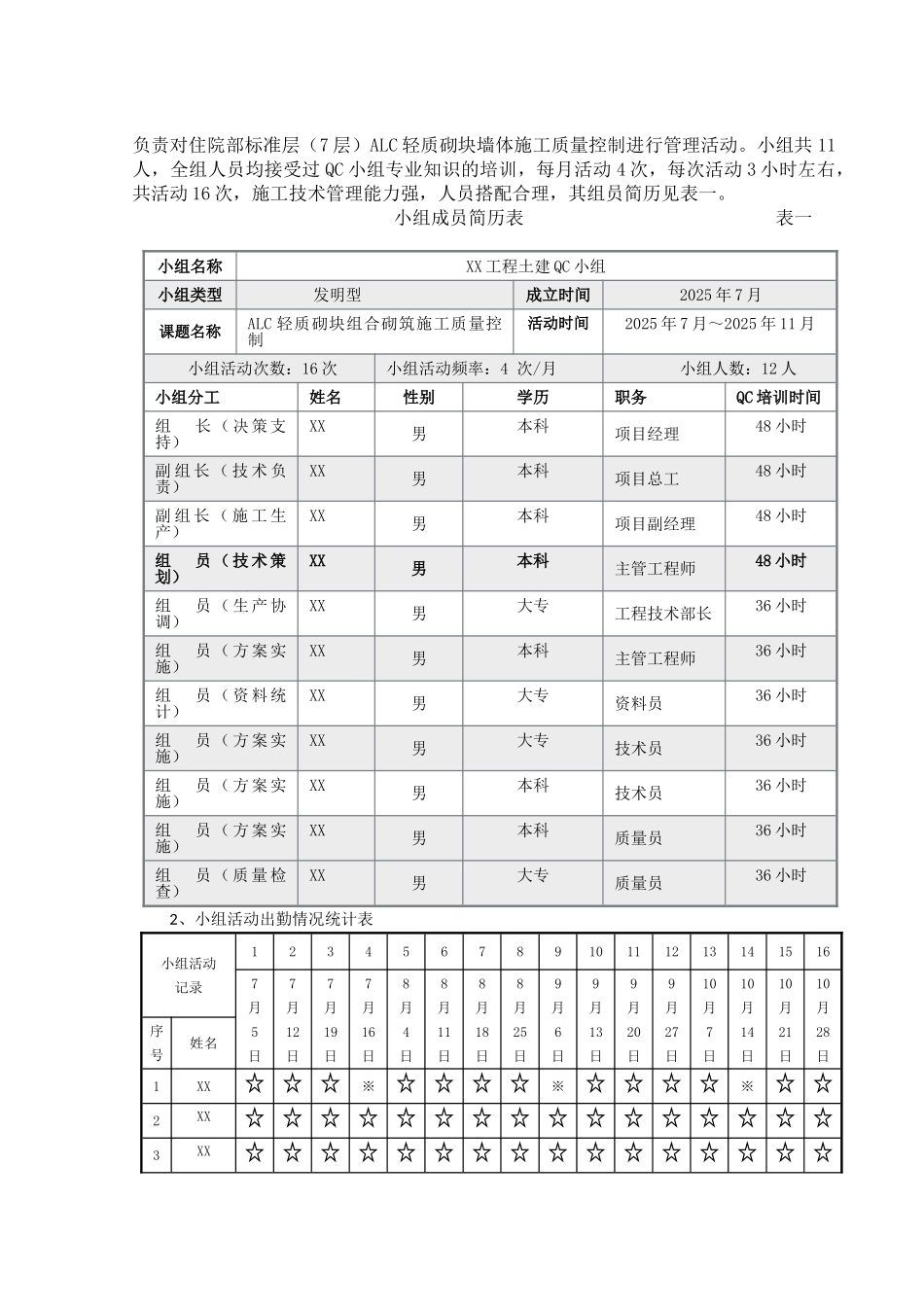
ALC 轻质砌块组合砌筑施工质量控制XX 有限公司XX 南扩工程土建 QC 小组二○一○年三月ALC 轻质砌块组合砌筑施工质量控制编制:XX 有限公司XX 工程土建 QC 小组编制日期:2010-03-10目 录 一、工程概况 ………………………………………………………2 二、小组概况 ………………………………………………………2 三、选题理由 ……………………………………………………4 四、现状调查 ……………………………………………………5 五、活动目标 ………………………………………………………6 六、 原因分析………………………………………………………… 8 七、确定要因………………………………………………………… 9 八、制定对策 ………………………………………………………10 九、对策实施 ……………………………………………………10 十、效果调查 ……………………………………………………16 十一、巩固措施 …………………………………………………19 十二、总结及今后设想 ……………………………………………20一、工程概况本工程为南京市 XX 南扩工程,总建筑面积为 22.5 万 m2,其中地下建筑面积 4.9 万㎡,地上建筑面积 17.6 万㎡。自北向南依次由医技楼、住院楼及门诊楼组成。住院部地上 14 层,建筑高度 56.8m;医技楼地上六层,建筑高度 25.5m;门诊楼地上 5 层,建筑高度 21.6m;均设 2 层人防地下室。地上标准层墙体结构采纳 ALC 轻质砌(规格为 140mm*190mm*600mm)砌筑,同时根据砌筑需要配有 1/4、1/2、3/4 配砖、“U”型砖,其容重不应大于 7kN/m3,黏结材料采纳 ALC 砌块专用黏结剂。二、小组概况 1、小组简介为了让墙体达到清水墙体、具备不抹灰直接批注腻子,从而防止开裂、节约成本、提高砌体质量的目的,2025 年 7 月 2 日组建了针对 ALC 砌块组合砌筑的土建 QC 小组,负责对住院部标准层(7 层)ALC 轻质砌块墙体施工质量控制进行管理活动。小组共 11人,全组人员均接受过 QC 小组专业知识的培训,每月活动 4 次,每次活动 3 小时左右,共活动 16 次,施工技术管理能力强,人员搭配合理,其组员简历见表一。 小组成员简历表 表一2、小组活动出勤情况统计表小组活动记录123456789101112131415167月5日7月12日7月19日7月16日8月4日8月11日8月18日8月25日9月6日9月13日9月20日9月27日10月7日10月14日10月...

1、当您付费下载文档后,您只拥有了使用权限,并不意味着购买了版权,文档只能用于自身使用,不得用于其他商业用途(如 [转卖]进行直接盈利或[编辑后售卖]进行间接盈利)。
2、本站所有内容均由合作方或网友上传,本站不对文档的完整性、权威性及其观点立场正确性做任何保证或承诺!文档内容仅供研究参考,付费前请自行鉴别。
3、如文档内容存在违规,或者侵犯商业秘密、侵犯著作权等,请点击“违规举报”。

碎片内容

alc轻质砌块组合砌筑施工质量控制2

您可能关注的文档

确认删除?
VIP
微信客服
  • 扫码咨询
会员Q群
  • 会员专属群点击这里加入QQ群
客服邮箱
回到顶部