电脑桌面
添加小米粒文库到电脑桌面
安装后可以在桌面快捷访问

ISO9001与3C质量保证能力的对照

ISO9001与3C质量保证能力的对照_第1页
1/3
ISO9001与3C质量保证能力的对照_第2页
2/3
ISO9001与3C质量保证能力的对照_第3页
3/3
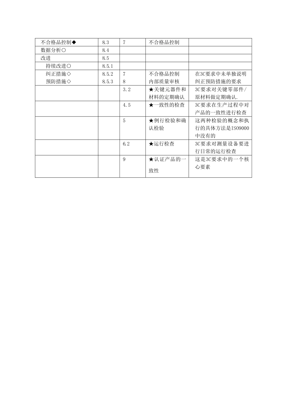
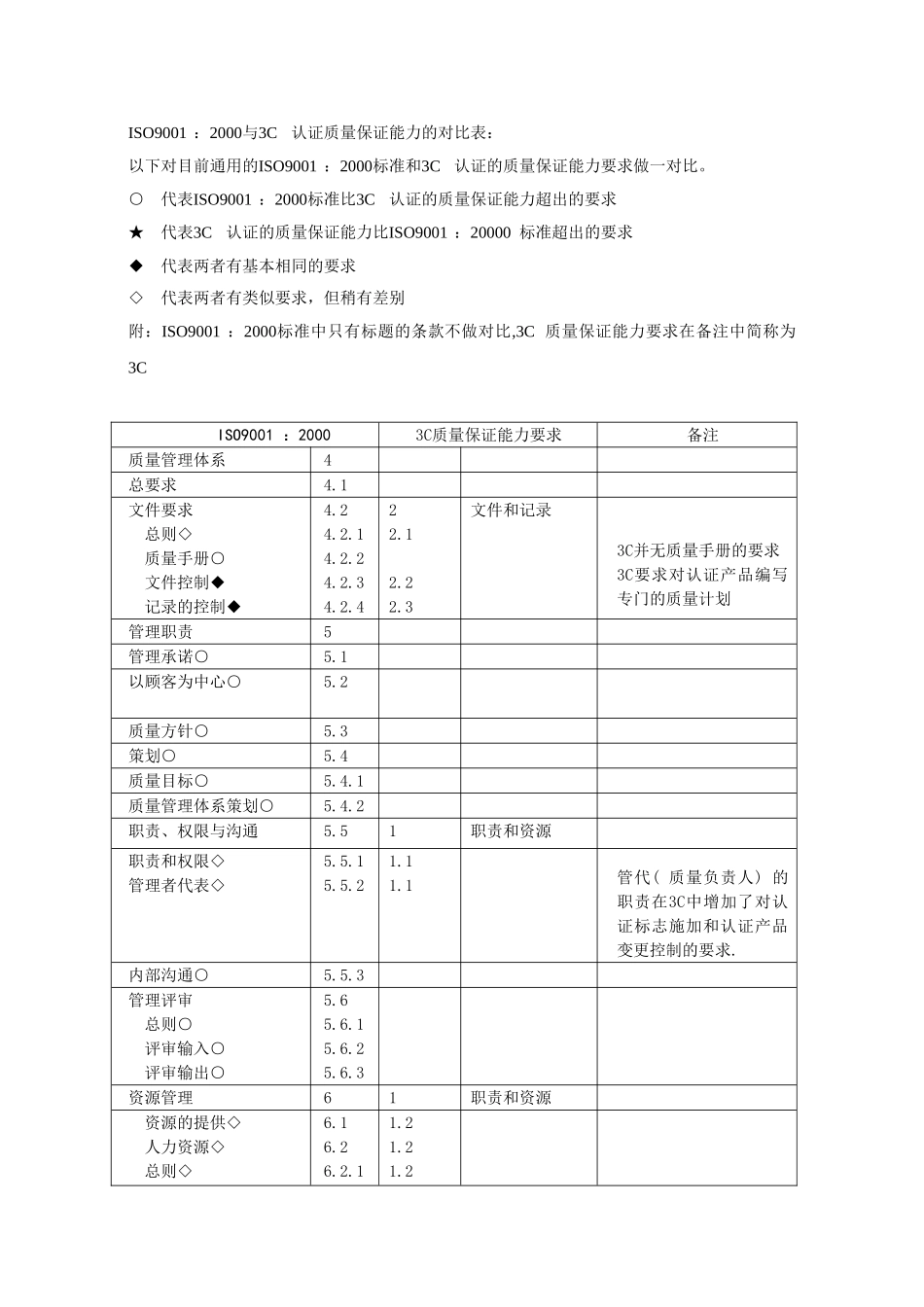
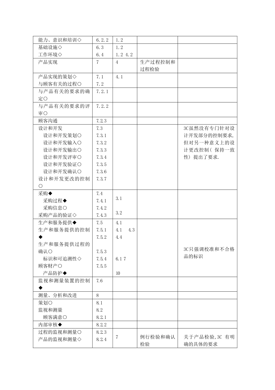
ISO9001 :2000与3C认证质量保证能力的对比表:以下对目前通用的ISO9001 :2000标准和3C认证的质量保证能力要求做一对比。○ 代表ISO9001 :2000标准比3C认证的质量保证能力超出的要求★代表3C认证的质量保证能力比ISO9001 :20000 标准超出的要求◆代表两者有基本相同的要求◇ 代表两者有类似要求,但稍有差别附:ISO9001 :2000标准中只有标题的条款不做对比,3C 质量保证能力要求在备注中简称为3C ISO9001 :20003C质量保证能力要求备注质量管理体系4总要求4.1文件要求 总则◇ 质量手册○ 文件控制◆ 记录的控制◆4.24.2.14.2.24.2.34.2.422.12.22.3文件和记录3C并无质量手册的要求3C要求对认证产品编写专门的质量计划管理职责5管理承诺○5.1以顾客为中心○5.2质量方针○5.3策划○5.4质量目标○5.4.1质量管理体系策划○5.4.2职责、权限与沟通5.51职责和资源职责和权限◇管理者代表◇5.5.15.5.21.11.1管代( 质量负责人) 的职责在3C中增加了对认证标志施加和认证产品变更控制的要求.内部沟通○5.5.3管理评审 总则○ 评审输入○ 评审输出○5.65.6.15.6.25.6.3资源管理61职责和资源 资源的提供◇ 人力资源◇ 总则◇6.16.26.2.11.21.21.2能力、意识和培训◇6.2.21.2基础设施◇工作环境◇6.36.41.21.2 4.2产品实现74生产过程控制和过程检验产品实现的策划◇与顾客有关的过程○7.17.24.1与产品有关的要求的确定○7.2.1与产品有关的要求的评审○7.2.2顾客沟通7.2.3设计和开发 设计和开发策划○ 设计和开发输入○ 设计和开发输出○ 设计和开发评审○ 设计和开发验证○ 设计和开发确认○设计和开发更改的控制○7.37.3.17.3.27.3.37.3.47.3.57.3.67.3.73C虽然没有专门针对设计开发部分的控制要求,但对另一种意义上的设计更改控制( 保持一致性) 提出了要求.采购◆ 采购过程◆ 采购信息○采购产品的验证◇7.47.4.17.4.27.4.33.13.2生产和服务提供◆生产和服务提供的控制◆生产和服务提供过程的确认○ 标识和可追溯性◇顾客财产○ 产品防护◆7.57.5.17.5.27.5.37.5.47.5.54.14.1 4.3 4.46.1 7103C只强调校准和不合格品的标识监视和测量装置的控制◆7.6测量、分析和改进8策划○监视和测量 顾客满意○8.18.28.2.1内部审核◆8.2.2过程的监视和测量○产品的监视和测量◇8.2.38.2.47例行检验和确认检验关于产品检验,3C 有明确的具体的要求不合格品控制◆8.37不合格品控制数据分析○8.4改进8.5 持续改进○8.5.1 纠正措施...

1、当您付费下载文档后,您只拥有了使用权限,并不意味着购买了版权,文档只能用于自身使用,不得用于其他商业用途(如 [转卖]进行直接盈利或[编辑后售卖]进行间接盈利)。
2、本站所有内容均由合作方或网友上传,本站不对文档的完整性、权威性及其观点立场正确性做任何保证或承诺!文档内容仅供研究参考,付费前请自行鉴别。
3、如文档内容存在违规,或者侵犯商业秘密、侵犯著作权等,请点击“违规举报”。

碎片内容

ISO9001与3C质量保证能力的对照

确认删除?
VIP
微信客服
  • 扫码咨询
会员Q群
  • 会员专属群点击这里加入QQ群
客服邮箱
回到顶部