电脑桌面
添加小米粒文库到电脑桌面
安装后可以在桌面快捷访问

PMC专员岗位作业指导书

PMC专员岗位作业指导书_第1页
1/5
PMC专员岗位作业指导书_第2页
2/5
PMC专员岗位作业指导书_第3页
3/5
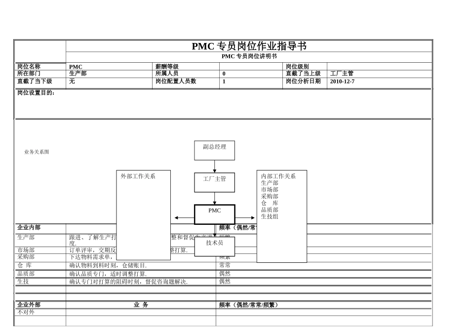
PMC 专员岗位作业指导书PMC 专员岗位讲明书岗位名称PMC薪酬等级岗位级别所在部门生产部所属人员0直截了当上级工厂主管直截了当下级无岗位配置人员数1岗位分析日期2010-12-7岗位设置目的:企业内部业 务频率(偶然/常常/频繁)生产部跟进、了解生产打算达成情形,适时调整和督促生产进度.频繁市场部订单评审,交期反馈,根据市场需求调整打算.频繁采购部下达物料需求单,跟进物料交期.频繁仓 库确认物料到料时刻,仓储账目.常常品质部确认品质专门,适时调整打算.偶然生技确认专门对打算的阻碍时刻,督促咨询题解决.偶然企业外部业 务频率(偶然/常常/频繁)不对外业务关系图内部工作关系生产部市场部采购部仓 库品质部生技组副总经理工厂主管外部工作关系PMC技术员职责与任务:职责一安排生产打算,跟进打算进度KPI 指标数据来源任务1.根据客户交期安排生产打算,在每日 15:30 前将周打算、日打算发放到有关部门.2.每日至少 3 次到生产巡线,确认当日生产进度,适时跟催,保证生产任务的达成.3.从生产部《生产日报表》中收集生产实际达成数据,确认专门及未达成状况,跟踪专门解决.职责二下达物料需求、跟进物料进料状况KPI 指标数据来源任务1.根据客户订单和安全库存需求状况下达物料需求单给采购,并要求回复物料交期.2.根据采购回复的物料交期跟进物料进料状况,以保证生产打算的顺利达成.3.对阻碍到生产打算或交期的部分,及时反馈解决.职责三订单交期评审KPI 指标数据来源任务1.根据客户要求交期确认物料库存、物料采购周期、生产负荷状况及生产周期.2.综合以上信息,评估订单的可生产性及交期回复状况.3.对已评估通过的订单,根据回复时刻安排各项预备工作的进行.职责四跟进出货进度KPI 指标数据来源任务1.每天 15:30 前做好周打算及次日出货打算发放到有关部门.2.每日在 16:00 确认次日出货进度和达成状况,对未完成或有专门的部分,及时处理.3.出货前 2H 确认入库是否专门,并追踪处理.职责五物料治理系统管控KPI 指标数据来源任务1.每日生产打算发出后,同时为打印备料发给产线与仓库,产线、仓库依据备料单领取次日生产物料.2.监控生产线领、退料数量,严格操纵生产制程物料损耗.3.以订单为单位核算材料损耗成本,并发给有关部门参考使用.职责六库存监控、治理KPI 指标数据来源任务1.每周六确认下周生产产品物料安全库存是否在要求范畴内,如有专门及时处理.2.对马上生产的产品进行库存审查,保证生产顺利进行.3...

1、当您付费下载文档后,您只拥有了使用权限,并不意味着购买了版权,文档只能用于自身使用,不得用于其他商业用途(如 [转卖]进行直接盈利或[编辑后售卖]进行间接盈利)。
2、本站所有内容均由合作方或网友上传,本站不对文档的完整性、权威性及其观点立场正确性做任何保证或承诺!文档内容仅供研究参考,付费前请自行鉴别。
3、如文档内容存在违规,或者侵犯商业秘密、侵犯著作权等,请点击“违规举报”。

碎片内容

PMC专员岗位作业指导书

文旅传媒+ 关注
实名认证
内容提供者

传播文化,成就未来

确认删除?
VIP
微信客服
  • 扫码咨询
会员Q群
  • 会员专属群点击这里加入QQ群
客服邮箱
回到顶部