电脑桌面
添加小米粒文库到电脑桌面
安装后可以在桌面快捷访问

PSL-602UM系列线路保护检测大纲及记录-Z008900000503

PSL-602UM系列线路保护检测大纲及记录-Z008900000503_第1页
1/16
PSL-602UM系列线路保护检测大纲及记录-Z008900000503_第2页
2/16
PSL-602UM系列线路保护检测大纲及记录-Z008900000503_第3页
3/16
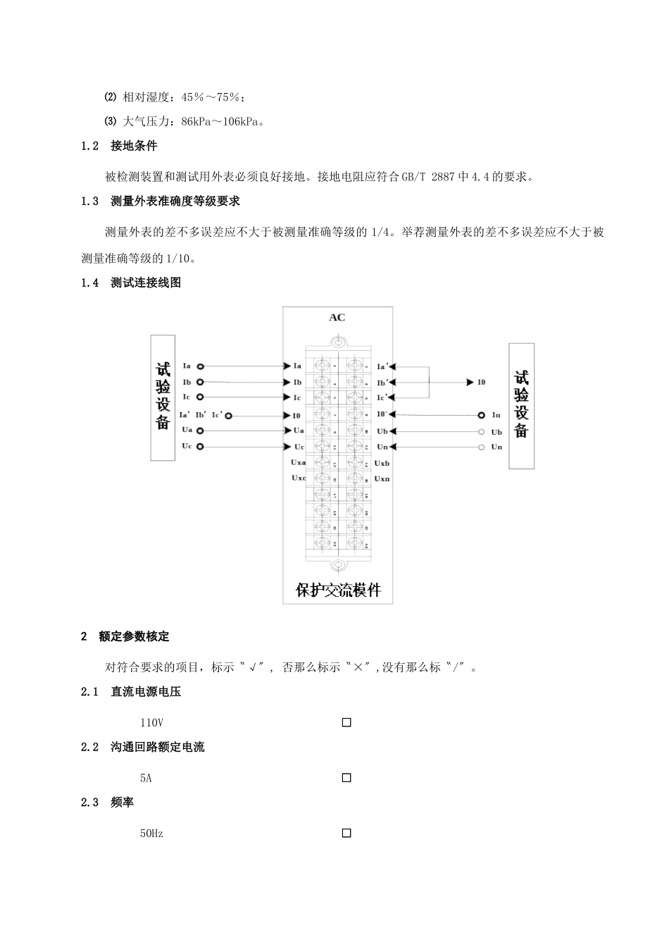
PSL 602UM 系列线路保护检测大纲及记录-Z008900000503系列线路爱护装置物料编码:Z008900000503检测大纲及记录国电南京自动化股份2025 年 5 月PSL 602UM系列线路爱护装置物料编码:Z008900000503检测大纲及记录产品编号直流电压沟通电流检测人员检验人员检测日期国电南京自动化股份 2025 年 5 月1 正常检测条件1.1 大气条件⑴ 环境温度:15℃~35℃;⑵ 相对湿度:45%~75%;⑶ 大气压力:86kPa~106kPa。1.2 接地条件被检测装置和测试用外表必须良好接地。接地电阻应符合 GB/T 2887 中 4.4 的要求。1.3 测量外表准确度等级要求测量外表的差不多误差应不大于被测量准确等级的 1/4。举荐测量外表的差不多误差应不大于被测量准确等级的 1/10。1.4 测试连接线图2 额定参数核定对符合要求的项目,标示〝√〞, 否那么标示〝×〞,没有那么标〝/〞。2.1 直流电源电压110V □2.2 沟通回路额定电流5A □2.3 频率50Hz □3 外观检查结果符合要求时,标示〝√〞, 否那么标示〝×〞,没有那么标〝/〞。⑴ 机箱表面平坦、清洁、无划痕、紧固件无松动、脱落及锈蚀现象; □⑵ 机箱表面的涂覆层的颜色平均一致,无明显的色差和眩光,涂覆层表面无砂粒、 起绉、流痕等缺陷; □⑶ 机箱面板锁功能正常,开关方便灵活; □⑷ 接插件拔插自如,接触良好; □⑸ 电路板上元器件排列整齐,完好无缺损; □⑹ 产品标牌及厂牌清楚无误,符合设计要求; □⑺ 安全标志完整正确。 □检查方法: 用目测手感法在自然光线下逐项进行检查。4 确认单模件已通过检测,检查装置的插件配置是否和对应 BOM 中的配置一致。 是 □ 否 □5 绝缘电阻试验 按产品标准 GB/T 15145-2025«线路爱护装置通用技术标准»中规定的技术要求,在正常试验大气条件下,装置的外引带电回路部分〔通信接口回路除外〕和外壳之间,用开路电压为直流 1000V 的兆欧表测量其绝缘电阻,应≥50 M Ω;通信接口回路对地,用开路电压为直流 500V 的兆欧表测量其绝缘电阻,应≥100 M Ω。测量时刻不小于 5s,试验结果填表 1,满足技术要求打〝√〞即可:⑴ 1 号模件 1X23、1X24 与机壳应电气连通是 □ 否 □⑵ 14 号模件 14X12 与机壳应电气连通是 □ 否 □表 1 绝缘电阻的要求被试回路被测回路试验端子技术要求试验结果直流回路……地14X8~14X10……机壳1000V 时,≥50 M Ω沟通回路……地1X1~1X16……机壳信号...

1、当您付费下载文档后,您只拥有了使用权限,并不意味着购买了版权,文档只能用于自身使用,不得用于其他商业用途(如 [转卖]进行直接盈利或[编辑后售卖]进行间接盈利)。
2、本站所有内容均由合作方或网友上传,本站不对文档的完整性、权威性及其观点立场正确性做任何保证或承诺!文档内容仅供研究参考,付费前请自行鉴别。
3、如文档内容存在违规,或者侵犯商业秘密、侵犯著作权等,请点击“违规举报”。

碎片内容

PSL-602UM系列线路保护检测大纲及记录-Z008900000503

确认删除?
VIP
微信客服
  • 扫码咨询
会员Q群
  • 会员专属群点击这里加入QQ群
客服邮箱
回到顶部