电脑桌面
添加小米粒文库到电脑桌面
安装后可以在桌面快捷访问

QTZ40-1矩形板式基础验算书

QTZ40-1矩形板式基础验算书_第1页
1/5
QTZ40-1矩形板式基础验算书_第2页
2/5
QTZ40-1矩形板式基础验算书_第3页
3/5
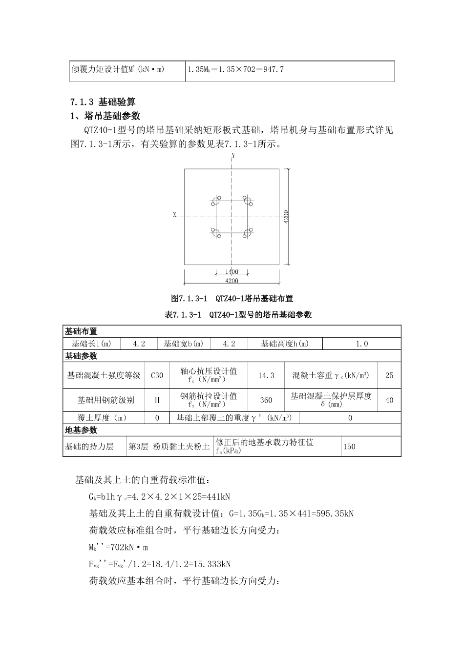
7.1 QTZ40-1 矩形板式基础验算书 7.1.1 塔机属性塔机型号QTZ40-1塔身桁架结构宽度B(m)1.4塔机独立状态的最大起吊高度H0(m) 31.5塔机独立状态的计算高度H(m) 35 7.1.2 塔机荷载 1、塔机传递至基础荷载标准值工作状态塔机自重标准值Fk1(kN)430起重荷载标准值Fqk(kN)40竖向荷载标准值Fk(kN)470水平荷载标准值Fvk(kN)18.4倾覆力矩标准值Mk(kN·m)702非工作状态竖向荷载标准值Fk'(kN)430水平荷载标准值Fvk'(kN)18.4倾覆力矩标准值Mk'(kN·m)702 2、塔机传递至基础荷载设计值工作状态塔机自重设计值F1(kN)1.35Fk1=1.35×430=580.5起重荷载设计值FQ(kN)1.35FQk=1.35×40=54竖向荷载设计值F(kN)580.5+54=634.5水平荷载设计值Fv(kN)1.35Fvk=1.35×18.4=24.84倾覆力矩设计值M(kN·m)1.35Mk=1.35×702=947.7非工作状态竖向荷载设计值F'(kN)1.35Fk'=1.35×430=580.5水平荷载设计值Fv'(kN)1.35Fvk'=1.35×18.4=24.84倾覆力矩设计值M'(kN·m)1.35Mk=1.35×702=947.77.1.3 基础验算1、塔吊基础参数QTZ40-1型号的塔吊基础采纳矩形板式基础,塔吊机身与基础布置形式详见图7.1.3-1所示,有关验算的参数见表7.1.3-1所示。图7.1.3-1 QTZ40-1塔吊基础布置表7.1.3-1 QTZ40-1型号的塔吊基础参数基础布置基础长l(m)4.2基础宽b(m)4.2基础高度h(m)1.0基础参数基础混凝土强度等级C30轴心抗压设计值fc(N/mm2)14.3混凝土容重γc(kN/m3)25基础用钢筋级别Ⅱ钢筋抗拉设计值fy(N/mm2)360基础混凝土保护层厚度δ(mm)40覆土厚度(m)0基础上部覆土的重度γ’(kN/m3)0地基参数基础的持力层第3层 粉质黏土夹粉土 修正后的地基承载力特征值fa(kPa)150 基础及其上土的自重荷载标准值: Gk=blhγc=4.2×4.2×1×25=441kN 基础及其上土的自重荷载设计值:G=1.35Gk=1.35×441=595.35kN 荷载效应标准组合时,平行基础边长方向受力: Mk''=702kN·m Fvk''=Fvk'/1.2=18.4/1.2=15.333kN 荷载效应基本组合时,平行基础边长方向受力: M''=947.7kN·m Fv''=Fv'/1.2=24.84/1.2=20.7kN 基础长宽比:l/b=4.2/4.2=1≤1.1,基础计算形式为方形基础。 Wx=lb2/6=4.2×4.22/6=12.348m3 Wy=bl2/6=4.2×4.22/6=12.348m3 相应于荷载效应标准组合时,同时作用于基础X、Y方向的倾覆力矩: Mkx=Mkb/(b2+l2)0.5=702×4.2/(4.22+4.22)0.5=496.389kN·m Mky=Mkl/(b2+l2)0.5=702×4.2/(4.22+4.22)0.5=496.389kN·m2、偏心距验算 (1)、偏心位置 相应于荷载效应标准...

1、当您付费下载文档后,您只拥有了使用权限,并不意味着购买了版权,文档只能用于自身使用,不得用于其他商业用途(如 [转卖]进行直接盈利或[编辑后售卖]进行间接盈利)。
2、本站所有内容均由合作方或网友上传,本站不对文档的完整性、权威性及其观点立场正确性做任何保证或承诺!文档内容仅供研究参考,付费前请自行鉴别。
3、如文档内容存在违规,或者侵犯商业秘密、侵犯著作权等,请点击“违规举报”。

碎片内容

QTZ40-1矩形板式基础验算书

您可能关注的文档

确认删除?
VIP
微信客服
  • 扫码咨询
会员Q群
  • 会员专属群点击这里加入QQ群
客服邮箱
回到顶部