电脑桌面
添加小米粒文库到电脑桌面
安装后可以在桌面快捷访问

《光子相关光谱法粒度分析仪校准规范》校准试验报告

《光子相关光谱法粒度分析仪校准规范》校准试验报告_第1页
1/4
《光子相关光谱法粒度分析仪校准规范》校准试验报告_第2页
2/4
《光子相关光谱法粒度分析仪校准规范》校准试验报告_第3页
3/4
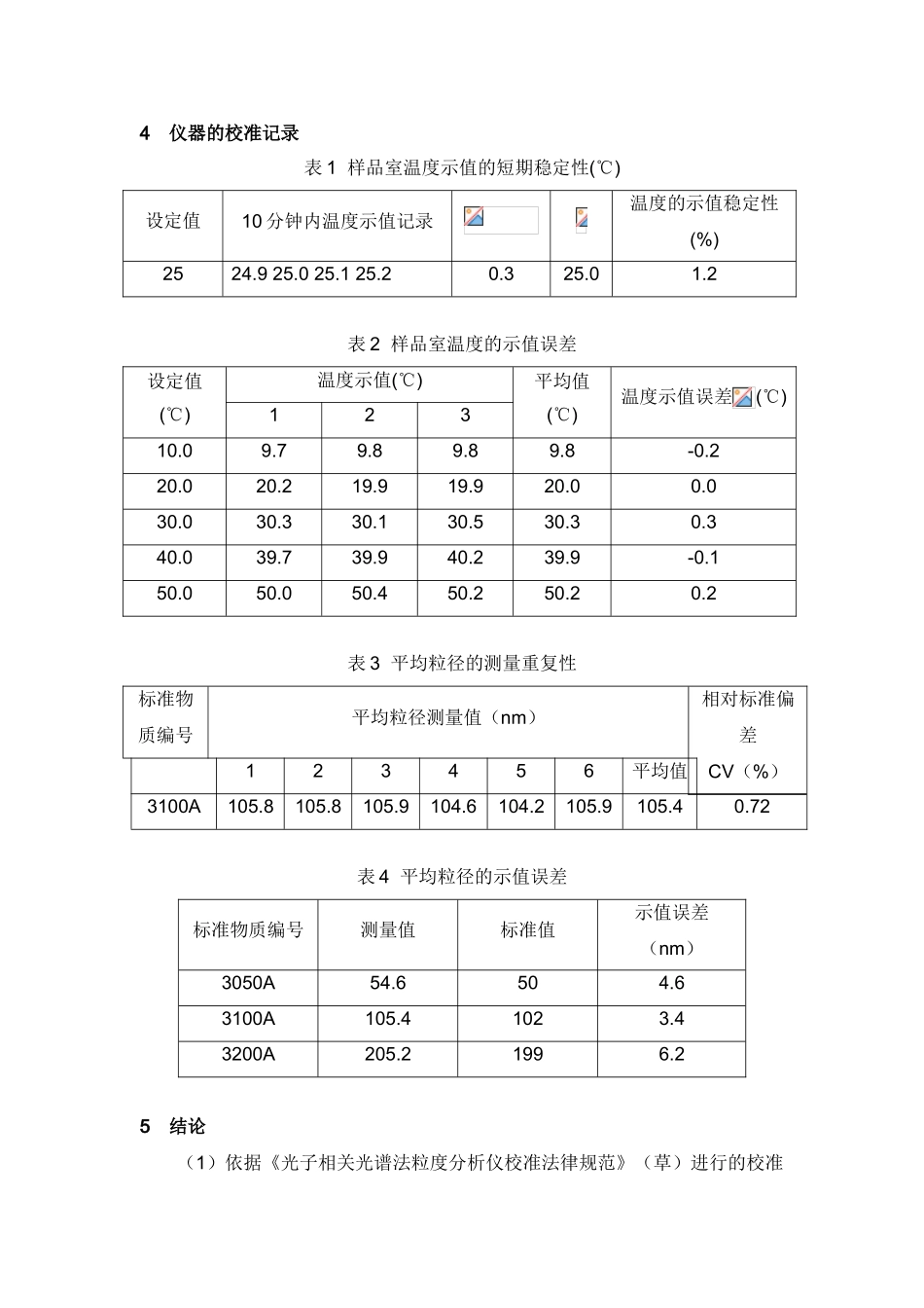
附件 3校准试验报告1 实验目的为验证《光子相关光谱法粒度分析仪校准法律规范》(草)的可行性,进行下述校准试验。2 实验设备和试剂2.1 实验用设备2.1.1 光子相关光谱法粒度分布测定仪,型号:BI90 Plus,生产商:美国BROOKHAVER 仪器公司;2.1.2 孔径为 0.2m 的一次性过滤器;2.1.3 温度计,测量范围:0-50℃,测量精度:0.1℃;2.1.4 超声波分散器,1kW,20-40kHz。2.2 实验用试剂及标准物质2.3.1 氯化钠,分析纯2.3.2 蒸馏水或去离子水2.2.3 标准物质美国 DUKE 公司生产的聚苯乙烯类乳胶球颗粒悬浮液标准物质,量值可溯源至美国国家标准局 NIST。表 1 标准物质的有关参数目录编号3050A3100A3200A批号237732418624190有证的平均粒径(nm)注 150±2.0102±3199±6标准偏差(nm) 注 26.74.43.4变异系数(%)注 313.44.31.7%流体动力学直径(PCS)(nm)注 451-57100-105195-205注 1:有证的平均粒径的值通过 NIST 有证微球(SRM1963、1691 或 1690)用 TEM 方法传递。注 2:标准偏差(即粒度分布)用 TEM 方法获得。注 3:变异系数=(标准偏差/平均粒径)X 100%。注 4:流体动力学直径是用光子相关光谱法(PCS)测得。3 样品制备3.1 溶剂的净化3.2 样品池的清洁3.3 悬浮液的制备制备浓度 c(NaCl)=10mmol/L 的溶液 200ml。用孔径为 0.2m 的一次性过滤器过滤氯化钠溶液。挤出约 2-6 滴乳胶样品(视不同粒径而异)到稀释瓶中,加入 20ml 经过滤的 10mmol/L NaCl 溶液,制成一种轻度混浊的分散液。样品在稀释瓶中作间歇的超声波处理,每次大约持续 10 秒钟,再停顿几秒钟,共约 2 分钟。将样品从稀释瓶中轻轻倒入样品池中,盖上盖子,放入恒温浴中,仪器样品支架温度的设定值同恒温浴的温度。3.4 浓度试验(计数率:5000 个/秒-1000000 个/秒)3.4.1 试验目的:证明颗粒体系中被颗粒散射的光只发生单散射即没有多重散射,颗粒平均粒径与测量体系浓度无关。3.4.2 试验方法:至少 2 倍范围内的不同浓度下,分别测量颗粒平均粒径。3.4.3 推断方法:仪器中参数计数率(countrate)表示被颗粒散射的光的平均散射强度。当颗粒浓度减少一半时,假如计数率相应的减少一半,同时颗粒平均粒径不变,那么颗粒体系中被颗粒散射的光只发生单散射。颗粒平均粒径的测量结果与样品颗粒的浓度无关。在此浓度范围内测量颗粒粒径。假如颗粒平均粒径与样品颗粒的浓度呈系统相关,那么颗粒体系中被颗粒...

1、当您付费下载文档后,您只拥有了使用权限,并不意味着购买了版权,文档只能用于自身使用,不得用于其他商业用途(如 [转卖]进行直接盈利或[编辑后售卖]进行间接盈利)。
2、本站所有内容均由合作方或网友上传,本站不对文档的完整性、权威性及其观点立场正确性做任何保证或承诺!文档内容仅供研究参考,付费前请自行鉴别。
3、如文档内容存在违规,或者侵犯商业秘密、侵犯著作权等,请点击“违规举报”。

碎片内容

《光子相关光谱法粒度分析仪校准规范》校准试验报告

确认删除?
VIP
微信客服
  • 扫码咨询
会员Q群
  • 会员专属群点击这里加入QQ群
客服邮箱
回到顶部