电脑桌面
添加小米粒文库到电脑桌面
安装后可以在桌面快捷访问

一级悬浮床热高压分离器吊装方案

一级悬浮床热高压分离器吊装方案_第1页
1/22
一级悬浮床热高压分离器吊装方案_第2页
2/22
一级悬浮床热高压分离器吊装方案_第3页
3/22
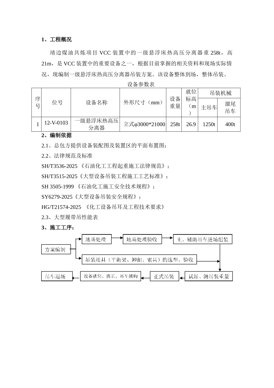
工程编号:文件编号:方案类别:一般 专项 重大发放编号:陕西延长石油集团煤油共炼项目加氢裂化装置一级悬浮床热高压分离器吊装方案编 制:审 核:HSE 审核:批 准: 目 录1、工程概况 12、编制依据 13、施工工序 14、吊装方案 25、吊车行走及吊装区域的道路处理 76、吊盖设计及溜尾吊耳设计 7 7、有关力学计算 99、施工组织计划 1111、机械机具及材料计划 1212、职业健康安全保证体系、管理职责及措施 12 13、安全保证措施 1414、事故应急预案及吊装中断应急措施 151、工程概况靖边煤油共炼项目 VCC 装置中的一级悬浮床热高压分离器重 258t,高21m,是 VCC 装置中的重要设备之一,根据目前掌握的相关资料和现场实际情况,现编制一级悬浮床热高压分离器吊装方案。该设备整体到场,整体吊装。设备参数表序号位号设备名称外形尺寸(mm)设备重量就位标高(m)吊装机械主吊车溜尾吊车112-V-0103一级悬浮床热高压分离器立式φ3000*21000258t26.91250t400t2、编制依据2.1、总包方提供设备装配图及装置区的平面布置图;2.2、法律规范及标准SH/T3536-2025 《石油化工工程起重施工法律规范》;SH/T3515-2025《大型设备吊装工程施工工艺标准》;SH 3505-1999 《石油化工施工安全技术规程》; SY6279-2025《大型设备吊装安全规程》;HG/T21574-2025 《化工设备吊耳及工程技术要求》2.3、大型履带吊性能表3、施工工序:4、吊装方案针对本工程工期及现场情况拟采纳大型履带式起重机进行大型设备吊装,具体采纳 1250t 履带吊主吊及 400t 履带吊溜尾递送。4.1、吊装方法一级悬浮床热高压分离器吊装采纳双机抬吊递送法吊装就位,即用 CC6800型 1250 吨履带式起重机吊设备的上部顶盖式法兰吊耳,FWX 400 吨履带式起重机溜尾吊设备的下部。两台吊车先将设备抬起,主吊车负责提升设备,溜尾吊车负责送递,来实现设备由平卧状态逐渐过渡到接近垂直状态,完成设备的直立。然后辅助起重机摘钩,由主吊车将设备垂直吊起,并回转将设备放置在基础上,找正后拧紧固定螺栓完成吊装工作。设备参数见下表设备参数设备名称及位号V-0103 1 级悬浮床热高压分离器设备规格φ3000mm×21000mm设备重量258t重心位置距离裙座 13m主吊力146t溜尾力112t主吊车型号CC6800 1250t 履带吊工况SSL臂杆长度72m工作半径20m超起配重80t额定载荷326t重量设备重量258t吊钩及机具重量18t(钩头)+3t(钢丝绳)+5t(吊盖)+1t(卡环)+1t(螺栓连接件...

1、当您付费下载文档后,您只拥有了使用权限,并不意味着购买了版权,文档只能用于自身使用,不得用于其他商业用途(如 [转卖]进行直接盈利或[编辑后售卖]进行间接盈利)。
2、本站所有内容均由合作方或网友上传,本站不对文档的完整性、权威性及其观点立场正确性做任何保证或承诺!文档内容仅供研究参考,付费前请自行鉴别。
3、如文档内容存在违规,或者侵犯商业秘密、侵犯著作权等,请点击“违规举报”。

碎片内容

一级悬浮床热高压分离器吊装方案

您可能关注的文档

确认删除?
VIP
微信客服
  • 扫码咨询
会员Q群
  • 会员专属群点击这里加入QQ群
客服邮箱
回到顶部