电脑桌面
添加小米粒文库到电脑桌面
安装后可以在桌面快捷访问

三区高层办公楼消防工程施工组织设计方案

三区高层办公楼消防工程施工组织设计方案_第1页
1/34
三区高层办公楼消防工程施工组织设计方案_第2页
2/34
三区高层办公楼消防工程施工组织设计方案_第3页
3/34
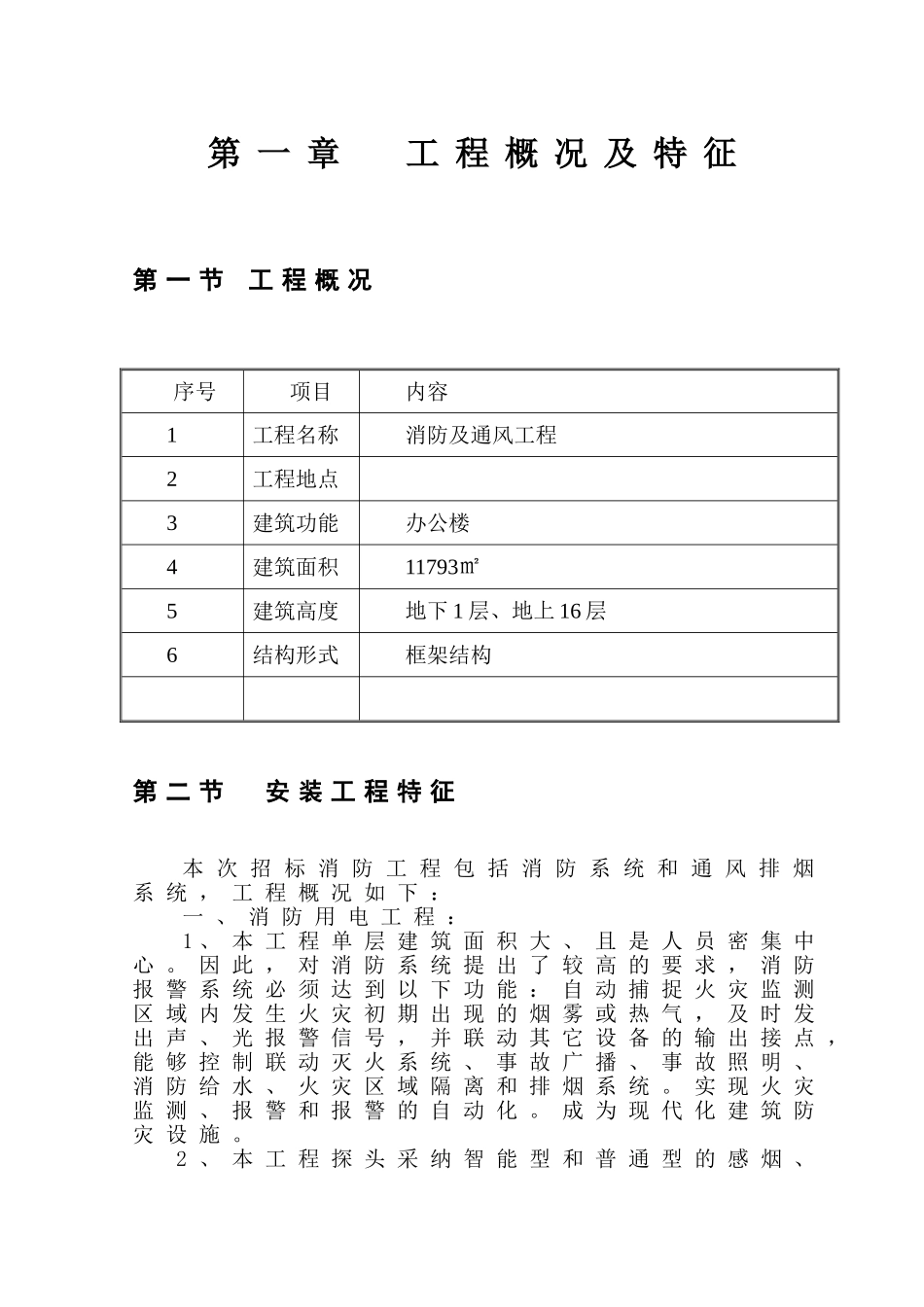
目 录第 一 章 工 程 概 况 及 特 征 ................................................... 3第 一 节 工 程 概 况 ...................................................................... 3第 二 节 安 装 工 程 特 征 ...................................................... 3第 三 节 施 工 有 利 条 件 ................................................... 5第 四 节 工 程 质 量 目 标 ................................................... 5第 二 章 施 工 组 织 设 计 的 编 制 依 据 .............................. 6第 三 章 施 工 方 案 ...............................................................7第 一 节 消 防 管 道 安 装 ................................................... 7一 、 管 道 安 装 ...................................................................... 7二 、 管 道 保 温 .................................................................. 17第 二 节 消 防 电 气 安 装 ................................................ 19一 、 管 、 盒 、 箱 安 装 ................................................ 19二 、 导 线 安 装 .................................................................. 26三 、 元 器 件 和 消 防 设 备 安 装 .............................. 28四 、 施 工 检 查 .................................................................. 32第 三 节 通 风 排 烟 系 统 ................................................ 33一 、 通 风 系 统 安 装 工 艺 流 程 .............................. 33二 、 风 机 安 装 .................................................................. 33三 、 水 泵 安 装 .................................................................. 34四 、 设 备 试 运 转 ............................................................ 34五 、 风 管 及 其 部 件 的 制 作 安 装 ........................ 35第 四 章 施 工 总 体 部 署 ....................................................

1、当您付费下载文档后,您只拥有了使用权限,并不意味着购买了版权,文档只能用于自身使用,不得用于其他商业用途(如 [转卖]进行直接盈利或[编辑后售卖]进行间接盈利)。
2、本站所有内容均由合作方或网友上传,本站不对文档的完整性、权威性及其观点立场正确性做任何保证或承诺!文档内容仅供研究参考,付费前请自行鉴别。
3、如文档内容存在违规,或者侵犯商业秘密、侵犯著作权等,请点击“违规举报”。

碎片内容

三区高层办公楼消防工程施工组织设计方案

您可能关注的文档

确认删除?
VIP
微信客服
  • 扫码咨询
会员Q群
  • 会员专属群点击这里加入QQ群
客服邮箱
回到顶部